QQ登录

只需一步,快速开始

登录 | 注册 | 找回密码

三维网

 找回密码
 注册

QQ登录

只需一步,快速开始

展开

通知     

查看: 3936|回复: 8
收起左侧

[求助] 关于SW草图尺寸位置应用到工程图中的问题

[复制链接]
发表于 2012-12-30 22:37:13 | 显示全部楼层 |阅读模式 来自: 中国陕西榆林

马上注册,结识高手,享用更多资源,轻松玩转三维网社区。

您需要 登录 才可以下载或查看,没有帐号?注册

x
本帖最后由 老婆好美 于 2012-12-30 22:45 编辑 ' M1 Z- S  {* d8 H* M
5 I4 c: e2 R+ ^1 |1 Q' Y
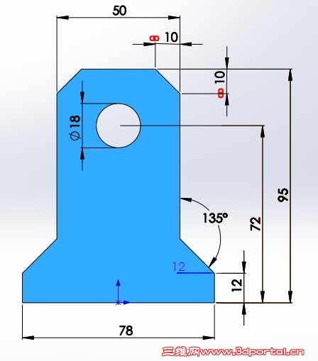
各位大师们,怎么样才能准确将SW草图中尺寸的位置应用到工程图中啊???
' t3 n" [: ^6 Q% O简单一点儿的还可以,复杂的就不知道怎么了??
- z# j1 t, S7 i7 a

草图中的尺寸位置

草图中的尺寸位置
发表于 2012-12-30 22:43:05 | 显示全部楼层 来自: 中国河北邯郸
复制或转换实体引用。
" I" H. ~: E( \- S( T* V
发表于 2012-12-30 22:47:18 | 显示全部楼层 来自: 中国河北邯郸
补充:刚才我没看太清楚就回复你了,有误。我的意思是应用到另一个草图中。如是工程图,那在工程图中自然会生成与草图一样的图形,为什么要谈及应用到工程图中呢?不太明白。
4 [4 z, P: ?$ ?* s6 X$ S1 g+ E
发表于 2012-12-30 22:54:51 | 显示全部楼层 来自: 中国台湾
本帖最后由 neko 于 2012-12-30 22:57 编辑 7 [: o# g, _4 [7 b7 }) R$ ^
5 F# b2 x9 [; J
具體可參照說明..
% M5 l: a. n7 I* h+ o0 y+ V! J# k) R( C0 O3 H
test.jpg 8 o, v7 ~$ y& N  A* N! N. n+ q+ C

. [# C( n$ Q2 W3 ]. N
  l5 H* `* W- B2 C. E+ x3 ]2 v太複雜的..重新標..還是比較快的..
) Z3 H& ~0 f3 E4 q不然光調整位置也夠煩了..
发表于 2012-12-31 15:34:12 | 显示全部楼层 来自: 中国山东青岛
所以说,做一个好模板很重要。模板做好了,在放入模型后,工程图自动生成草图尺寸
 楼主| 发表于 2012-12-31 16:32:14 | 显示全部楼层 来自: 中国陕西榆林
shiju712 发表于 2012-12-31 15:34 static/image/common/back.gif/ w0 w% t: h0 ?
所以说,做一个好模板很重要。模板做好了,在放入模型后,工程图自动生成草图尺寸
9 _; E2 o& l' x1 z3 V2 ?( O
有模板,就是复杂零件的尺寸自动生成有点问题,草图中尺寸的位置不能应用到工程图里了。您有好的模板吗?帮忙发一份吧!251958714@qq.com
发表于 2012-12-31 16:51:35 | 显示全部楼层 来自: 日本
老婆好美 发表于 2012-12-31 16:32 static/image/common/back.gif
# u& \$ \4 |' f+ [9 C+ M有模板,就是复杂零件的尺寸自动生成有点问题,草图中尺寸的位置不能应用到工程图里了。您有好的模板吗? ...

& Z: O3 G5 p6 Z. c1 o+ H0 y5 h工程图的标注是根据模型的草图标注来的,你在模型中怎么标注,工程图就是怎样的!插入模型项目。9 J6 n( ~' e7 V
跟模板无关! j4 W# v" ^* w/ e

' [, ?( f' I1 i6 @复杂模型标注,你就要建模中考虑标注时的位置关系
" N! h$ h/ q( z' A! l9 g
发表于 2013-1-1 12:26:13 | 显示全部楼层 来自: 中国广东东莞
!!!!!!!!!!!!!!
 楼主| 发表于 2013-1-10 20:56:49 | 显示全部楼层 来自: 中国内蒙古鄂尔多斯
S0501 发表于 2012-12-31 16:51 static/image/common/back.gif3 n6 F0 d# t: J
工程图的标注是根据模型的草图标注来的,你在模型中怎么标注,工程图就是怎样的!插入模型项目。
" i+ t' J. j4 ]  S: ~9 ~跟模板 ...
3 Q. s' X1 l7 {! M0 z. U6 V, ^
谢谢!又学了一招
发表回复
您需要登录后才可以回帖 登录 | 注册

本版积分规则


Licensed Copyright © 2016-2020 http://www.3dportal.cn/ All Rights Reserved 京 ICP备13008828号

小黑屋|手机版|Archiver|三维网 ( 京ICP备2023026364号-1 )

快速回复 返回顶部 返回列表