QQ登录

只需一步,快速开始

登录 | 注册 | 找回密码

三维网

 找回密码
 注册

QQ登录

只需一步,快速开始

展开

通知     

查看: 5514|回复: 30
收起左侧

[已解决] solidworks出工程图

[复制链接]
发表于 2006-7-7 17:36:49 | 显示全部楼层 |阅读模式 来自: 中国浙江温州

马上注册,结识高手,享用更多资源,轻松玩转三维网社区。

您需要 登录 才可以下载或查看,没有帐号?注册

x
使用SW也2年了,但从未出过工程图,现在因设计需要,想改用SW出工程图(因为数据不关联,容易出错,而且导到AutoCAD中,要进行很大的改动,麻烦,还不如我直接用AutoCAD重新画一个快呢!).不知你们是怎样出工程图的?
发表于 2006-7-8 07:38:40 | 显示全部楼层 来自: 中国浙江温州
传说中的沙发?感觉太妙了
# T0 A4 A) h5 \8 c% r
. z: L- z' y" n! K不知你是什么意思?是说不会做还是想改变做的方法?- L; l! V4 _7 \# c  \
) `) z* E" J3 s" g3 ]7 A% w0 E- r
俺这个笨鸟是直接用论坛的工程图模板,打开零件,拖出想要的视图,标注尺寸(俺不用自动标注,不方便感觉),加注解……
) \" A+ U* b& ?4 W) m. f. g" V7 F8 p7 \* c: e
就是这么做的
发表于 2006-7-8 08:44:43 | 显示全部楼层 来自: 中国北京
笨笨已经使用SW出图2年了,虽然不多,但是并没有感觉不好用的啊。
 楼主| 发表于 2006-7-8 10:39:11 | 显示全部楼层 来自: 中国浙江温州
我是想直接用三维软件出二维图,不再用AutoCAD出图。没用过SW出二维图,不太会用,想请教各位高手是怎么做的。能不能做出跟AutoCAD一样的二维图?还有Pro-E和SW哪个出二维图比较好?
发表于 2006-7-8 12:08:05 | 显示全部楼层 来自: 中国上海
原帖由 SW笨笨 于 2006-7-8 08:44 发表
- ?1 R) \/ Z; Y) a6 Y5 M笨笨已经使用SW出图2年了,虽然不多,但是并没有感觉不好用的啊。
& C8 S4 D5 c! @* w' S- O$ q& V) t

+ f! Y" J0 n5 m借此贴,向向笨笨请教一个问题,利用三维模形如何做出符合国标的链轮,齿轮工程图。若还能符合,又是如何折中的。谢谢。
发表于 2006-7-8 13:38:26 | 显示全部楼层 来自: 中国广东东莞
用SW也达得到ATUOCAD的效果,可能你还没有找到方法
发表于 2006-7-8 13:41:44 | 显示全部楼层 来自: 中国江苏南通
SW出的工程图还是不错的,多下点功夫就行了
 楼主| 发表于 2006-7-8 14:01:39 | 显示全部楼层 来自: 中国浙江温州
各位高手能不能贴出几张SW出的符合图家标准的工程图呢?让我看一下SW工程图方面的能力!还有SW是否要像AutoCAD一样,安装一些插件呀?
头像被屏蔽
发表于 2006-7-8 14:17:44 | 显示全部楼层 来自: 中国四川成都
提示: 作者被禁止或删除 内容自动屏蔽
发表于 2006-7-8 14:35:23 | 显示全部楼层 来自: 中国广东深圳
原帖由 guoping 于 2006-7-8 14:01 发表
% Y' n$ l+ b! Y6 w; x8 ?. D& ]4 @各位高手能不能贴出几张SW出的符合图家标准的工程图呢?让我看一下SW工程图方面的能力!还有SW是否要像AutoCAD一样,安装一些插件呀?

; `* r. R% x/ B% G4 o2 H+ `' z" m& o# e( N: v$ W8 N0 i
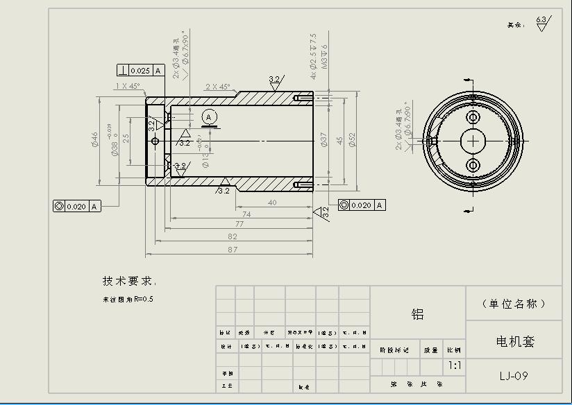
未命名.JPG
 楼主| 发表于 2006-7-8 15:20:08 | 显示全部楼层 来自: 中国浙江温州
多谢楼上的版主!
, w: S' W& T8 [3 C' P  K我还想问一下,你这需不需要安装插件呀?还是只要自己设置一下,就可以了?(很多都不懂,还请见谅!)
发表于 2006-7-8 15:29:34 | 显示全部楼层 来自: 中国吉林长春
论坛里有国标图纸你下一下就可以了!主要是图纸的问题!sw很中国gb化了!不象proe就是选择了中国大陆连第三视角还没改成第一视角都还要自己改动!这种大问题还能出现郁闷呀!呵呵指的是2.0,3.0没用过不知道改过来了没有!
 楼主| 发表于 2006-7-8 15:56:52 | 显示全部楼层 来自: 中国浙江温州
楼上的zyw0303114,你用过Pro-E,我想问你Pro-E和SW那个出工程图比较好?
发表于 2006-7-8 16:01:46 | 显示全部楼层 来自: 中国内蒙古呼和浩特
我觉得比AUTOCAD好用多了。
发表于 2006-7-8 16:17:06 | 显示全部楼层 来自: 中国辽宁鞍山
对于要求不高的图可以直接使用SW出图!
发表于 2006-7-8 16:39:20 | 显示全部楼层 来自: 中国浙江温州
原帖由 SW笨笨 于 2006-7-8 08:44 发表
# h+ ?$ V( w' x/ U笨笨已经使用SW出图2年了,虽然不多,但是并没有感觉不好用的啊。
( {. P1 q  h# d
' ]) G( d5 L' r: Y% L% C) S
不知道高手出SW工程图,尺寸是自动标注,还是手动的标?8 f$ {) _9 D9 b5 b# ?% H; M
* e0 _0 |2 {% @- d
我用自动的标的话,乱七八糟,手动的标又太麻烦,况且手动的标后,在零件更改后其尺寸不会更新,郁闷
 楼主| 发表于 2006-7-9 10:42:33 | 显示全部楼层 来自: 中国浙江温州
高手怎么不赐教了呀!我想知道你们工程图是怎么出的!谢了!
发表于 2006-7-9 17:14:34 | 显示全部楼层 来自: 中国浙江温州
原帖由 guoping 于 2006-7-9 10:42 发表$ @1 ]6 S4 Z. R& d% A4 j4 G& F
高手怎么不赐教了呀!我想知道你们工程图是怎么出的!谢了!
! U$ G+ v/ w- E0 F* g$ E7 q& q
' M- q- z6 p( x
你什么意思?不会用是吗?- m, Y& Y! y+ `1 K6 g& ]" q0 {
$ n# [) D6 f. n) u8 R
参照SW的在线指导教程,一步步的做,就可做个初级的工程图了,其它的慢慢再进步了,常到论坛来转转,收获会很大的。
发表于 2006-7-9 19:41:33 | 显示全部楼层 来自: 中国上海
原帖由 guoping 于 2006-7-9 10:42 发表
; u: S/ w5 h2 Y% x: _! z: o- [高手怎么不赐教了呀!我想知道你们工程图是怎么出的!谢了!
4 i. d8 U* w, k, Y) `
; O( ?% x* D4 b6 T8 t$ \# v# T
前面的朋友不是已经说了很多了么,实践出真知,现在是你去试试看的时候了,碰到具体的问题再提出来,别人才能针对性的回答你。有一点可以告诉你,SW 与 Pro/E 各有特点,但是仅从出工程图来说,一般反映还是 SW 方便一些。总之,对于一般的工程图 SW 是完全胜任的,而且肯定比 ACAD 要方便得多。
发表于 2006-7-9 20:08:24 | 显示全部楼层 来自: 中国江苏徐州
出图到是不难,就是标注太麻烦了!
发表于 2006-7-10 00:00:00 | 显示全部楼层 来自: 中国广东深圳
高手请赐教了,如何在工程图中自动涮出加工注解?
发表于 2006-7-10 09:30:22 | 显示全部楼层 来自: 中国广东深圳
原帖由 SWSWSWsw 于 2006-7-8 12:08 发表
. @3 S4 E- J  ~. z  @% J$ w1 D# ?; j* ]; u0 ^! _  t* }
2 ^/ \# M9 W+ K: S* ~" X
借此贴,向向笨笨请教一个问题,利用三维模形如何做出符合国标的链轮,齿轮工程图。若还能符合,又是如何折中的。谢谢。

7 Y+ i( y9 y/ i. R3 p
2 s9 j5 E5 x& b6 i2 b使用SW不能做符合国标的链轮齿轮的工程图,如果真要做的话,可以使用配制,不过有点烦!
 楼主| 发表于 2006-7-13 13:59:07 | 显示全部楼层 来自: 中国浙江温州
我用SW画了一些工程图,但在标注上不容易控制尺寸的位置,不知道你们是怎么做的呢?还有我想做一种图,一半是左视图,一半是剖面图,用SW能做出来吗?
发表于 2006-7-13 20:13:04 | 显示全部楼层 来自: 中国浙江湖州

出工程图

首先要工程图模板与SW 连接.
5 w& O6 o( E- P- \选项\文件位置\(显示下项的文件夹)图纸格式\添加(找到工程图模板文件加)# y* Z8 e8 l, \- A1 X* Y
标注自己感觉手工比较合适
 楼主| 发表于 2006-7-16 14:33:49 | 显示全部楼层 来自: 中国浙江温州
现在遇到个问题,请高手帮助!如何使装配体的工程图中的零件不完全剖开(例如只单剖一个零件)?
发表回复
您需要登录后才可以回帖 登录 | 注册

本版积分规则


Licensed Copyright © 2016-2020 http://www.3dportal.cn/ All Rights Reserved 京 ICP备13008828号

小黑屋|手机版|Archiver|三维网 ( 京ICP备2023026364号-1 )

快速回复 返回顶部 返回列表