QQ登录

只需一步,快速开始

登录 | 注册 | 找回密码

三维网

 找回密码
 注册

QQ登录

只需一步,快速开始

展开

通知     

查看: 10387|回复: 60
收起左侧

[练习题] 造型练习1

[复制链接]
发表于 2013-1-8 00:29:17 | 显示全部楼层 |阅读模式 来自: 中国江西南昌

马上注册,结识高手,享用更多资源,轻松玩转三维网社区。

您需要 登录 才可以下载或查看,没有帐号?注册

x
本帖最后由 2005llnn 于 2013-3-2 19:43 编辑 1 Q4 S9 ]  J# V, J7 a

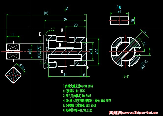
; I# `7 ?' c2 J3 u1 O: c1 O造型练习1) k- n. }" _, P7 c
造型-1.PNG 7 {8 \. |3 N9 c( @

0 Q) ~! v) R, T: m

评分

参与人数 2三维币 +30 收起 理由
woaishuijia + 20 入选CAD几何作图竞赛题系列
2005llnn + 10 提供作图练习

查看全部评分

发表于 2013-1-16 11:29:42 | 显示全部楼层 来自: 中国广西百色
本帖最后由 woaishuijia 于 2013-1-24 00:17 编辑 4 Z0 Z3 s. ^6 _+ G# ^

' _, {  ?* k: d4 x  j9 WCA D几何作图竞赛题(2013年1月),至1月23日止% O9 D, W# F7 n' p" {

- A; u4 c4 L9 H8 n1 M1 @% D4 O6 h一.竞赛题目(参见附图)
5 U6 z1 k. c5 v8 Z" G, Z. j
  N+ Q" b: P# `造型练习1
7 C2 @9 x$ ~+ F) ?
+ k! Z: M5 p, v5 n7 y用AutoCAD作图法求出该题要求的5个数值及一个三维几何题数值 。
( c1 g$ C" }( b2 q8 n7 A/ R% ?) c9 y* ]
尺寸精度要求精确到小数点后4位。角度单位必须使用十进制度数,不得使用度/分/秒,百分度和弧度,精度也要求精确到小数点后4位。三维几何题数值尺寸精度要求精确到小数点后1位。 4 _/ r9 n" `5 K6 T! j( Y

! {( [. I: c* _/ h" f二. 竞赛要求
- a' G: o! T4 H! f* V' u1 l) Q; n$ q2 \5 T( T
会员、技术团队成员都可以参加,版主不参加,使用AutoCAD、ACM和MDT二维软件,3 D& d+ z1 X# r
在规定时间内将作出的图通过jpg附件在本主题下跟帖发表,只提供数值而没有所作图的截图或dwg附件,将不予评奖。   S: @8 O5 I7 l9 a4 x
阅读权限定为最高权限。活动结束后由版主统一取消阅读权限。
/ Y, m: B6 @* Y' {& _3 I. S  S禁止会员利用马甲一起参赛,发现将严惩。- y" @& I! l# O, u- k
/ s5 ?7 U  U6 d. s8 K7 m' D% y
三.竞赛时间+ o. F# O3 r# _' c% t8 V
$ }) t7 N* J, v0 w6 r
2013年1月16日至2013年1月23日。
! O+ w+ o- L8 G. ~5 h; y+ L+ S. {& y% l  ^: z( r) a; @
四. 评选时间及方法. O( j1 v; N* q

: I* d, |8 j% w* C& Z+ _6 z/ L5 K& X2013年1月24日-2013年1月26日,由三维网技术论坛CAD版块版主为评委,内部评选出各奖项。
& {+ D9 [, k3 f- W" L
  T- x5 a' m; C/ q  F; f: ]& }五.奖励2 }, p' C9 l9 @. t6 }& h
! x" D! V- b8 r* U1 Y/ p3 d! M. q
1、一等奖:5题全对奖励三维币50; 3 h, w4 N& J1 ^; j, D5 x
2、二等奖:答对4题奖励三维币40;
6 B/ q9 P: h8 A& p3、三等奖:答对3题奖励三维币30; 9 W/ `1 d/ V* `# s5 G0 n: v
4、四等奖:答对2题奖励三维币20; ) H9 T" G. ?9 e
5、五等奖:答对1题奖励三维币10;
% J( G$ q+ z7 a, o+ u6、三维奖:答对三维几何题奖励三维币30;
/ j, y8 f7 I" A- ]3 n% G- h7、作图基本符合要求者先各奖励5个三维币;% j5 o" ?, t. Q$ V+ `
8、根据竞赛实际情况会对奖励规则进行适当修改。4 m5 T7 m) Y/ m, v9 w; }* @

. v) A4 w, O& K" d& |' S; x4 ^. ?
" g4 v  J. o& k六.其它; H, T1 D: ^. g& @7 r4 u" a. U# L
# {  B% ~* M, H* u
竞赛结束后在本帖发回复帖进行点评和讨论' t3 l+ j5 |! D* r4 v: S5 z

, i0 o" U0 r8 A9 A5 a  K# _  ?竞赛已结束,初步评定成绩见下表,标准答案参见本帖附件,请参赛网友自行核对成绩.如有异议,请于三日内在本主题帖后跟帖说明,三日后正式颂布奖励.1 ]0 r  P" i% ~# @( e- c# x) T
楼层
用户名
A
B
C
D
E
F
正确数
标准答案
30.2857
10.2775
68.8186
110.2125
593.7448
61139.4
 
3
hbzyzyc
30.2857
10.2775
68.8186
110.2125
593.7448
61139.4
6
4
lxf325
30.2857
10.2775
68.8186
110.1937
593.7448
60399.3
4
5
周富铸
30.2857
10.2775
68.8186
110.2125
593.7448
61139.4
6
6
pppsheng
30.2857
10.2775
68.8186
110.1937
541.156
63033.3
3
7
qq625267377
36.5714
10.1682
71.218
113.5162
738.0809
71741.2
0
8
yuansyou
30.2857
10.2775
68.8186
110.1937
593.7448
 
4
9
flowerinrr
36.5714
10.2468
71.218
113.5162
686.7886
71446.9
0
10
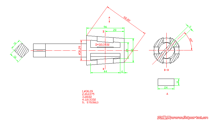
八根
30.29
10.2275
68.82
110.3332
575.5813
 
0
11
yj9640
30.2857
10.257
68.8186
110.2867
593.8724
 
2
12
liboloveg
30.2857
10.2779
68.8186
110.2044
593.7667
61142.5
2
13
houchedating
30.2857
10.2779
68.8186
110.2044
593.7667
61142.5
2
14
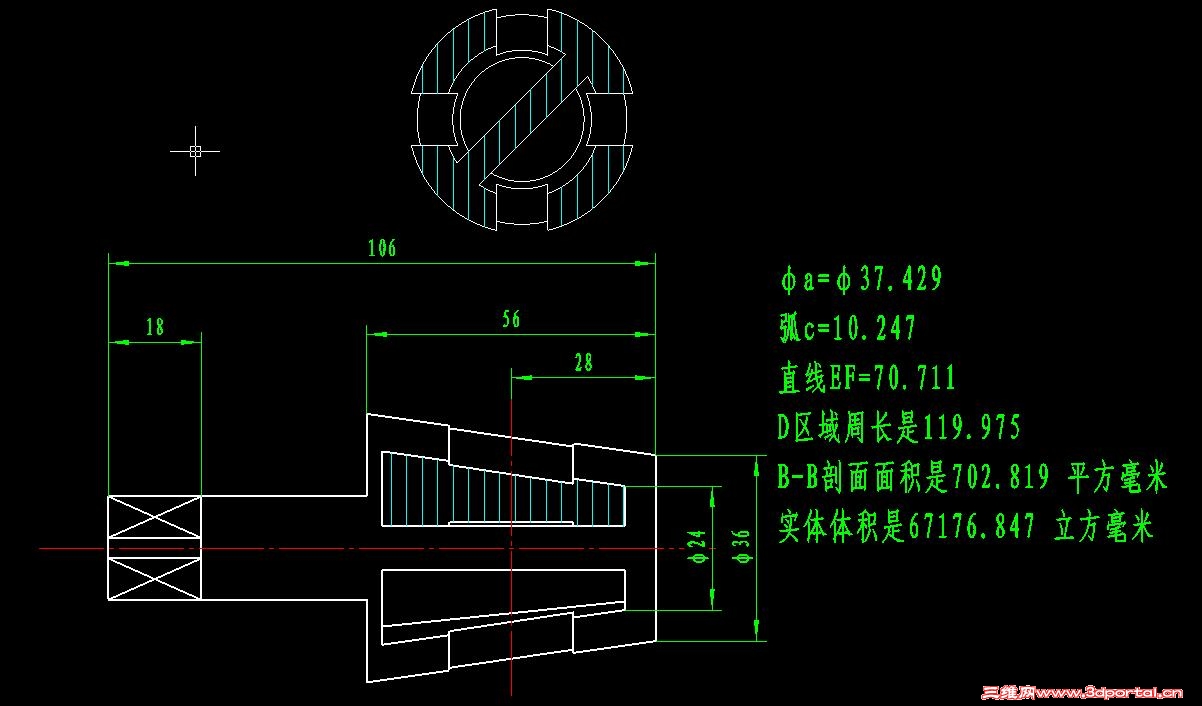
moonyuemo
37.429
10.247
70.711
119.975
702.819
67176.8
0
15
huanle108
30.2857
10.2775
68.8186
108.6978
593.7448
61139.2
4
16
yunfei2046
30.2857
10.2775
68.8186
110.1937
593.7448
61139.4
5
17
wheasy027
30.2857
10.2775
68.8186
109.9987
392.0558
61104.6
3
18
啊肆11
30.2857
10.2775
68.8186
110.1937
593.7448
 
4
19
凤九天
30.2857
10.2775
68.8186
110.3332
593.7448
 
4
20
wangzai725
30.2857
10.2775
68.8186
110.3332
593.7448
61139.4
5
21
ysryc99001
30.2857
10.2775
68.8186
110.2125
593.7427
61135.5
4
22
gerald_lee
36.5714
10.284
71.218
112.1296
724.6902
 
0
23
ct4273
36.5714
10.2468
71.218
113.6913
738.0863
70310.2
0
24
幸福_真好
36.57
5.12
71.22
56.76
184.51
71523.6
0
25
xuyanrong
28.7143
10.2861
68.2422
109.4319
560.3731
58766
0
26
chenqi
30.2857
10.2775
68.8186
110.2125
593.7448
61139.4
6
27
zjc1386188
30.2857
10.2775
68.8186
110.2125
593.7448
60399.3
5
28
烟Oo头
30.2857
10.2775
68.8186
110.204
593.7448
 
4
29
liliulaoda
30.2857
10.2779
68.8186
110.2044
593.7667
61142.5
2
30
hailangldf
30.2857
10.2775
68.8186
110.0725
593.7443
 
3
31
塔山817
36.5767
10.2467
71.5553
113.4654
738.0145
 
0
32
liulanlan422
30.2857
10.2779
68.8186
110.2044
593.7667
61142.5
2
33
大隐于市
30.2857
10.2775
68.8186
110.2125
593.7448
61138.3
5
34
王老大先生
30.2857
10.2775
68.8186
110.3332
593.7448
61139.4
5
35
sh_mrhg
36.5714
10.2161
71.218
113.4604
738.0863
67115
0
36
fish2
30.2857
10.2775
68.8186
110.0725
593.7443
 
3
37
cloudpeng
28.7143
 
68.2422
109.5303
560.3731
60573.9
0
38
gongwen0519
30.2857
10.2775
68.8186
110.2125
215.1541
61139.3
4
39
cyanapple721
30.2857
10.2775
68.8186
110.1937
593.7448
 
4
40
gsyefeng
30.2857
10.2775
68.8186
110.2125
477.1412
61139.4
5
41
林主0598
30.2857
10.2775
68.8186
110.1937
593.7448
 
4
42
皮卡丘2007
30.2857
10.2775
68.8186
110.3332
593.7448
 
4
注:表中文字为红色者,代表答案错误;空白者代表未提供答案或答案不明确

竞赛评分.rar

67.63 KB, 下载次数: 34

发表于 2013-1-16 15:38:50 | 显示全部楼层 来自: 中国广东韶关
本帖最后由 woaishuijia 于 2013-1-24 00:19 编辑 9 B: G) e: S7 z

% z( {% x- R$ e$ G7 u练习4 e& [! g8 v+ x
练习.jpg ! g  I- C! j" X1 w7 w

& l- K. y+ [# _- m
2 I5 L) G. T& z7 E$ r( o8 k. ^

评分

参与人数 2三维币 +85 收起 理由
2005llnn + 80 一等奖+三维奖
woaishuijia + 5 参与鼓励

查看全部评分

发表于 2013-1-16 20:07:29 | 显示全部楼层 来自: 中国浙江台州
本帖最后由 woaishuijia 于 2013-1-24 00:19 编辑 / K6 j3 k( ?! E$ k# }

4 X$ m0 D% Y1 |% H* v: c1 m 201301.jpg 9 i5 c- c' \2 s! V. U9 N' R! _2 H

: J' Y5 W) U9 _: A# v 20130116.jpg 交作业了,不知这次能对多少  Y0 O  E% p- T5 C4 x

0 l  s2 `* b' `" N% l' m

评分

参与人数 2三维币 +45 收起 理由
2005llnn + 40 二等奖
woaishuijia + 5 参与鼓励

查看全部评分

发表于 2013-1-16 21:04:30 | 显示全部楼层 来自: 中国广东中山
本帖最后由 woaishuijia 于 2013-1-24 00:19 编辑 # ^) n. J8 g6 V1 F$ w
5 a# z) m# T) g/ \
交作业了,感觉好难
1234.jpg

造型练习1.rar

33.61 KB, 下载次数: 20

评分

参与人数 2三维币 +85 收起 理由
2005llnn + 80 一等奖+三维奖
woaishuijia + 5 参与鼓励

查看全部评分

发表于 2013-1-17 09:47:16 | 显示全部楼层 来自: 中国北京
本帖最后由 woaishuijia 于 2013-1-24 00:19 编辑 ! Z) n' r2 C( p6 S$ t/ W: n
- l& `% K6 t1 _, _& t. {! |
来了,不知道对不对。( X: |9 R' H' h# Z
练习.jpg 3 a) {1 `3 y; l( e# |) p: v
' f* z+ o- J# z2 E, [

% e( I8 u2 i& ^+ Y) a) |# L3 \

评分

参与人数 2三维币 +35 收起 理由
2005llnn + 30 三等奖
woaishuijia + 5 参与鼓励

查看全部评分

发表于 2013-1-17 10:26:11 | 显示全部楼层 来自: 中国浙江温州
本帖最后由 woaishuijia 于 2013-1-24 00:20 编辑
# p( X6 b" [  N/ R6 k
+ u! ?' P5 j& S& A$ H2013年1月份 报道做题
% t  K3 Y; |8 L9 k不太会用cad三维 尤其查数据的方法 希望有个好成绩4 R. p: j# R  i0 F' t# Q& K3 _! P( v
答案.jpg , f. {1 X" I6 O% v7 R
三维实体.jpg

2013-1月 三维竞赛题.rar

118.16 KB, 下载次数: 7

评分

参与人数 1三维币 +5 收起 理由
woaishuijia + 5 参与鼓励

查看全部评分

发表于 2013-1-17 10:28:25 | 显示全部楼层 来自: 中国山东烟台
本帖最后由 woaishuijia 于 2013-1-24 00:20 编辑   L) h, F9 T. B$ ~8 Y
5 R4 W& n. ~, u( O. H
20130117.png
1 W& `0 {8 U( u' K5 [' p

评分

参与人数 2三维币 +45 收起 理由
2005llnn + 40 二等奖
woaishuijia + 5 参与鼓励

查看全部评分

发表于 2013-1-17 10:47:34 | 显示全部楼层 来自: 中国天津
本帖最后由 woaishuijia 于 2013-1-24 00:20 编辑
; F- h3 w6 {! _6 t# e, f" p& n! h5 H( w9 @
来回交叉画圆,又回划线找交点, 脑袋都大了 呵呵
4 N* J! E/ _0 O1 G8 g: L( a3 J IMG130117-02.jpg
. \+ c& J$ l3 o) E+ v, p5 M( V, T
带上一张 3维图 增加点印象分 呵呵
$ w) R6 n% u2 }+ J1 ?+ e) w; e7 E  @8 R) O% b, n' b- c! q
IMG130117-03.jpg * a% x1 U: \( N' F0 m

5 g, G6 M+ p/ ?. M: r% e; h" m, t

评分

参与人数 1三维币 +5 收起 理由
woaishuijia + 5 参与鼓励

查看全部评分

发表于 2013-1-17 10:51:37 | 显示全部楼层 来自: 中国广东广州
本帖最后由 woaishuijia 于 2013-1-24 00:21 编辑 ! y# R) Z) u% V" n8 ~5 }& V6 o4 C
$ d3 b, M0 F( }6 V
不知道对不对,做了一下   嘿嘿
. [* ~4 P- I1 i5 A, I; R8 q QQ截图20130117105039.png
5 O/ I' R" m* O7 p+ U
! t- g  ~' {8 D4 B8 b0 C' }

评分

参与人数 1三维币 +5 收起 理由
woaishuijia + 5 参与鼓励

查看全部评分

发表于 2013-1-17 11:49:08 | 显示全部楼层 来自: 中国湖北武汉
本帖最后由 woaishuijia 于 2013-1-24 00:22 编辑
0 ?% |4 C9 w% y4 E) d" I( m3 E* k7 \* p- I8 b
未命名.jpg
1 z# }6 ?3 Y& Y  r1 h& p
6 M2 C" Z/ s$ r; c" A, @( j  {: v* q

3 b* o- W0 ?5 V( a( Z9 c, |+ w9 E( o7 W+ V# h7 D

* I8 \, s& H4 }5 _* ~晕了,这个实体不知道弄,体积就不算了。。。。,别的也不知道对不对。。。。. p" l! Z) E- {$ ~6 R  P

评分

参与人数 2三维币 +25 收起 理由
2005llnn + 20 四等奖
woaishuijia + 5 参与鼓励

查看全部评分

发表于 2013-1-17 12:14:47 | 显示全部楼层 来自: 中国北京
本帖最后由 woaishuijia 于 2013-1-24 00:22 编辑
7 J. R+ ?' B) _: o) ^* f6 R- D0 u2 R4 r4 L! F& x& h/ M
lianxi.jpg $ @. a. A$ d2 \; g1 M

1 B1 N+ \" h" ~8 p2 J4 T重在参与。。。。。。

评分

参与人数 2三维币 +25 收起 理由
2005llnn + 20 四等奖
woaishuijia + 5 参与鼓励

查看全部评分

发表于 2013-1-17 13:15:41 | 显示全部楼层 来自: 中国北京
本帖最后由 woaishuijia 于 2013-1-24 00:22 编辑 ' y2 t7 A, i+ {3 X- p  C! v' y2 J

+ b9 R) c. P8 v( V/ \ ht.jpg 3 c  E% r2 h# A$ p

, G& U) W8 C- h( X3 h# V0 A交作业4 [& v" P7 U+ x4 l" _( i' X  C

评分

参与人数 2三维币 +25 收起 理由
2005llnn + 20 四等奖
woaishuijia + 5 参与鼓励

查看全部评分

发表于 2013-1-17 14:28:31 | 显示全部楼层 来自: 中国上海
本帖最后由 woaishuijia 于 2013-1-24 00:22 编辑 * Q$ ~2 }' U; A& U' _3 W! J

" w7 O' D. A1 B+ A' o不知道这次能对多少
, k9 T/ s- t8 T2 F 201301.JPG

评分

参与人数 1三维币 +5 收起 理由
woaishuijia + 5 参与鼓励

查看全部评分

发表于 2013-1-17 15:20:30 | 显示全部楼层 来自: 中国山东德州
本帖最后由 woaishuijia 于 2013-1-24 00:23 编辑 * ~5 W* h! Q; i6 `2 b% e

6 _* i# B  o$ V2 C) ?头一回做,不知道对不对 造型练习.jpg
1 M9 i# [/ y: o! \5 t1 I; _5 k8 {" f& a

造型练习.rar

43.06 KB, 下载次数: 2

评分

参与人数 2三维币 +45 收起 理由
2005llnn + 40 二等奖
woaishuijia + 5 参与鼓励

查看全部评分

发表于 2013-1-17 15:46:55 | 显示全部楼层 来自: 中国江苏无锡
本帖最后由 woaishuijia 于 2013-1-24 00:23 编辑 1 Z$ T8 a. ]* f7 I9 z, ]0 k2 C: O
1 Q+ y1 V3 R; P# c* v6 i. M) M3 y
201301.jpg 7 S# o6 T0 i$ O) m. L5 h* B3 v7 j
- u* K* z) @, q
参与一下,共同进步!!
. P$ a6 Y8 N7 ?2 u% _" p; H

评分

参与人数 2三维币 +75 收起 理由
2005llnn + 70 二等奖+三维奖
woaishuijia + 5 参与鼓励

查看全部评分

发表于 2013-1-17 16:20:02 | 显示全部楼层 来自: 中国湖北武汉
本帖最后由 woaishuijia 于 2013-1-24 00:23 编辑
" e7 i- I( P8 i' ?# o% K8 a3 h" C* w9 d0 H" Y. `4 E( i$ Z
2013年第一期,加油!5 @2 N# @5 D8 S

- f/ u+ b4 d# F" Y- }3 n( [
/ ^: C; l* T  z+ K6 P 201301CAD-wheasy027.pdf (123.93 KB, 下载次数: 1)

评分

参与人数 2三维币 +35 收起 理由
2005llnn + 30 三等奖
woaishuijia + 5 参与鼓励

查看全部评分

发表于 2013-1-17 16:30:25 | 显示全部楼层 来自: 中国广东广州
本帖最后由 woaishuijia 于 2013-1-24 00:24 编辑 / ?, A/ s2 X+ k% z9 C( F
0 ]+ Y0 ~" `  Q  F# _* V
第一次参与.jpg
' A" o' p! b9 M& `0 x' O0 \8 t) f+ z没学CAD三维,不知道体积要不要通过三维计算出来,第一次参与,希望不要错太多

评分

参与人数 2三维币 +45 收起 理由
2005llnn + 40 二等奖
woaishuijia + 5 参与鼓励

查看全部评分

发表于 2013-1-17 20:28:17 | 显示全部楼层 来自: 中国山东青岛
本帖最后由 woaishuijia 于 2013-1-24 00:25 编辑
# K: `& y. w, {) g
) ^! J; j: @* J) v. J  b1 a" x新年第一题,抱歉没用autocad 做过三维,体积没算出来
  w" z+ E0 ?  U 2013-01-18.jpg

评分

参与人数 2三维币 +45 收起 理由
2005llnn + 40 二等奖
woaishuijia + 5 参与鼓励

查看全部评分

发表于 2013-1-18 09:28:56 | 显示全部楼层 来自: 中国浙江宁波
本帖最后由 woaishuijia 于 2013-1-24 00:25 编辑 0 L: X4 H$ B8 \: t
- t* M8 j- h3 e5 k! H
上班太忙,中午休息抽空画的,相信这次没问题!!!# [* Q& x  r- e9 A8 ]
QQ截图20130118092426.jpg

201301.rar

132.33 KB, 下载次数: 2

评分

参与人数 2三维币 +75 收起 理由
2005llnn + 70 二等奖+三维奖
woaishuijia + 5 参与鼓励

查看全部评分

发表于 2013-1-18 09:32:46 | 显示全部楼层 来自: 中国安徽合肥
本帖最后由 woaishuijia 于 2013-1-24 00:25 编辑
7 O& V3 A+ M: e$ w7 K- @4 v) B* E* Y
重在参与,努力提高CAD绘图技能。
) ?9 |2 p& k) i% x8 C' Y, M9 Z 造型1.JPG

造型1.rar

177.95 KB, 下载次数: 9

评分

参与人数 2三维币 +45 收起 理由
2005llnn + 40 二等奖
woaishuijia + 5 参与鼓励

查看全部评分

发表于 2013-1-18 10:24:33 | 显示全部楼层 来自: 中国天津
本帖最后由 woaishuijia 于 2013-1-24 00:25 编辑
/ ]% _& O& h8 F" l' V3 A1 S/ E  N6 g. W
本月作业!
- r# Q9 s! @' a1 h6 A# R/ O6 p. e$ V 8KPKIDQ72OHS0010.jpg
2 v) Z% n' w  @* b' k: K5 B7 L( ~; y( u2 F) I% b3 U; }/ Y7 o4 F

评分

参与人数 1三维币 +5 收起 理由
woaishuijia + 5 参与鼓励

查看全部评分

发表于 2013-1-18 10:44:22 | 显示全部楼层 来自: 中国山东淄博
本帖最后由 woaishuijia 于 2013-1-24 00:26 编辑 , R% L6 r" i: h0 ?
; ]/ u- n% {' Q% [$ t/ W" q' a
交作业,不知道对不对。好难
) t7 E5 m  R0 e" g# A2 ` 造型练习3.jpg
! m2 H- O/ I) x3 ?  U# @) ^/ J 造型练习.jpg - b) ]$ v, `8 |, `' I
造型练习2.jpg ( ]' c/ v+ L3 l# V. q  A- }2 }( x
5 |* V7 i; e4 G1 \

评分

参与人数 1三维币 +5 收起 理由
woaishuijia + 5 参与鼓励

查看全部评分

发表于 2013-1-18 12:23:13 | 显示全部楼层 来自: 中国上海
本帖最后由 woaishuijia 于 2013-1-24 00:26 编辑
  ?: V2 q# E: V' k3 A! r% Q5 r1 Q8 ]6 [2 I( j* j! Y! Y$ ]
交作业,希望有个好成绩。
. J  N3 s/ |) U" @2 f" K5 F; P: ]" M" P- r$ P' S
联系解答-1.PNG
' x" W& S3 E4 ^: N4 x5 d; } 作业.zip (76.35 KB, 下载次数: 1)

评分

参与人数 1三维币 +5 收起 理由
woaishuijia + 5 参与鼓励

查看全部评分

发表于 2013-1-18 19:28:54 | 显示全部楼层 来自: 中国广东东莞
本帖最后由 woaishuijia 于 2013-1-24 00:26 编辑
9 L- Y! Y8 Z3 B% c" `: y9 B2 C* E) h2 n6 x
2013年1月竞赛题.jpg
* @& a6 i) W6 T( N( g0 h& b9 j8 D# j, h0 E+ |
交作业了。。。。。

评分

参与人数 1三维币 +5 收起 理由
woaishuijia + 5 参与鼓励

查看全部评分

发表回复
您需要登录后才可以回帖 登录 | 注册

本版积分规则


Licensed Copyright © 2016-2020 http://www.3dportal.cn/ All Rights Reserved 京 ICP备13008828号

小黑屋|手机版|Archiver|三维网 ( 京ICP备2023026364号-1 )

快速回复 返回顶部 返回列表