QQ登录

只需一步,快速开始

登录 | 注册 | 找回密码

三维网

 找回密码
 注册

QQ登录

只需一步,快速开始

展开

通知     

查看: 3195|回复: 24
收起左侧

[分享] 机械设计课程设计cad装配图

[复制链接]
发表于 2013-1-18 17:16:17 | 显示全部楼层 |阅读模式 来自: 中国江西南昌

马上注册,结识高手,享用更多资源,轻松玩转三维网社区。

您需要 登录 才可以下载或查看,没有帐号?注册

x
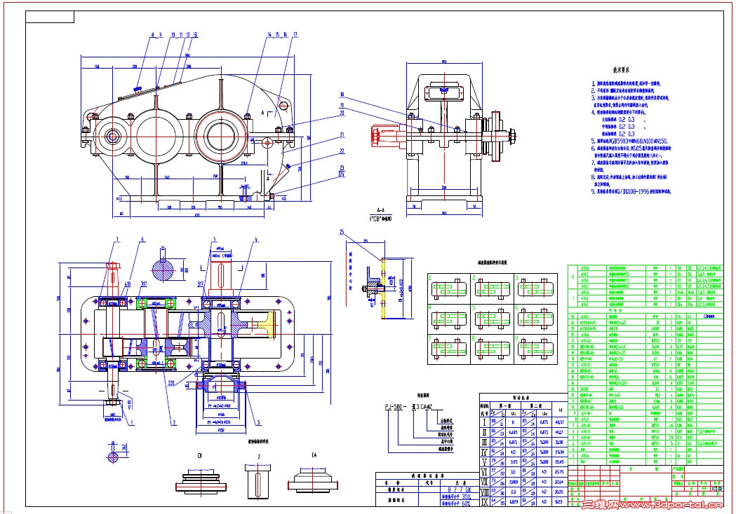
画了两三天的; j* ^  {, d8 x8 e( w3 A
未命名.jpg

减速箱.rar

195.5 KB, 下载次数: 113

发表于 2013-1-18 17:26:21 | 显示全部楼层 来自: 中国山东德州
当年毕业设计画他画了一个礼拜,看到他想起当年毕业前忙活画图的事情了
 楼主| 发表于 2013-1-18 17:35:24 | 显示全部楼层 来自: 中国江西南昌
呵呵,是前辈啊!不知道我们机械男毕业后的路怎样
发表于 2013-1-19 16:31:58 | 显示全部楼层 来自: 中国台湾
城外 发表于 2013-1-18 17:35 static/image/common/back.gif
/ U% X# o# l% l* a8 ~* C5 y, P' [呵呵,是前辈啊!不知道我们机械男毕业后的路怎样

! n. D* i6 _# N  j传统产业吃不饱饿不死
 楼主| 发表于 2013-1-20 19:05:31 | 显示全部楼层 来自: 中国江西南昌
说实话,在学校就看不到前途
发表于 2013-1-20 20:31:49 | 显示全部楼层 来自: 中国北京
机械有什么不好啊,问题是你如何看待的问题
发表于 2013-1-20 20:47:31 | 显示全部楼层 来自: 中国福建莆田
嗯  画得不错  鼓励一下
发表于 2013-1-21 08:47:05 | 显示全部楼层 来自: 中国北京
做纯技术,很辛苦,而且能力再强也是拿点死工资。
 楼主| 发表于 2013-1-21 22:29:15 | 显示全部楼层 来自: 中国江西南昌
美丽的香格里拉 发表于 2013-1-20 20:31 static/image/common/back.gif
: e9 o5 K: l7 G机械有什么不好啊,问题是你如何看待的问题
3 J# G5 x( s3 W3 K2 P2 c
我挺喜欢机械的,只不过以学生的角度讲,真不喜欢学校的教学方式
发表于 2013-1-23 12:46:40 | 显示全部楼层 来自: 中国陕西汉中
单级减速器啊,一般学校都会让画双极的或是蜗杆的
发表于 2013-1-23 14:41:48 | 显示全部楼层 来自: 中国浙江台州
机械这都东西要不断创新才有前途,单单的画个图,那就没钱途了
发表于 2013-1-24 15:34:26 | 显示全部楼层 来自: 中国辽宁沈阳
只要你牛,其它的都不是问题。
发表于 2013-6-13 08:01:56 | 显示全部楼层 来自: 中国广东广州
哥也画过,马马虎虎
发表于 2013-6-13 22:06:28 | 显示全部楼层 来自: 中国河南郑州
看到他真的想起当年毕业前忙活画图的事情了
发表于 2013-6-14 12:33:57 | 显示全部楼层 来自: 中国广东深圳
画的不错,看样子我也要努力了
发表于 2013-6-15 15:33:23 | 显示全部楼层 来自: 中国江苏无锡
上个减速机的图,大家学习学习!# e8 O. J+ d) l
未标题-1.jpg

ZQ500学习.zip

198.03 KB, 下载次数: 10

ZQ500学习.pdf

169.69 KB, 下载次数: 7

发表于 2013-6-15 16:11:51 | 显示全部楼层 来自: 中国辽宁
当年还是手绘的,搞的既慢又脏。
发表于 2013-6-18 11:05:33 | 显示全部楼层 来自: 中国安徽合肥
你们也是solidworks课程设计吗
发表于 2013-6-21 09:11:35 | 显示全部楼层 来自: 中国江苏南通
画图简单,你可回味画图时,这个轴怎么计算的,为什么选这相材料,齿轮的一些参数,联想一下,你就觉得机械还是不错的,可以戴个机械手表,看看里边的机械传动。。。。
发表于 2013-6-21 14:16:46 | 显示全部楼层 来自: 中国广东东莞
嗯  画得不错  鼓励一下
发表于 2013-7-26 10:36:50 | 显示全部楼层 来自: 中国江苏徐州
当初若是像你一样好学就好喽,现在只能自学了,好好把握住学习的机会哦!
发表于 2013-7-26 10:48:12 | 显示全部楼层 来自: 中国江苏徐州
看了下图,图层还是必须要先设置好的。
 楼主| 发表于 2013-11-22 11:41:27 | 显示全部楼层 来自: 中国江西南昌
SXFZGQYX 发表于 2013-6-15 15:33 static/image/common/back.gif3 Z* N1 [+ S- [4 d8 G
上个减速机的图,大家学习学习!

1 o6 R( v3 q5 [, U. P你这个更高级
发表于 2013-11-23 16:48:53 | 显示全部楼层 来自: 中国广东深圳
毕业8年了,怎么还是画这个东西?经典?
发表于 2013-11-23 20:13:11 | 显示全部楼层 来自: 中国江苏扬州
有点当年学校的感觉
发表回复
您需要登录后才可以回帖 登录 | 注册

本版积分规则


Licensed Copyright © 2016-2020 http://www.3dportal.cn/ All Rights Reserved 京 ICP备13008828号

小黑屋|手机版|Archiver|三维网 ( 京ICP备2023026364号-1 )

快速回复 返回顶部 返回列表