QQ登录

只需一步,快速开始

登录 | 注册 | 找回密码

三维网

 找回密码
 注册

QQ登录

只需一步,快速开始

展开

通知     

查看: 3241|回复: 11
收起左侧

[已答复] 请教不锈钢管(22*8)冲孔芯模用什么材料

[复制链接]
发表于 2013-1-28 21:37:09 | 显示全部楼层 |阅读模式 来自: 中国辽宁本溪

马上注册,结识高手,享用更多资源,轻松玩转三维网社区。

您需要 登录 才可以下载或查看,没有帐号?注册

x
本帖最后由 zzzm 于 2013-1-28 21:39 编辑 * o! p5 P7 U" ^6 S) X

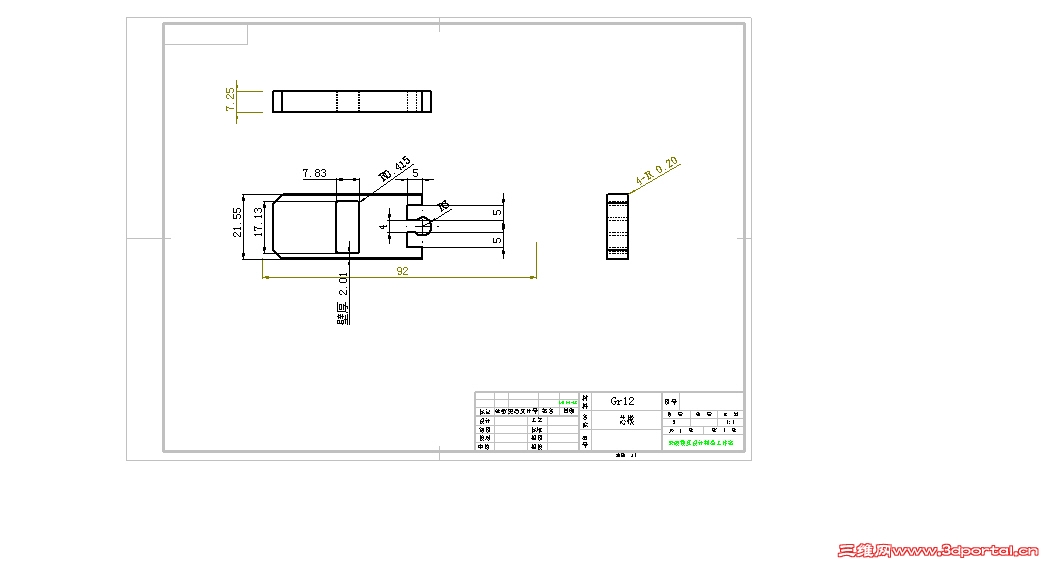
* W* e: c  p/ U9 i" t/ Y8 C6 k# {4 q 不锈钢管.JPG 请教各位老师,芯模用什么材质,谢谢!方管尺寸为22*8,冲孔尺寸为17*8,管壁厚0.2.
2 _, t; H0 v) y) r0 m
发表于 2013-1-28 23:20:50 | 显示全部楼层 来自: 中国山东青岛
本帖最后由 anter_xf 于 2013-1-28 23:23 编辑 1 s" U& c& ^% H6 v. Z# U

: T. ?6 s9 X' p7 aCr12Mov 是最佳选择,即能胜任不锈钢的冲裁又节约.其实你这个模芯刃口用镶块即可。

评分

参与人数 1三维币 +5 收起 理由
开亮 + 5 技术讨论

查看全部评分

 楼主| 发表于 2013-1-28 23:30:47 | 显示全部楼层 来自: 中国辽宁本溪
本帖最后由 zzzm 于 2013-1-28 23:32 编辑 5 @7 w& T* B% w' ?6 Z  a
anter_xf 发表于 2013-1-28 23:20 static/image/common/back.gif* X6 V6 A! h/ g
Cr12Mov 是最佳选择,即能胜任不锈钢的冲裁又节约.其实你这个模芯刃口用镶块即可。

$ H; b8 s. l1 F" T9 w$ K7 o谢谢您!不过芯模 芯模.JPG 两侧壁太薄啦,容易裂开啊。
发表于 2013-1-29 03:07:19 | 显示全部楼层 来自: 美国
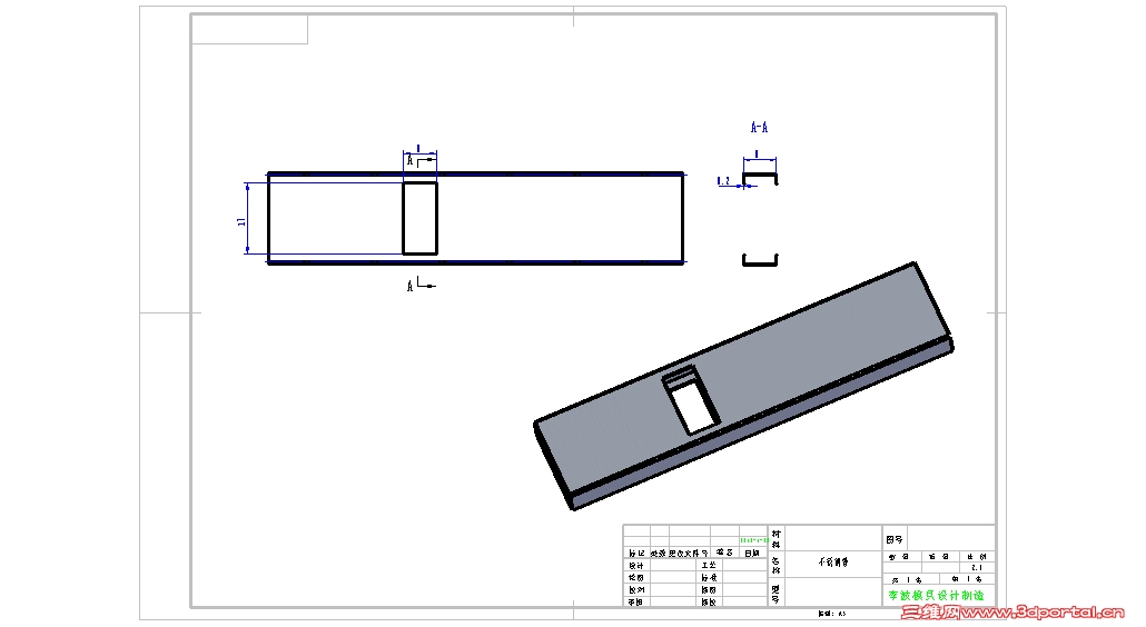
试试将上剪口做成斜口,以减轻侧面受力。两个薄侧面是斜口,则剪裁力会下降50%左右,分力也会减少很多。

评分

参与人数 1三维币 +5 收起 理由
开亮 + 5 技术讨论

查看全部评分

 楼主| 发表于 2013-1-29 04:49:17 | 显示全部楼层 来自: 中国辽宁本溪
wjk8399 发表于 2013-1-29 03:07 static/image/common/back.gif
6 K/ e; I; z6 T' Y试试将上剪口做成斜口,以减轻侧面受力。两个薄侧面是斜口,则剪裁力会下降50%左右,分力也会减少很多。
6 g$ s$ e& Y" Y* I1 M9 o9 l
谢谢您!刃口的的形状如图,你看可以吗? 冲头.JPG
发表于 2013-1-29 10:47:43 | 显示全部楼层 来自: 中国广东汕头
个人认为用cr12冲孔可以通过   我在学校做的模具除了13就是45  有受力要求我一直都在用的cr12

评分

参与人数 1三维币 +2 收起 理由
开亮 + 2

查看全部评分

 楼主| 发表于 2013-1-29 11:21:30 | 显示全部楼层 来自: 中国辽宁本溪
cnxiaomao 发表于 2013-1-29 10:47 static/image/common/back.gif! h7 U, a0 J2 |8 p* i6 _
个人认为用cr12冲孔可以通过   我在学校做的模具除了13就是45  有受力要求我一直都在用的cr12

3 c8 @6 @1 _+ ^' Q" _  j: Y+ [谢谢您!感谢您的指教。
 楼主| 发表于 2013-1-29 11:23:09 | 显示全部楼层 来自: 中国辽宁本溪
谢谢各位的帮助。) r) j. g7 ]: q# e6 h( i4 E. z
已解决
发表于 2013-1-30 04:07:11 | 显示全部楼层 来自: 美国
怎么解决的?
 楼主| 发表于 2013-1-30 11:08:07 | 显示全部楼层 来自: 中国辽宁沈阳
本帖最后由 zzzm 于 2013-2-1 13:43 编辑
4 [* D5 W: S0 {: \8 W5 q5 I
wjk8399 发表于 2013-1-30 04:07 static/image/common/back.gif
  Z- g& p4 g& X5 Q( Q+ T怎么解决的?

' x0 d0 G3 w; n) t7 s2 _3 j/ z; M你好,我有个朋友的朋友做过这种模具,他说是用Cr12做的,并且定位杆是焊上的,所以我想试一下。
发表于 2013-2-1 03:40:25 | 显示全部楼层 来自: 美国
材料我不关心,我就关心薄壁怎么工作不裂,这个问题可是经常会碰到的。有什么好办法吗?
+ @8 C4 L" L  Z! T什么是Gr12?* W& d4 R' ^3 X/ g  f* u+ S; s9 S
是GCr12轴承钢系列吗?) F0 ]* j- O) L/ i. O0 m

评分

参与人数 1三维币 +3 收起 理由
开亮 + 3 技术讨论

查看全部评分

 楼主| 发表于 2013-2-1 13:36:22 | 显示全部楼层 来自: 中国辽宁本溪
本帖最后由 zzzm 于 2013-2-1 13:42 编辑 $ v$ G, o: \7 L- u8 H2 w
wjk8399 发表于 2013-2-1 03:40 static/image/common/back.gif
6 m! r7 }) O6 }8 {材料我不关心,我就关心薄壁怎么工作不裂,这个问题可是经常会碰到的。有什么好办法吗?% G8 @- [: `5 v  ], A% d: e
什么是Gr12?
# h8 C) \4 V1 y' t5 ]是G ...

+ A4 |" r* z4 t7 b, D# o. I/ ^是cr12呵呵不好意思我打错了。我现在想做的是怎样达到最佳状态,即怎样提高冲压次数。单纯要想不开裂好解决,但冲压次数少。比如说有人用弹簧弓片。
发表回复
您需要登录后才可以回帖 登录 | 注册

本版积分规则


Licensed Copyright © 2016-2020 http://www.3dportal.cn/ All Rights Reserved 京 ICP备13008828号

小黑屋|手机版|Archiver|三维网 ( 京ICP备2023026364号-1 )

快速回复 返回顶部 返回列表