QQ登录

只需一步,快速开始

登录 | 注册 | 找回密码

三维网

 找回密码
 注册

QQ登录

只需一步,快速开始

展开

通知     

查看: 2252|回复: 6
收起左侧

[已答复] 外发加工

[复制链接]
发表于 2013-2-14 12:44:28 | 显示全部楼层 |阅读模式 来自: 中国江苏南京

马上注册,结识高手,享用更多资源,轻松玩转三维网社区。

您需要 登录 才可以下载或查看,没有帐号?注册

x
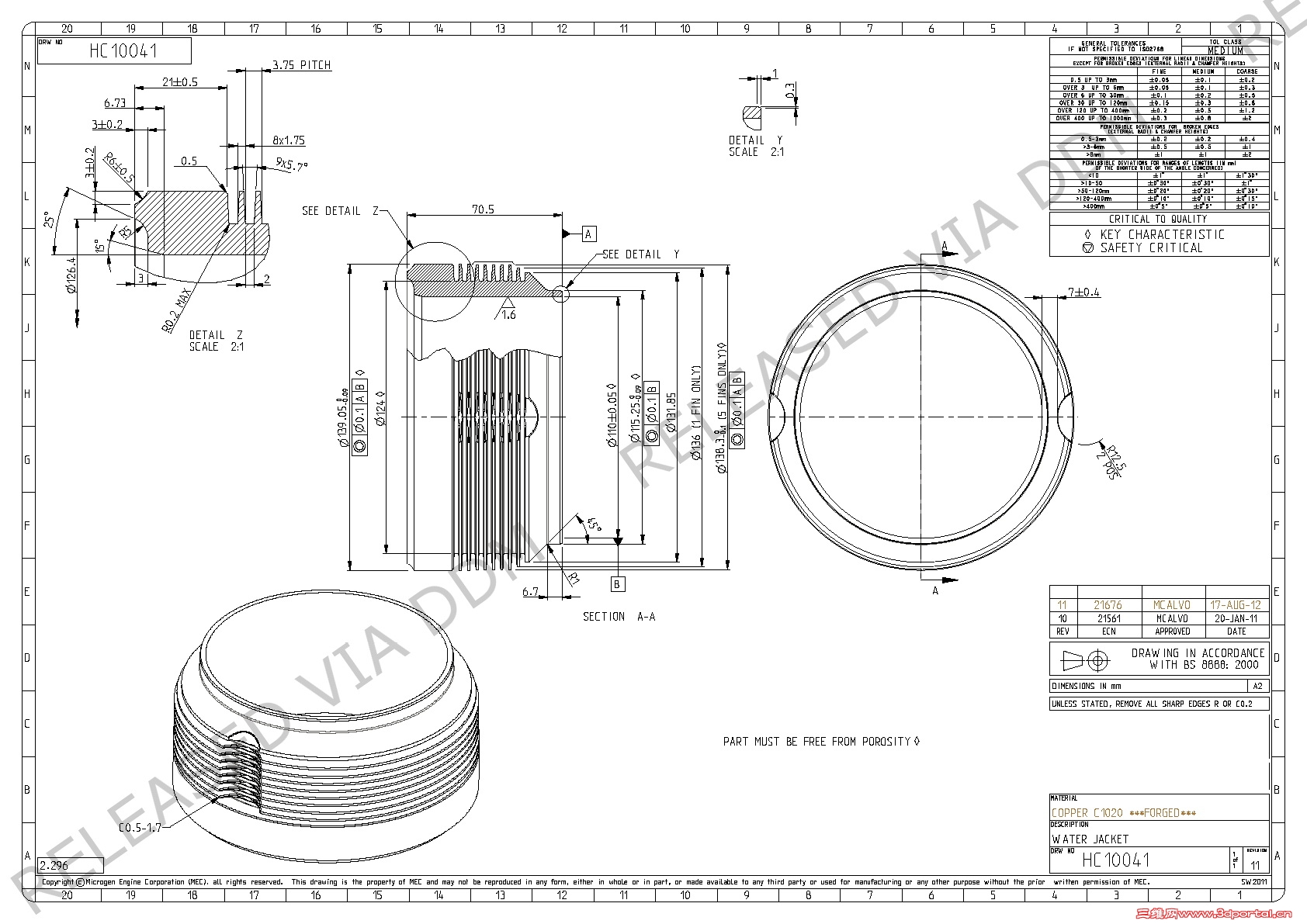
哪位大侠能做此工件请把报价发到我邮箱:757567180@qq.com! p* @7 I9 i7 s

) k. l& I9 y0 G4 m8 Z  e# ?- |% n说明:(1)  数量3000-5000个/月& d( p& b0 ]' K/ G1 i5 `& s! F

! ~3 j+ ^- c, N* h5 z4 m                      (2 )     供料,黄铜
C1020鍛造铜.jpg
发表于 2013-2-27 03:15:20 | 显示全部楼层 来自: 美国
这里估计没有谁给你报价,这个需要专业厂家才能做;
1 T: X' M0 [2 B2 _1、锻件缺陷估计也不会少,合格率不会太理想。
6 Y0 p2 o5 S* ^# h$ J' Z6 F2、齿形环槽的加工也是大问题,因为比较薄,需要多刀加工,还有可能歪斜。
: ]& E7 h+ q5 X* K! H; C- k3、锐边毛刺清理困难,如果没有想错的话,这个需要与缸筒配用,毛刺必须清理。

评分

参与人数 1三维币 +3 收起 理由
洪哥 + 3 感谢帮助!

查看全部评分

发表于 2013-3-10 13:37:18 | 显示全部楼层 来自: 中国河南安阳
应该是个配作的工件吧。
2 y* U$ E# e0 ~" y9 a" a7 e# ^! Q* C
( r  X! D5 U/ [& w. U建议在本地找合适的配件加工厂。

评分

参与人数 1三维币 +2 收起 理由
洪哥 + 2 感谢帮助!

查看全部评分

发表于 2013-3-15 15:47:27 | 显示全部楼层 来自: 中国江苏苏州
```牙型还要专门的刀具,加工起来有一定的难度·!

评分

参与人数 1三维币 +2 收起 理由
洪哥 + 2 的确如此

查看全部评分

发表于 2013-6-18 17:50:25 | 显示全部楼层 来自: 中国山东青岛
先车 再用加工中心或数控铣

评分

参与人数 1三维币 +2 收起 理由
洪哥 + 2 讨论

查看全部评分

发表于 2013-6-18 17:54:08 | 显示全部楼层 来自: 中国山东青岛
先车 铣圆弧 加心轴车槽

评分

参与人数 1三维币 +2 收起 理由
洪哥 + 2 感谢帮助

查看全部评分

发表于 2013-8-15 21:28:58 | 显示全部楼层 来自: 中国陕西西安
不是很难,直径偏大,
发表回复
您需要登录后才可以回帖 登录 | 注册

本版积分规则


Licensed Copyright © 2016-2020 http://www.3dportal.cn/ All Rights Reserved 京 ICP备13008828号

小黑屋|手机版|Archiver|三维网 ( 京ICP备2023026364号-1 )

快速回复 返回顶部 返回列表