QQ登录

只需一步,快速开始

登录 | 注册 | 找回密码

三维网

 找回密码
 注册

QQ登录

只需一步,快速开始

展开

通知     

查看: 2633|回复: 11
收起左侧

[已答复] 关于压力补偿和流量共享的问题,求助高手!

[复制链接]
发表于 2013-3-12 08:59:14 | 显示全部楼层 |阅读模式 来自: 中国浙江杭州

马上注册,结识高手,享用更多资源,轻松玩转三维网社区。

您需要 登录 才可以下载或查看,没有帐号?注册

x
本帖最后由 shenghaifeng 于 2013-3-12 09:04 编辑 - }' _* {9 ?" Z- E6 E+ c
; N6 M: s. B5 }" M! Q; V! d# Y
如题。图片是我们公司生产车型主操作阀的原理图。
, c9 @; o" d" x! q2 I1 d1 W2 H用的是海德福斯的插装阀,图中HSPEC系列是比例流量控制阀,各动作的流量正常情况下是通过SP比例阀进行控制的。4 l& {8 V$ v, Z: }; e1 i1 r6 ?
问题来了:当两个动作联动(假设是起伏和伸缩)时,两个比例阀都全开。假设进入总流量为15L,而起伏所需为20L,伸缩为10L。
' g/ C& R) ~% O9 Z9 o8 D/ i7 c据说HSPEC阀可以将总流量按比例来分配给两个联动的动作,能实现流量共享的功能,也就是说,此时起伏得到的是10L,而伸缩得到5L。小弟一直想不明白该功能是如何实现的。还请高手帮忙,谢谢!- u2 k3 J( b, w% h
; T, J/ C9 n- R) I$ l& f' D
注明:A1 B1接起伏油缸,A2 B2接伸缩油缸。3 N* U! j& z" Q  p
HSPEC阀的出口有后置的压力补偿,所以出口的压力不会随后面负载的变化而变化。
未命1.JPG

评分

参与人数 1三维币 +2 收起 理由
洪哥 + 2 鼓励内容完整求助帖

查看全部评分

 楼主| 发表于 2013-3-12 09:07:38 | 显示全部楼层 来自: 中国浙江杭州
自己顶一下,期待高手回复。:loveliness::loveliness:
发表于 2013-3-12 10:57:01 | 显示全部楼层 来自: 中国江苏苏州
这个真心不知道,坐等高手解答,学习之……
发表于 2013-3-12 14:52:15 | 显示全部楼层 来自: 新加坡
看着有点像力士乐的LUDV,你上网搜一搜看下,比例阀的原理图没看过。
; ^0 M# }0 ]0 `0 c2 Y. t个人感觉HSPEC阀下面的流量阀调节流量,上面的阀起阀后补偿作用,最终实现复合动作的流量阀上的压差相等,实现流量与负载无关,只与流量阀开口有关。

评分

参与人数 1三维币 +3 收起 理由
洪哥 + 3 感谢帮助!

查看全部评分

发表于 2013-3-12 22:12:35 | 显示全部楼层 来自: 中国山东青岛
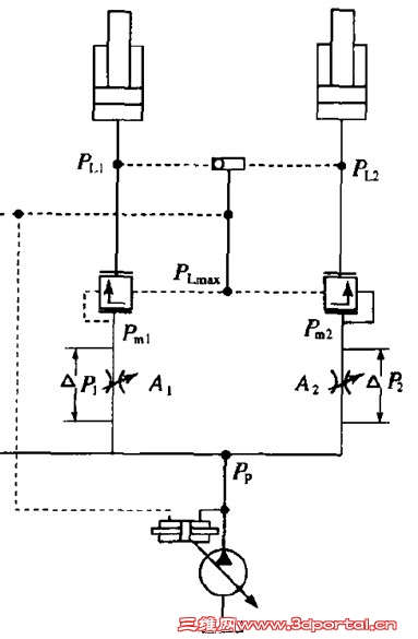
一起来讨论一下这种阀后补偿的多路阀系统,图中是简化的模型。
  k, w5 ]3 r# `; n* S6 ~先说正常工况,即流量充足状态下:PM1=PM2=PLmax+补偿器弹簧力,所以△P1=△P2,流量仅与比例阀开口有关,负载敏感泵一直处于一动态波动状态,为保持住Pp=PLmax+泵弹簧设定压力。
4 D3 j, p+ Y4 L再说过载工况,即流量不充足状态下:因补偿器的关系,此时PM1=PM2=PLmax+补偿器弹簧力公式仍然成立,所以△P1= △P2也依然成立,此时负载敏感泵处于最大排量状态,根据小孔节流公式Q=Cd*A*(2*ΔP/ρ)^0.5,流量分配仅与比例阀的面积比相关。
" P' K' v  T( F$ R
阀后补偿截图.JPG

评分

参与人数 1三维币 +6 收起 理由
洪哥 + 6 感谢帮助!

查看全部评分

发表于 2013-3-19 23:10:44 | 显示全部楼层 来自: 中国北京
是阀后补偿的多路阀系统,和流量阀开口有关。挖机上用的多。

评分

参与人数 1三维币 +2 收起 理由
洪哥 + 2 感谢帮助!

查看全部评分

发表于 2013-3-20 20:58:48 | 显示全部楼层 来自: 中国北京
阀后补偿怎么补偿,一般不都是比例阀前面装一个补偿阀,阀后怎么补偿,请高手分析一下原理啊。
发表于 2013-3-22 23:26:10 | 显示全部楼层 来自: 中国北京
如果几个阀工作,阀的前后压差相等,所以通过阀的流量就和每个阀的开口面积有关了。

评分

参与人数 1三维币 +3 收起 理由
洪哥 + 3 感谢帮助!

查看全部评分

发表于 2013-4-14 17:51:07 | 显示全部楼层 来自: 中国北京
本帖最后由 jinxialover 于 2013-4-14 17:54 编辑 $ Z) S7 ~+ Z) n1 i" u
6 {2 s0 y1 x3 e
要是按照你说的,想 分配这么均匀的话  ,你油缸的位置应该还有个位移传感器。液压只能做个大概而已,精确的还需要电控来做,控制里面应该做了个随动。这张图,看出 老外用阻尼用的真好。压力补偿的话,把补偿阀后的控制线去掉,你会看的更明白。

评分

参与人数 1三维币 +3 收起 理由
洪哥 + 3 感谢帮助!

查看全部评分

发表于 2013-6-20 22:03:14 | 显示全部楼层 来自: 中国辽宁大连
有压力补偿阀  呵呵  就可以实现的  

评分

参与人数 1三维币 +2 收起 理由
洪哥 + 2 讨论

查看全部评分

发表于 2013-6-24 14:17:58 | 显示全部楼层 来自: 中国浙江宁波
HSPEC阀是一个很强大的阀。# W, P# M& |7 w- c1 X: w
因为两个是比例控制,很容易实现流量控制;整体控制回路中的EP10-s35同样功不可没

评分

参与人数 1三维币 +2 收起 理由
9619 + 2 技术讨论

查看全部评分

发表于 2013-6-26 16:37:12 | 显示全部楼层 来自: 中国浙江杭州
csuce 发表于 2013-3-12 22:12 static/image/common/back.gif
) ^6 |5 Q( }# k: o: g, L2 ~一起来讨论一下这种阀后补偿的多路阀系统,图中是简化的模型。
+ A- [  C# K+ W' m% H先说正常工况,即流量充足状态下:PM1=PM2= ...

  o! T  c; Q0 r这个图中补偿器上应该少画了个弹簧,个人感觉

评分

参与人数 1三维币 +2 收起 理由
9619 + 2 技术讨论

查看全部评分

发表回复
您需要登录后才可以回帖 登录 | 注册

本版积分规则


Licensed Copyright © 2016-2020 http://www.3dportal.cn/ All Rights Reserved 京 ICP备13008828号

小黑屋|手机版|Archiver|三维网 ( 京ICP备2023026364号-1 )

快速回复 返回顶部 返回列表