QQ登录

只需一步,快速开始

登录 | 注册 | 找回密码

三维网

 找回密码
 注册

QQ登录

只需一步,快速开始

展开

通知     

查看: 2363|回复: 11
收起左侧

[求助] 弧长标注问题

[复制链接]
发表于 2013-4-25 00:54:59 | 显示全部楼层 |阅读模式 来自: 中国浙江丽水

马上注册,结识高手,享用更多资源,轻松玩转三维网社区。

您需要 登录 才可以下载或查看,没有帐号?注册

x
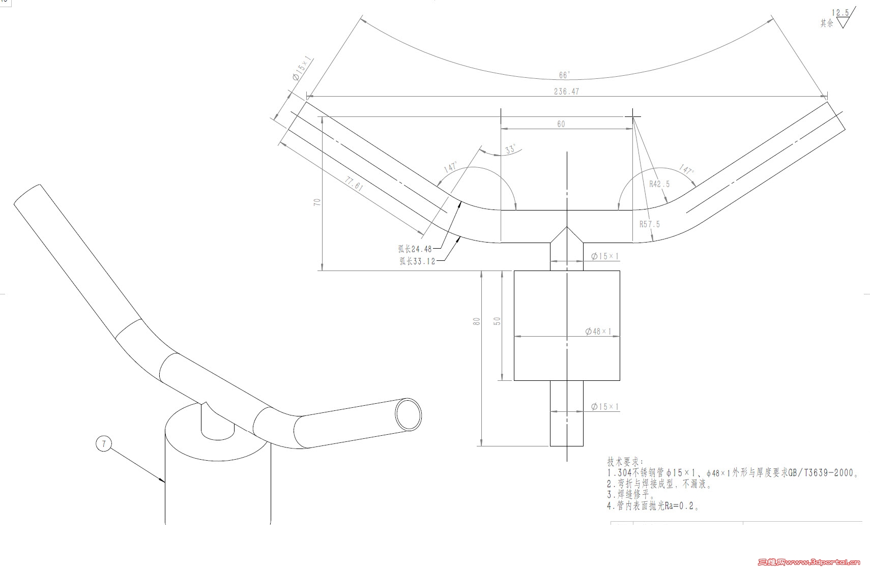
在工程图中弧长标注时,有些地方标注时出现角度,而有些地方则是弧的长度,这是为什么?是否有被设置的地方?谢谢!
发表于 2013-4-25 08:34:29 | 显示全部楼层 来自: 中国台湾
不可能的吧…能否貼個標註的動片來看看?
发表于 2013-4-25 09:32:33 | 显示全部楼层 来自: 中国北京
本帖最后由 英俊少年 于 2013-4-25 09:37 编辑 1 ^( h- p2 B# v' u) A

/ b5 r6 ^) `6 b标注是点两个端点,再点一下弧线,就是弧长!

评分

参与人数 1三维币 +3 收起 理由
阿帕奇 + 3

查看全部评分

 楼主| 发表于 2013-4-25 23:52:29 | 显示全部楼层 来自: 中国浙江丽水
标注的方法没错,三楼讲的方法,可结果就是不一样。
' [1 n* m) f+ u: q: [* m( D    2013-4-25 23-43-58.jpg     2013-4-25 23-46-59.jpg
# v  `( I7 M& W2 K  ]
发表于 2013-4-26 08:35:00 | 显示全部楼层 来自: 中国黑龙江大庆
标角度需要点圆心,标弧长,点两个端点后点弧上任一点

评分

参与人数 1三维币 +3 收起 理由
阿帕奇 + 3

查看全部评分

发表于 2013-4-26 08:35:53 | 显示全部楼层 来自: 中国湖南长沙
我的貌似可以?》
 楼主| 发表于 2013-5-1 00:38:53 | 显示全部楼层 来自: 中国浙江丽水
我发现了一个情况,是不是圆管的弧度不能标弧长,因为第一张图是圆管的弧度。
发表于 2013-5-1 00:48:21 | 显示全部楼层 来自: 中国台湾
xf81519 发表于 2013-5-1 00:38 static/image/common/back.gif
) t! D" Q' U: g3 s& }" c我发现了一个情况,是不是圆管的弧度不能标弧长,因为第一张图是圆管的弧度。

/ H9 I/ T' y& y0 J. {" Z5 S6 ]原來如此…的確,圓管的「外形輪廓線」是無法標註弧長的。) S4 f; L% O7 u- v7 j+ k& U4 Q, Q7 E
再者,這類型的標註方式,不論弧長或是角度,不都是基於中心線的嗎?- y1 G* @8 |/ o3 |1 p' j
為什麼樓主要用外側輪廓來標註呢?

评分

参与人数 1三维币 +3 收起 理由
阿帕奇 + 3

查看全部评分

发表于 2013-5-1 19:05:24 | 显示全部楼层 来自: 中国安徽宿州
原来如此,学习了
 楼主| 发表于 2013-5-2 01:01:05 | 显示全部楼层 来自: 中国浙江丽水
本帖最后由 xf81519 于 2013-5-2 01:04 编辑
2 J, V- b1 I: ~$ v& c# E2 e2 p2 x, S; ]. i
我想标出弧长是想标出弯管的总长度,这样便于算管子的总长度,折弯时内弯会收多少师傅会有经验。1 ^5 E3 ~- F5 v+ F4 k, A' L* f3 t
标好的图这样可以吗?
) f2 j+ v1 W, `8 ^1 k8 ` 2013-5-2 0-56-21.jpg
发表于 2013-5-2 07:45:04 | 显示全部楼层 来自: 中国江苏泰州
管子折弯一般都标内侧折弯半径就行,加工时算出长度。
发表于 2013-5-2 08:42:46 | 显示全部楼层 来自: 中国天津
弧长标注 是 俩点一线  再试试
发表回复
您需要登录后才可以回帖 登录 | 注册

本版积分规则


Licensed Copyright © 2016-2020 http://www.3dportal.cn/ All Rights Reserved 京 ICP备13008828号

小黑屋|手机版|Archiver|三维网 ( 京ICP备2023026364号-1 )

快速回复 返回顶部 返回列表