QQ登录

只需一步,快速开始

登录 | 注册 | 找回密码

三维网

 找回密码
 注册

QQ登录

只需一步,快速开始

展开

通知     

查看: 3018|回复: 5
收起左侧

[求助] 关于粗糙度标注问题

[复制链接]
发表于 2013-4-25 13:10:01 | 显示全部楼层 |阅读模式 来自: 中国山东泰安

马上注册,结识高手,享用更多资源,轻松玩转三维网社区。

您需要 登录 才可以下载或查看,没有帐号?注册

x
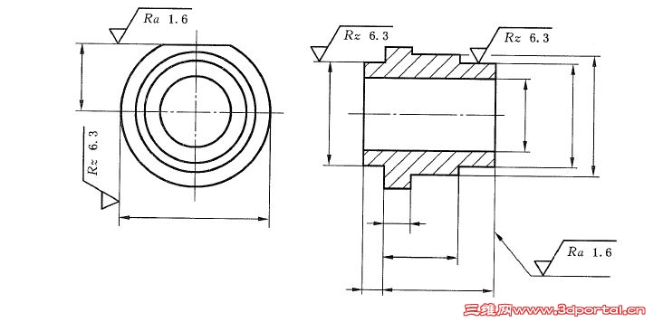
solidworks的粗糙度符号不能标注在尺寸线(不是尺寸界线)上,各位大神有没有好方法让粗糙度符号与尺寸线关联?
3 F$ ]& z$ q$ {! u  S1 V论坛上有用“右键-分组”的,我的2012版的怎么没有这个命令?求指导

; o& s/ {2 m# [" m
发表于 2013-4-25 14:36:50 | 显示全部楼层 来自: 中国辽宁盘锦
你至少得选上俩种元素
 楼主| 发表于 2013-4-25 15:21:57 | 显示全部楼层 来自: 中国山东泰安
选择了两个孔标注和粗糙度符号?怎么没有?1 r4 X) z! O% I9 ^
截图.JPG
 楼主| 发表于 2013-4-25 15:54:04 | 显示全部楼层 来自: 中国山东泰安
哈哈,自己研究出来了,要给粗糙度符号添加引线,添加引线后才能分组
发表于 2013-4-25 16:22:28 | 显示全部楼层 来自: 中国北京
本帖最后由 英俊少年 于 2013-4-25 16:24 编辑 % w! Z# M  k: q+ m
: H8 C8 f  u+ s" e
国家标准建议你尽量不要标注在尺寸线上,容易误解。
截图00.jpg
截图01.jpg
截图02.jpg
截图03.jpg
截图04.jpg
截图06.jpg
截图07.jpg
截图08.jpg
发表于 2013-4-25 16:24:29 | 显示全部楼层 来自: 中国北京
只有这一个可以!
截图05.jpg
发表回复
您需要登录后才可以回帖 登录 | 注册

本版积分规则


Licensed Copyright © 2016-2020 http://www.3dportal.cn/ All Rights Reserved 京 ICP备13008828号

小黑屋|手机版|Archiver|三维网 ( 京ICP备2023026364号-1 )

快速回复 返回顶部 返回列表