QQ登录

只需一步,快速开始

登录 | 注册 | 找回密码

三维网

 找回密码
 注册

QQ登录

只需一步,快速开始

展开

通知     

查看: 1841|回复: 7
收起左侧

[已解决] 汽车转向控制阀的三视图(最好有内部结构的)

 关闭 [复制链接]
发表于 2013-4-26 21:23:48 | 显示全部楼层 |阅读模式 来自: 中国广东广州

马上注册,结识高手,享用更多资源,轻松玩转三维网社区。

您需要 登录 才可以下载或查看,没有帐号?注册

x
汽车转向控制阀的三视图(最好有内部结构的)
发表于 2013-4-27 08:02:50 | 显示全部楼层 来自: 中国浙江杭州
是要这个东西么?
Snap2.jpg

评分

参与人数 1三维币 +5 收起 理由
洪哥 + 5 感谢帮助

查看全部评分

发表于 2013-4-27 08:04:49 | 显示全部楼层 来自: 中国浙江杭州
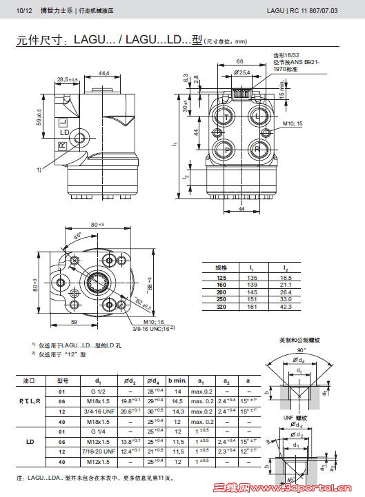
这个是力士乐的
Snap3.jpg

评分

参与人数 1三维币 +1 收起 理由
自流井 + 1 应助

查看全部评分

发表于 2013-4-27 08:24:38 | 显示全部楼层 来自: 中国江苏南通

6 Q' `! \! h9 H7 D; s4 F, h
% a- p' U2 T2 M
  K2 z, h6 I+ M! F+ _, I& Z3 @看看力士乐的
发表于 2013-4-28 07:57:11 | 显示全部楼层 来自: 中国浙江杭州
自流井 发表于 2013-4-27 08:24 static/image/common/back.gif
" k* q; N; u/ S5 G* t- D. o看看力士乐的

" n6 X" T  x/ Z7 y( |3 {1 l贴一个力士乐的转向器及原理简介
Snap4.jpg

评分

参与人数 1三维币 +2 收起 理由
9619 + 2 技术讨论

查看全部评分

 楼主| 发表于 2013-4-29 16:13:58 | 显示全部楼层 来自: 中国广东广州
zls888 发表于 2013-4-28 07:57 static/image/common/back.gif
! k! W$ d* l( H# o8 j& {: N$ U贴一个力士乐的转向器及原理简介
4 k; f# ~7 L. J+ G# K8 T3 ~
谢谢啦
$ Q5 b! r6 t$ P9 {" n) u7 \有点用

评分

参与人数 1三维币 +2 收起 理由
洪哥 + 2 有始有终

查看全部评分

发表于 2013-6-13 20:53:49 | 显示全部楼层 来自: 中国山西大同
好资料长知识
发表于 2013-6-14 13:31:10 | 显示全部楼层 来自: 中国广东广州
很好的资料
发表回复
您需要登录后才可以回帖 登录 | 注册

本版积分规则


Licensed Copyright © 2016-2020 http://www.3dportal.cn/ All Rights Reserved 京 ICP备13008828号

小黑屋|手机版|Archiver|三维网 ( 京ICP备2023026364号-1 )

快速回复 返回顶部 返回列表