QQ登录

只需一步,快速开始

登录 | 注册 | 找回密码

三维网

 找回密码
 注册

QQ登录

只需一步,快速开始

展开

通知     

查看: 1167|回复: 2
收起左侧

[求助] SW2012中怎么把尺寸标注成分数的形式

[复制链接]
发表于 2013-5-5 10:44:28 | 显示全部楼层 |阅读模式 来自: 中国上海

马上注册,结识高手,享用更多资源,轻松玩转三维网社区。

您需要 登录 才可以下载或查看,没有帐号?注册

x
如题,论坛中有个主题,但我看不到,好像要阅读权限什么的,不懂,能有高手解释一下吗?急!
# f4 d% F. f* [' W: w# C# G$ s: r+ x6 f
发表于 2013-5-5 19:59:32 | 显示全部楼层 来自: 中国浙江嘉兴
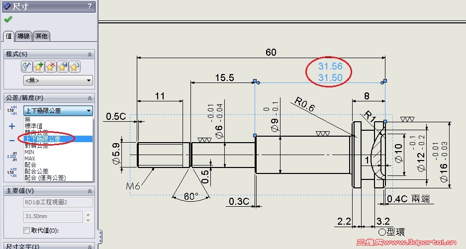
是否如圖所示?
  _/ @, S! q9 x0 i& K, K% i. z 上下公差.jpg
2 r7 D0 X: p& I+ k2 S1 h0 T$ Z
9 I/ A7 {8 U. D7 ~% m7 e4 n
 楼主| 发表于 2013-5-5 20:10:29 | 显示全部楼层 来自: 中国浙江嘉兴
本帖最后由 ★♂ping♂★ 于 2013-5-5 20:13 编辑 ! L* j% G, |4 f3 c

  h9 J, _) N' l- p/ G3 G4 I, J) @不是的,主要是用于标准孔的,我已经找到解决的方法了,就是用注释-孔标注,可以解决。
9 u5 J( d( @( }% G& w, P/ N
捕获1.PNG
发表回复
您需要登录后才可以回帖 登录 | 注册

本版积分规则


Licensed Copyright © 2016-2020 http://www.3dportal.cn/ All Rights Reserved 京 ICP备13008828号

小黑屋|手机版|Archiver|三维网 ( 京ICP备2023026364号-1 )

快速回复 返回顶部 返回列表