QQ登录

只需一步,快速开始

登录 | 注册 | 找回密码

三维网

 找回密码
 注册

QQ登录

只需一步,快速开始

展开

通知     

全站
5天前
查看: 3554|回复: 1
收起左侧

[讨论] 2013年莱芜市技能大赛数控加工项目试题

[复制链接]
发表于 2013-5-31 10:06:44 | 显示全部楼层 |阅读模式 来自: 中国山东莱芜

马上注册,结识高手,享用更多资源,轻松玩转三维网社区。

您需要 登录 才可以下载或查看,没有帐号?注册

x

: [! U- l! G# K5 ~. O6 h" o# D1 E+ l0 B! s; [
<!--[if !supportLists]-->     2013年莱芜市技能大赛数控项目加工试题
: F1 k2 n$ _- v( b- ]4 B- p9 ?
一、   
4 j" }1 m% r( r" I6 i# d
<!--[endif]-->竞赛任务

( D$ l1 I& A4 ^) x
. `: y. K7 g" y! j, T: C# u0 Q
根据产品装配图和部分零件图,完成以下工作任务:. A4 \: c9 K" W; J% Z! b( w6 G
4 r' _7 ]( K: \' L, A$ w
" U7 h. R& a: F9 i2 T) z# p+ C. q/ V
1.根据产品装配图和与之配合的零件图纸,完成零件5的详细结构设计,并确定合理的几何尺寸和尺寸公差,生成零件5的二维工程图,并完成零件5的简要设计说明书。
: C5 M# z  P$ H, ]5 k, E0 i- V; }# u9 i! X) x1 |. @7 w/ Q

: j5 [0 y. h4 ~: Q, \& S) A
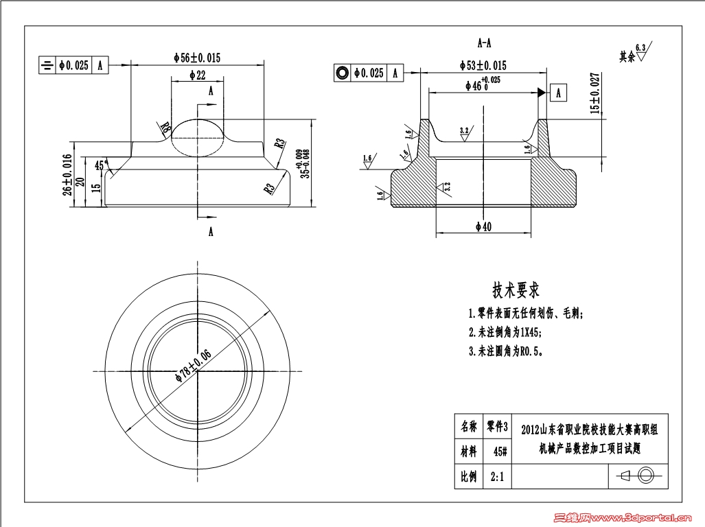
2.根据产品装配图的技术要求,合理确定零件4与零件3的配合公差,并根据零件4的图纸要求,确定零件3的尺寸公差,生成零件3的二维工程图。
2 I0 l0 J* B8 r% [$ q  |& }8 F/ f& m6 U% q

; b/ \  l9 G) A( u$ F2 g) S7 h
3.利用CAD/CAM软件完成各零件造型、产品三维装配模型和二维装配图。- Y) ]- D: g( w1 `7 W  b
; b1 Y. t( ~9 p: ~

9 H3 e- e5 j% [* d
4.利用CAD/CAM软件、数控车床、数控铣床(或加工中心)和其它辅助工具,完成各零件的加工和装配。
/ |- t* x, t. Q* v2 Q, K) |8 \- L0 L
# `& J8 R3 W6 }5 X$ X' t, K) D5 Q5 M( r' U6 r# K- n# @
二、零部件工程图要求; \' U1 S0 V  B. U) G6 h5 v

9 {5 L- m6 h1 v5 G. x
+ o1 A' {- v+ v. G) H# v$ ~
1.零部件工程图要符合国家标准要求;
# c  A, \; k# _4 ^( G# j* o
+ i- @$ P; `8 _( x* q( W- f
" }  r# t4 e" c" r7 A
2.零部件工程图要与所提供图纸表达内容一致。
' S& N0 Z2 f- t1 ^& t; `. W# }, \' \* Q6 O
# h1 X. Q! b+ L6 p% A) ^! k
三、竞赛结果提交
; @& P5 ]3 q9 X6 a5 }6 j
. J1 P2 G' B0 t9 A, o, {5 l8 r4 {1 c# `. M
1.任务1、2、3以电子文档形式刻录光盘上交。电子文档按照规定路径进行存放,不按存放路径存放,竞赛结果视为无效。光盘刻录由组委会指定人员进行,参赛选手签字确认后上交。
; D! p; `+ ~0 ?
& m" S- z/ k" }' a* G+ ^
1 L7 v1 e  b" F$ r
2.任务4以实物形式上交,参赛选手在工件打标(场次号+机位号)后,签字确认上交。* R3 v6 J) M1 K3 b8 _& `/ p
9 p+ T& F" i) @% K) h* L9 q

/ ]! o2 {0 b. k
组装图.jpg
零件1.jpg
零件2.jpg
零件3.jpg
零件4.jpg
 楼主| 发表于 2013-5-31 10:07:11 | 显示全部楼层 来自: 中国山东莱芜
自己做的,有点问题还没改
发表回复
您需要登录后才可以回帖 登录 | 注册

本版积分规则


Licensed Copyright © 2016-2020 http://www.3dportal.cn/ All Rights Reserved 京 ICP备13008828号

小黑屋|手机版|Archiver|三维网 ( 京ICP备2023026364号-1 )

快速回复 返回顶部 返回列表