QQ登录

只需一步,快速开始

登录 | 注册 | 找回密码

三维网

 找回密码
 注册

QQ登录

只需一步,快速开始

展开

通知     

查看: 2553|回复: 12
收起左侧

[已解决] 请问如此细小的工具选什么材料

 关闭 [复制链接]
发表于 2013-6-13 18:19:00 | 显示全部楼层 |阅读模式 来自: 中国广东广州

马上注册,结识高手,享用更多资源,轻松玩转三维网社区。

您需要 登录 才可以下载或查看,没有帐号?注册

x
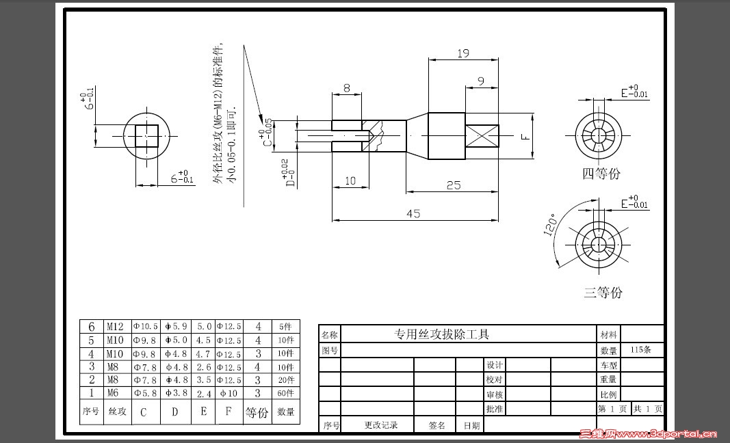
这是我设计的丝攻拔出器,作用是当丝攻断在螺纹里面时,将其反转取出用的。 但是M6的拔出器很细小,不知道用什么材料。什么热处理会比较不容易断,韧性要很好,求各位高手指教。* \7 V. D  ~/ B. d# K
3.jpg

专用丝攻拔出器.pdf

79.68 KB, 下载次数: 2

发表于 2013-6-13 19:39:14 | 显示全部楼层 来自: 中国江苏常州
50CrV或60CrV,工具制造厂都有。一般采用淬火+中温回火,韧性及硬度匹配好。

评分

参与人数 1三维币 +2 收起 理由
asdolmlm + 2

查看全部评分

 楼主| 发表于 2013-6-13 20:24:58 | 显示全部楼层 来自: 中国广东广州
淬火和回火温度是多少? 硬度可以达多少?  这样用的时候主要是旋转,要承受很大的扭矩
发表于 2013-6-13 23:38:32 | 显示全部楼层 来自: 中国江西九江
50CrV钢淬火工艺是850-870摄氏度,油淬,硬度可达HRC58,然后根据使用要求不同进行回火,得到屈氏体或索氏体,

评分

参与人数 1三维币 +2 收起 理由
tdragonfu + 2 技术讨论

查看全部评分

发表于 2013-6-14 08:45:28 | 显示全部楼层 来自: 中国山西太原
也可用韧性较高的合金工具钢6CrW2Si 或6CrMnSi2Mo1V。

评分

参与人数 1三维币 +2 收起 理由
tdragonfu + 2 技术讨论

查看全部评分

 楼主| 发表于 2013-6-14 18:51:30 | 显示全部楼层 来自: 中国广东广州
谢谢,我先用
; t$ O) A) P1 K  l50CrV材料试试
发表于 2013-6-17 23:54:18 | 显示全部楼层 来自: 美国
实践是检验真理的唯一标准,再好的丝攻拔丝也不一定能行,有时候丝攻断在那里就是没办法,用不上力啊
发表于 2013-7-5 23:21:11 | 显示全部楼层 来自: 中国江苏常州
我看到MISUMI有的卖的,看看如果价钱合适,就没必要自己做了。
 楼主| 发表于 2013-7-7 21:28:47 | 显示全部楼层 来自: 中国广东广州
小四 发表于 2013-7-5 23:21 static/image/common/back.gif; L6 b7 l3 x' X4 w8 J
我看到MISUMI有的卖的,看看如果价钱合适,就没必要自己做了。

4 @! y/ T$ o3 E( k9 K$ K有吗?  名称叫什么啊
发表于 2013-7-8 21:11:59 | 显示全部楼层 来自: 中国江苏常州
有的,是MISUMI的FA样本,工具样本,都有的。
2 f- J! G+ h: T9 x, j4 v% i具体在哪儿我忘了,明天到公司翻下样本才能知道。6 l/ ^; f* ^' o2 X9 [+ C8 B) M
也可以去MISUMI的官网找下。

评分

参与人数 1三维币 +2 收起 理由
ajhtiger + 2 技术讨论

查看全部评分

发表于 2013-7-9 08:32:43 | 显示全部楼层 来自: 中国北京
这个丝攻拔出器使用前是先在断裂的丝锥上加工出与爪端相应的孔槽么,是用更硬的钻头还是用电火花呢?谢谢
 楼主| 发表于 2013-7-10 22:13:13 | 显示全部楼层 来自: 中国广东广州
623679927 发表于 2013-7-9 08:32 static/image/common/back.gif
: \2 H- g1 t4 ?- x2 ]! `3 t这个丝攻拔出器使用前是先在断裂的丝锥上加工出与爪端相应的孔槽么,是用更硬的钻头还是用电火花呢?谢谢

# V' Y! [/ V5 \8 V1 y/ M  C直接套进去就可以啊,反转出来
发表于 2013-7-11 00:59:56 | 显示全部楼层 来自: 中国广东潮州
呵呵, 依我看不定行的.
发表回复
您需要登录后才可以回帖 登录 | 注册

本版积分规则


Licensed Copyright © 2016-2020 http://www.3dportal.cn/ All Rights Reserved 京 ICP备13008828号

小黑屋|手机版|Archiver|三维网 ( 京ICP备2023026364号-1 )

快速回复 返回顶部 返回列表