QQ登录

只需一步,快速开始

登录 | 注册 | 找回密码

三维网

 找回密码
 注册

QQ登录

只需一步,快速开始

展开

通知     

全站
10天前
查看: 2788|回复: 10
收起左侧

[已解决] 关于高炉下密阀自动打开

[复制链接]
发表于 2006-7-26 20:51:12 | 显示全部楼层 |阅读模式 来自: 中国河北唐山

马上注册,结识高手,享用更多资源,轻松玩转三维网社区。

您需要 登录 才可以下载或查看,没有帐号?注册

x
现象:阀板关闭后马上自动打开,油缸动作,换向阀动作,电磁铁不得电,无泄漏,手动控制正常,远程控制问题依旧9 B! z- t6 g* {; M4 N6 b
解决方法:将双单向节流阀流量调小,症状消失
+ t/ P+ [+ t7 v: l
6 @5 z* `6 q% M6 t5 ?系统采用二位四通换向阀,供油节流,油缸无内泄,阀心无泄漏! S/ b) H* [/ L8 c5 c
换向阀型号是4WE6D61B/OFCG24N9Z4将阀换成4WE6D50/OFAG24N9Z4后不用调节节流也可以解决问题,这两个阀有什么区别
# Y5 q" [; k" L( E
; _! w4 _/ n( M  @2 }* y
请楼主积极参与主题讨论,谢谢参与!--by 江边
' f0 B& Y0 Y; j5 `" M4 j
[ 本帖最后由 江边 于 2007-2-17 10:12 编辑 ]
 楼主| 发表于 2006-7-30 22:22:52 | 显示全部楼层 来自: 中国河北唐山
怎么,难道这里没有搞这个的吗
发表于 2006-9-16 23:59:28 | 显示全部楼层 来自: 中国河南安阳
两个换向阀使用机能上没什么区别,系列号不同,在结构上有区别。2 |$ L$ R, b# O/ w6 h$ U& p
可能是制造上的质量问题吧,刚看到你的帖子,找到原因了吗?* ]) F$ t& T; B! Q) G! `- I1 e' Q/ H

  p4 r: G1 ]* U8 `补充:你的炉顶系统中下密封阀回路中应该有液控单向阀,且有蓄能器,应该与换向阀无关吧,不应该因换向阀的问题自动打开。/ x  H6 A* B4 b

% r, e- c- Q3 @+ W9 m, G2 N5 R: e[ 本帖最后由 9619 于 2006-9-17 00:05 编辑 ]
发表于 2006-9-18 20:31:20 | 显示全部楼层 来自: 中国湖南衡阳
没有液压锁吗?
 楼主| 发表于 2006-9-25 17:36:20 | 显示全部楼层 来自: 中国河北唐山
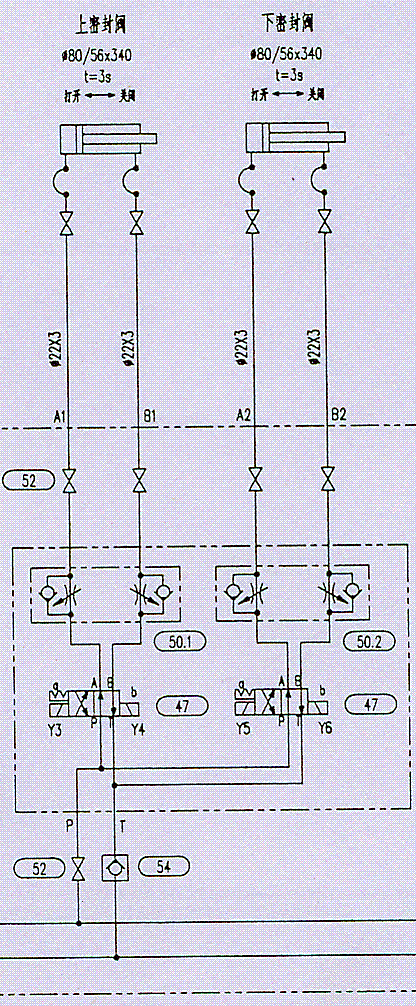
关键是只有电磁换向阀和双单向节流阀,没有液控单向阀。有时间 出个图给你们
 楼主| 发表于 2006-9-25 17:39:18 | 显示全部楼层 来自: 中国河北唐山
这样的控制系统我也是第一次看到,以前的都是用Y型三位四通换向阀,带锁。只有这个地方的使用的是两位四通换向,不带液压锁
发表于 2006-9-26 08:10:13 | 显示全部楼层 来自: 中国河北邯郸
最好把图贴上来,不然的话你不是让大家猜吗!
 楼主| 发表于 2006-9-26 19:26:01 | 显示全部楼层 来自: 中国河北唐山
以下是图纸资料,大家分析分析) U. @3 K3 Y9 @5 U! P
$ X7 A; {0 Y! \2 d6 Q
[ 本帖最后由 大浪淘沙 于 2006-9-26 21:09 编辑 ]

阀组

阀组

系统图

系统图
 楼主| 发表于 2006-9-26 21:12:03 | 显示全部楼层 来自: 中国河北唐山
两张图是一样的,第一张没有能显示出来.油缸为直立安装
发表于 2006-9-27 07:16:53 | 显示全部楼层 来自: 中国河南安阳
可能是远程控制换向阀换向没有到位,换一个换向阀就可以了。
* ?# U* ]# V' J, h/ ~% X' o你的炉顶系统我也是第一次看到,可以用两位四通换向阀(好像带定位的不妥吧),但应该有液压锁。
" I2 r& T* q, R你可以直接与我联系:lu9619@sohu.com  13603729619 可以共同探讨。
发表于 2007-10-8 23:16:34 | 显示全部楼层 来自: 中国河南信阳
好想应该是电磁换向阀有内泄(包括产品质量)因为没有液压锁。2位4通阀阀心不道位自然油压回流。液压缸因为高炉密封阀重力自动打开。调节节流阀只是把回流的流量调小,放慢液压缸的速度。你的远程控制用电可能和电器的延时有关
发表回复
您需要登录后才可以回帖 登录 | 注册

本版积分规则


Licensed Copyright © 2016-2020 http://www.3dportal.cn/ All Rights Reserved 京 ICP备13008828号

小黑屋|手机版|Archiver|三维网 ( 京ICP备2023026364号-1 )

快速回复 返回顶部 返回列表