QQ登录

只需一步,快速开始

登录 | 注册 | 找回密码

三维网

 找回密码
 注册

QQ登录

只需一步,快速开始

展开

通知     

全站
6天前
查看: 2076|回复: 6
收起左侧

[已解决] 求这种合页的单冲模图档

[复制链接]
发表于 2013-6-19 16:11:30 | 显示全部楼层 |阅读模式 来自: 中国辽宁

马上注册,结识高手,享用更多资源,轻松玩转三维网社区。

您需要 登录 才可以下载或查看,没有帐号?注册

x
求这种合页的单冲模图档,有的朋友请上传,谢谢啦,主要是需要卷圆那一步的图。
合叶.jpg
发表于 2013-6-19 19:47:25 | 显示全部楼层 来自: 中国山东济南
查查资料吧,这是很典型的工艺,也有很成熟的结构;一般有立冲和平冲(滑块,件比较高使用)。

评分

参与人数 1三维币 +2 收起 理由
开亮 + 2

查看全部评分

发表于 2013-6-19 21:06:47 | 显示全部楼层 来自: 中国湖北黄冈
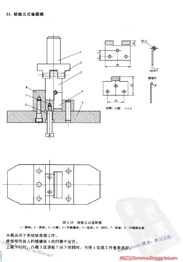
给你上传4副模具参考吧。具体可参考《冲压模具设计结构图册》、《冲压模具精选88例设计分析》等书籍。
4.jpg
3.jpg
2.jpg
1.jpg

评分

参与人数 1三维币 +8 收起 理由
开亮 + 8 应助

查看全部评分

 楼主| 发表于 2013-6-20 02:31:57 | 显示全部楼层 来自: 中国广东广州
多谢论坛技术团队帮忙,基本上学会了,呵呵。
发表于 2013-11-12 12:32:30 | 显示全部楼层 来自: 中国安徽马鞍山
技术团队真的厉害啊
发表于 2013-11-28 16:55:28 | 显示全部楼层 来自: 中国江苏常州
谢谢啦但是立式的那样预歪需要试吗
7 {, _0 Q1 ]# n6 b7 }6 H
发表于 2013-11-29 13:04:15 | 显示全部楼层 来自: 中国天津
团队的力量就是强大。
发表回复
您需要登录后才可以回帖 登录 | 注册

本版积分规则


Licensed Copyright © 2016-2020 http://www.3dportal.cn/ All Rights Reserved 京 ICP备13008828号

小黑屋|手机版|Archiver|三维网 ( 京ICP备2023026364号-1 )

快速回复 返回顶部 返回列表