QQ登录

只需一步,快速开始

登录 | 注册 | 找回密码

三维网

 找回密码
 注册

QQ登录

只需一步,快速开始

展开

通知     

全站
6天前
查看: 1811|回复: 14
收起左侧

[已答复] 关于两孔0.005同轴度检测求助

[复制链接]
发表于 2013-6-21 17:14:42 | 显示全部楼层 |阅读模式 来自: 中国贵州贵阳

马上注册,结识高手,享用更多资源,轻松玩转三维网社区。

您需要 登录 才可以下载或查看,没有帐号?注册

x
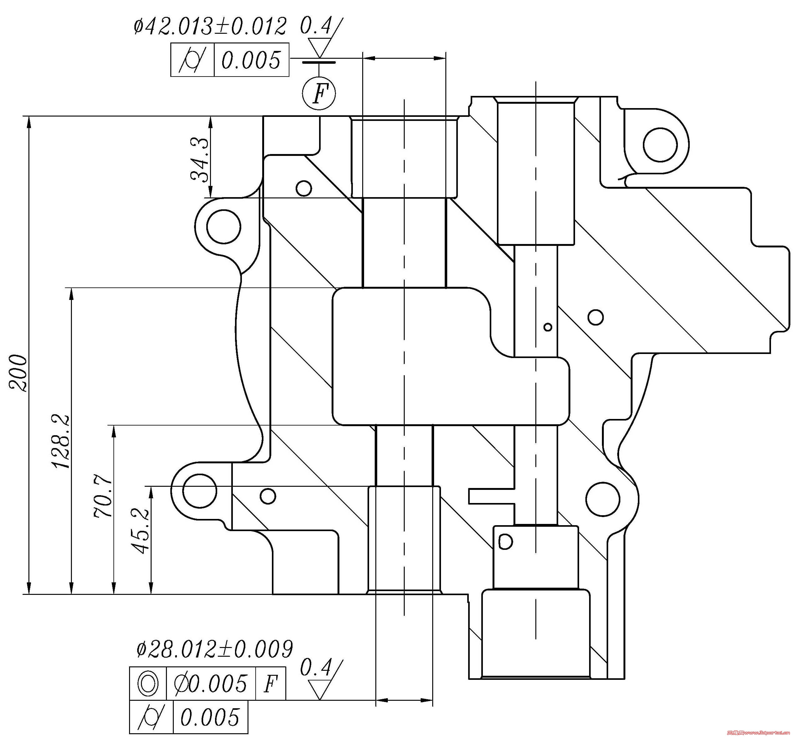
阀体.jpg
+ t2 D0 M5 j% D# s' B
' T7 J' o/ k! @: R5 @请问,如上图,同轴度0.005如何检测?需要重复测量稳定,即R&R小于%30,谢谢!
3 |2 {" m& X7 N5 ^
发表于 2013-6-21 20:37:27 来自手机 | 显示全部楼层 来自: 中国湖北黄冈
用三坐标测量机。但感到图行位公差标的有问题:基准孔,待测孔的圆柱度都是0.005,而同轴度误差也只有0.005,怎么区分?基准和被测孔的形状误差应该小于位置误差。

评分

参与人数 1三维币 +3 收起 理由
驿马狂奔 + 3 应助

查看全部评分

发表于 2013-6-22 10:45:30 | 显示全部楼层 来自: 加拿大
测量设备的精度要到0.001,估计要光学仪器了

评分

参与人数 1三维币 +2 收起 理由
驿马狂奔 + 2 应助

查看全部评分

发表于 2013-6-22 13:22:14 | 显示全部楼层 来自: 中国江苏南京
上三坐标,蔡司或者海克斯康、三丰的也可以

评分

参与人数 1三维币 +2 收起 理由
驿马狂奔 + 2 应助

查看全部评分

发表于 2013-6-22 13:44:52 | 显示全部楼层 来自: 中国江苏苏州
在三坐标上测量不能保证GR&R; 楼主发的图纸不是很全,这两个孔的加工定位基准没有, 楼主需说明加工时的定位基准。
9 x, {4 v, Q% f6 X8 [6 U
( ?' C" k7 T  M; ]3 U  `3 p建议楼主尝试用专用检具,一个旋转轴,两个测头测大孔,两个侧头测小头,用Scan的方法来测, 同时测量评价。

评分

参与人数 1三维币 +2 收起 理由
驿马狂奔 + 2 应助

查看全部评分

发表于 2013-6-22 19:18:20 | 显示全部楼层 来自: 中国上海
感觉少给了尺寸啊
发表于 2013-6-22 19:25:19 | 显示全部楼层 来自: 中国辽宁大连
jimmyqiu 发表于 2013-6-22 13:44 static/image/common/back.gif
( L7 P/ J+ |1 I- F7 E0 ~5 g在三坐标上测量不能保证GR&R; 楼主发的图纸不是很全,这两个孔的加工定位基准没有, 楼主需说明加工时的定位 ...
, R6 Y: T8 l/ M" ]
Scan是什么能介绍下吗?
发表于 2013-6-22 19:25:51 | 显示全部楼层 来自: 中国辽宁大连
jimmyqiu 发表于 2013-6-22 13:44 static/image/common/back.gif
0 x! n: J& c9 o' v* _% G; O4 G4 M在三坐标上测量不能保证GR&R; 楼主发的图纸不是很全,这两个孔的加工定位基准没有, 楼主需说明加工时的定位 ...
% s( v5 c  H# j+ X8 g5 v, h
Scan是什么能介绍下吗?
发表于 2013-6-22 19:27:57 | 显示全部楼层 来自: 中国辽宁大连
jimmyqiu 发表于 2013-6-22 13:44 static/image/common/back.gif; K- W% p7 O# [8 V9 `
在三坐标上测量不能保证GR&R; 楼主发的图纸不是很全,这两个孔的加工定位基准没有, 楼主需说明加工时的定位 ...
1 S  R5 K5 t/ s1 X" o; U& D
用Scan的方法来测, 同时测量评价。0 t- g4 ?% @: W! L8 g
能介绍下SCAN吗?
发表于 2013-6-23 17:48:34 | 显示全部楼层 来自: 中国浙江杭州
有些东西,检验麻烦!!
6 X, d8 L/ o* Z7 w7 n3 R% _7 s7 W5 |! f- p) P) g2 `1 Z
直接靠工艺就行了!!!, |9 g7 `. \9 y! t

7 M( ^) o' I9 a, B7 c4 z8 e同轴度,用同一刀车出来,就自动保证精度了!!!4 y: [! v! o; b- J" Y/ T* m  k
  S0 v  x' _1 V# D: @1 f
' P0 ?' Y0 y& H' `! X2 d
一般, 0.05 就是相当于,同一刀车出来的意思!!!

评分

参与人数 1三维币 +2 收起 理由
驿马狂奔 + 2 应助

查看全部评分

 楼主| 发表于 2013-6-24 09:29:54 | 显示全部楼层 来自: 中国贵州贵阳
tangcarlos3d 发表于 2013-6-21 20:37 static/image/common/back.gif) z/ Q, T  I/ k5 D0 J
用三坐标测量机。但感到图行位公差标的有问题:基准孔,待测孔的圆柱度都是0.005,而同轴度误差也只有0.005, ...
( b* v# y. F7 P7 o
比较好一点的三坐标测量机精度在1.5μ±2μ/1000,从精度上来说做MSA非常难合格,我们使用三坐标检测下来效果不理想。我们是来图加工,原图标注如此。
 楼主| 发表于 2013-6-24 09:30:52 | 显示全部楼层 来自: 中国贵州贵阳
daji 发表于 2013-6-22 10:45 static/image/common/back.gif
$ y; O+ ^( I% O  ^! {5 m( b测量设备的精度要到0.001,估计要光学仪器了
" S& J. u% u3 I% W2 d
能讲一下是哪种光学仪器吗?谢谢
 楼主| 发表于 2013-6-24 09:37:01 | 显示全部楼层 来自: 中国贵州贵阳
软体动物 发表于 2013-6-23 17:48 static/image/common/back.gif
9 f( e5 `. F% H" b有些东西,检验麻烦!!9 E8 O) t* s! G$ M# W; I) ]/ |7 J

" `( B, v2 T0 C; J7 N直接靠工艺就行了!!!
. K1 n4 Q0 j. ^! [8 e/ j% N  M
我们是一把刀加工的,装配试车也没有问题,但客户需要数据,沟通不下来
发表于 2013-6-24 10:17:27 来自手机 | 显示全部楼层 来自: 中国湖北黄冈
missyy 发表于 2013-6-24 09:37
3 ^+ ?9 T. h2 t9 Z' ~2 a我们是一把刀加工的,装配试车也没有问题,但客户需要数据,沟通不下来

( m. a5 f  N$ @5 \# b0 i# P2 L一把刀,但刀具的同轴度如何?何况刀具精度不等于加工精度!所以老外要数据。
 楼主| 发表于 2013-6-26 16:44:03 | 显示全部楼层 来自: 中国贵州贵阳
tangcarlos3d 发表于 2013-6-24 10:17 static/image/common/back.gif
8 S: H/ e6 S4 s8 ?. L一把刀,但刀具的同轴度如何?何况刀具精度不等于加工精度!所以老外要数据。

6 e( j% `* E+ n; R请问如何解决
发表回复
您需要登录后才可以回帖 登录 | 注册

本版积分规则

Licensed Copyright © 2016-2020 http://www.3dportal.cn/ All Rights Reserved 京 ICP备13008828号

小黑屋|手机版|Archiver|三维网 ( 京ICP备2023026364号-1 )

快速回复 返回顶部 返回列表