QQ登录

只需一步,快速开始

登录 | 注册 | 找回密码

三维网

 找回密码
 注册

QQ登录

只需一步,快速开始

展开

通知     

查看: 1457|回复: 5
收起左侧

[已答复] 夹具设计

[复制链接]
发表于 2013-7-2 10:19:14 | 显示全部楼层 |阅读模式 来自: 中国吉林长春

马上注册,结识高手,享用更多资源,轻松玩转三维网社区。

您需要 登录 才可以下载或查看,没有帐号?注册

x
本帖最后由 最爱wg 于 2013-7-2 10:20 编辑 , I* b: N! w4 S2 o% `" t
2 Q; `& o) |* k8 F' ^

0 x% f  t' R0 g1 S$ M; h* O
: w" I! v& s6 u/ |* @
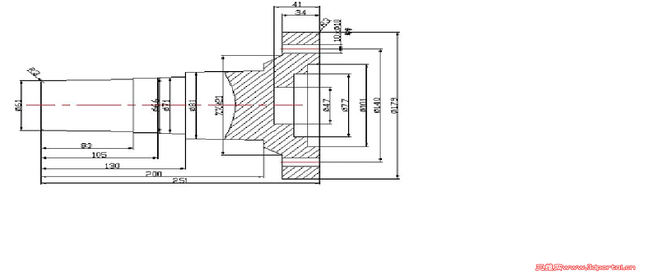
本人是一名学生,要完成一个关于车输出轴 外圆的夹具设计,有大神相助么?急啊,后天就要交作业了!!!!下图是毛坯图
无标题.png
发表于 2013-7-3 12:40:13 | 显示全部楼层 来自: 中国浙江宁波
自己开动脑筋,哪里不会上来问,问同学老师也成。

评分

参与人数 1三维币 +2 收起 理由
洪哥 + 2 讨论

查看全部评分

发表于 2013-7-3 13:49:54 | 显示全部楼层 来自: 中国湖北黄冈
车不需要夹具,用顶尖即可。钻10个圆周孔批量大时可用钻夹具。

评分

参与人数 1三维币 +2 收起 理由
渔樵 + 2 应助

查看全部评分

发表于 2013-7-3 16:38:57 | 显示全部楼层 来自: 中国新疆哈密地区
车这个不用夹具的  普通三爪加顶尖就可以完成

评分

参与人数 1三维币 +2 收起 理由
洪哥 + 2 讨论

查看全部评分

发表于 2013-7-8 21:25:53 | 显示全部楼层 来自: 中国河南洛阳
普通三爪加顶尖就可以完成

评分

参与人数 1三维币 +2 收起 理由
洪哥 + 2 感谢帮助

查看全部评分

发表于 2013-7-9 07:54:40 | 显示全部楼层 来自: 中国江苏苏州
你也不说,加工哪个位置,需要装夹哪里?别人怎么给你帮忙?

评分

参与人数 1三维币 +2 收起 理由
洪哥 + 2 讨论

查看全部评分

发表回复
您需要登录后才可以回帖 登录 | 注册

本版积分规则


Licensed Copyright © 2016-2020 http://www.3dportal.cn/ All Rights Reserved 京 ICP备13008828号

小黑屋|手机版|Archiver|三维网 ( 京ICP备2023026364号-1 )

快速回复 返回顶部 返回列表