QQ登录

只需一步,快速开始

登录 | 注册 | 找回密码

三维网

 找回密码
 注册

QQ登录

只需一步,快速开始

展开

通知     

查看: 2660|回复: 20
收起左侧

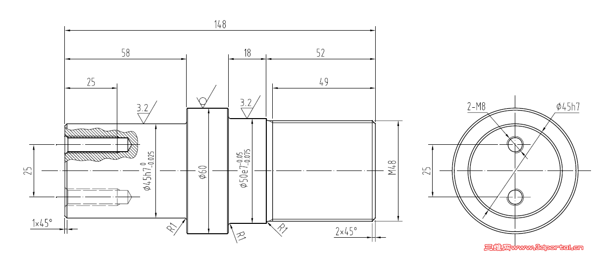
[求助] 这根轴用mastercam怎么加工啊?特别是轴端的两个螺纹孔~

[复制链接]
发表于 2013-7-6 08:32:49 | 显示全部楼层 |阅读模式 来自: 中国河北唐山

马上注册,结识高手,享用更多资源,轻松玩转三维网社区。

您需要 登录 才可以下载或查看,没有帐号?注册

x
捕获.PNG
发表于 2013-7-6 09:14:29 | 显示全部楼层 来自: 中国天津
这问题也太低级了。这不是mastercam的问题,是工艺的问题。
发表于 2013-7-6 09:20:26 | 显示全部楼层 来自: 中国广东东莞
这是车床的工作,拿到铣床上来做
 楼主| 发表于 2013-7-6 09:24:16 | 显示全部楼层 来自: 中国河北唐山
yuanmeto 发表于 2013-7-6 09:20 static/image/common/back.gif
& }& s8 c/ T. h* v. E/ a这是车床的工作,拿到铣床上来做

( N% y: L/ a, t. ~. Pmastercam 不是可以车床加工吗?只是那两个螺纹孔,感觉车床上加工不了啊
发表于 2013-7-6 09:29:05 | 显示全部楼层 来自: 中国广东东莞
冰雪雨 发表于 2013-7-6 09:24 static/image/common/back.gif
( v+ ~, R, J, f9 p( {mastercam 不是可以车床加工吗?只是那两个螺纹孔,感觉车床上加工不了啊
8 G7 d: J! u, i; v* L# Q9 O) Q0 }
:dizzy:这两个孔普通铣床都可以钻了.如果是要求 不高的.熟手一点的钳工画线出来在普通钻床都可以钻了.
 楼主| 发表于 2013-7-6 09:58:31 | 显示全部楼层 来自: 中国河北唐山
我们做课程设计,选的这个零件,要求用mastercam仿真加工,不晓得在mastercam上怎么操作、、
发表于 2013-7-6 10:08:31 | 显示全部楼层 来自: 中国浙江衢州
用车铣就可以了呀
发表于 2013-7-6 10:30:17 | 显示全部楼层 来自: 中国江苏苏州
用牙啃啃就出来了

点评

大哥 好牙口  发表于 2013-7-6 11:00
发表于 2013-7-6 11:15:42 | 显示全部楼层 来自: 中国河北唐山
mazak 发表于 2013-7-6 10:08 static/image/common/back.gif
1 s1 g! K' T  {& q用车铣就可以了呀

! N0 T# {5 d! J* f嗯?那得换床子吧?还要生成两份代码,在master里怎么仿真啊?
发表于 2013-7-6 11:31:58 | 显示全部楼层 来自: 中国湖北黄冈
冰雪雨 发表于 2013-7-6 09:58 static/image/common/back.gif
: B. F: o4 r  w* s$ P: `我们做课程设计,选的这个零件,要求用mastercam仿真加工,不晓得在mastercam上怎么操作、、
/ \9 q+ j: U/ \( I2 {
要求用mastercam仿真加工,只是加工圆柱部分,并不是端面的螺纹也必用MASTERCSM、数控机床加工出来。
& E  |7 r9 I: L& h( |该数控加工的就上CNC,不该的就用其他设备加工。
发表于 2013-7-6 12:13:35 | 显示全部楼层 来自: 中国江苏常州
中国有个做切削刀具的公司叫亚肯,很出名的* T# q# }- j1 S. f

3 q0 j4 X$ x  A) t: K9 h; r6 k

图片

图片
发表于 2013-7-6 12:22:25 | 显示全部楼层 来自: 中国福建泉州
sunmingxiao0216 发表于 2013-7-6 10:30 static/image/common/back.gif
$ O  k% m9 n8 |  Z! a8 J3 n用牙啃啃就出来了

  [* Y6 a; t2 _# t# s是铁齿铜牙吗?
发表于 2013-7-6 12:24:04 | 显示全部楼层 来自: 中国福建泉州
这个就是个数控车或者是车床加工的问题,比较简单,另外两个孔如果量大的话,就开个钻模具就好了
发表于 2013-7-6 13:46:04 | 显示全部楼层 来自: 中国江苏苏州
讨论这种问题会被雷劈的
发表于 2013-7-6 17:54:03 | 显示全部楼层 来自: 中国上海
车铣中心   端面钻孔
发表于 2013-7-7 11:35:51 | 显示全部楼层 来自: 中国天津
在车系复合上做就可以了
发表于 2013-7-7 22:36:21 | 显示全部楼层 来自: 中国广东惠州
难不成要搞个偏心轴不成?
发表于 2013-7-10 11:02:34 | 显示全部楼层 来自: 中国江苏苏州
这个好做,车铣复合机上做,联系我QQ1397983815帮您搞好。
发表于 2013-7-10 11:14:38 | 显示全部楼层 来自: 中国山东烟台
这就是学校教育和生产实践的区别!在学校学到的机械加工知识太少了!三维网呆三月,够学校学三年了!
发表于 2013-7-11 19:41:35 来自手机 | 显示全部楼层 来自: 中国上海
好晕,好晕,好好学习,不然毕业了要不到工作
发表于 2014-5-3 16:49:45 | 显示全部楼层 来自: 中国广东梅州
什么课题啊,难道MC处处出人才。。。
发表回复
您需要登录后才可以回帖 登录 | 注册

本版积分规则


Licensed Copyright © 2016-2020 http://www.3dportal.cn/ All Rights Reserved 京 ICP备13008828号

小黑屋|手机版|Archiver|三维网 ( 京ICP备2023026364号-1 )

快速回复 返回顶部 返回列表