QQ登录

只需一步,快速开始

登录 | 注册 | 找回密码

三维网

 找回密码
 注册

QQ登录

只需一步,快速开始

展开

通知     

查看: 3805|回复: 5
收起左侧

[求助] 求助液压管接头用solidworks怎么画啊?有弯度

[复制链接]
发表于 2013-7-13 18:09:39 | 显示全部楼层 |阅读模式 来自: 中国湖北咸宁

马上注册,结识高手,享用更多资源,轻松玩转三维网社区。

您需要 登录 才可以下载或查看,没有帐号?注册

x
会画的说个步骤啊,拜托啦
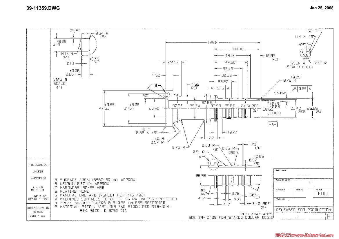
3911359 A.JPG
 楼主| 发表于 2013-7-13 18:11:45 | 显示全部楼层 来自: 中国湖北咸宁
主要是带弯度的
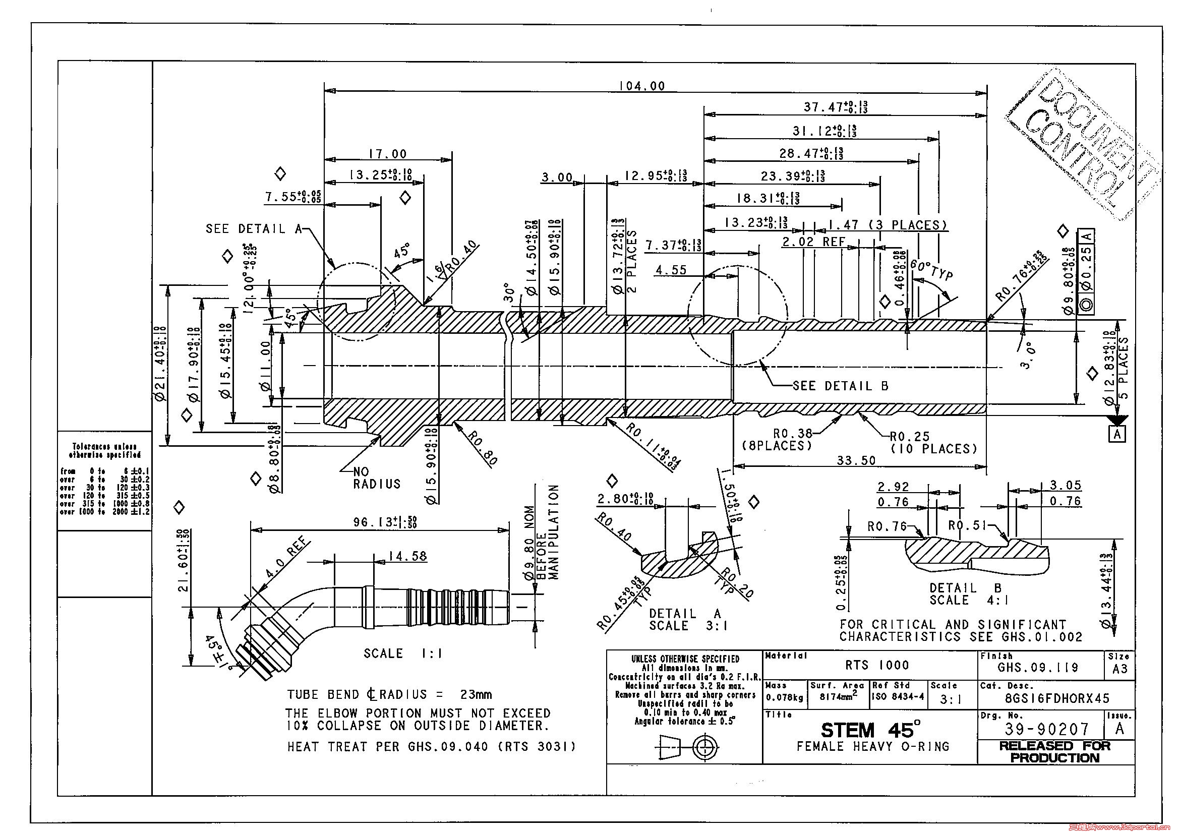
3990207 A.JPG
发表于 2013-7-14 08:27:08 | 显示全部楼层 来自: 中国江苏无锡
弯管部分可以扫描一下的吧
+ [% \& Q2 y2 W' k* a2 ~0 O! Q1 X
发表于 2013-7-14 08:36:47 | 显示全部楼层 来自: 中国安徽合肥
本帖最后由 zll3310737 于 2013-7-14 08:59 编辑
: Y2 F- P8 I/ ^7 p7 R& I7 A& L- U0 R( Y% E
思路:弯曲部分扫描出来,扫描至15.9尺寸,然后后面的可以用扫描出来的圆做中心线,基准面,旋转出来。
QQ截图20130714085846.jpg
发表于 2013-7-14 09:26:09 | 显示全部楼层 来自: 中国山东青岛
弯管用焊接轮廓做,画个弧度中线,用哪个直径的管就选焊接轮廓。。弯头是标准件
发表于 2013-7-14 09:28:43 | 显示全部楼层 来自: 中国天津
扫描之后,旋转切除
发表回复
您需要登录后才可以回帖 登录 | 注册

本版积分规则


Licensed Copyright © 2016-2020 http://www.3dportal.cn/ All Rights Reserved 京 ICP备13008828号

小黑屋|手机版|Archiver|三维网 ( 京ICP备2023026364号-1 )

快速回复 返回顶部 返回列表