QQ登录

只需一步,快速开始

登录 | 注册 | 找回密码

三维网

 找回密码
 注册

QQ登录

只需一步,快速开始

展开

通知     

全站
8天前
查看: 5655|回复: 25
收起左侧

[已解决] 真正的薄壁件加工

 关闭 [复制链接]
发表于 2006-8-2 20:43:05 | 显示全部楼层 |阅读模式 来自: 中国四川绵阳

马上注册,结识高手,享用更多资源,轻松玩转三维网社区。

您需要 登录 才可以下载或查看,没有帐号?注册

x
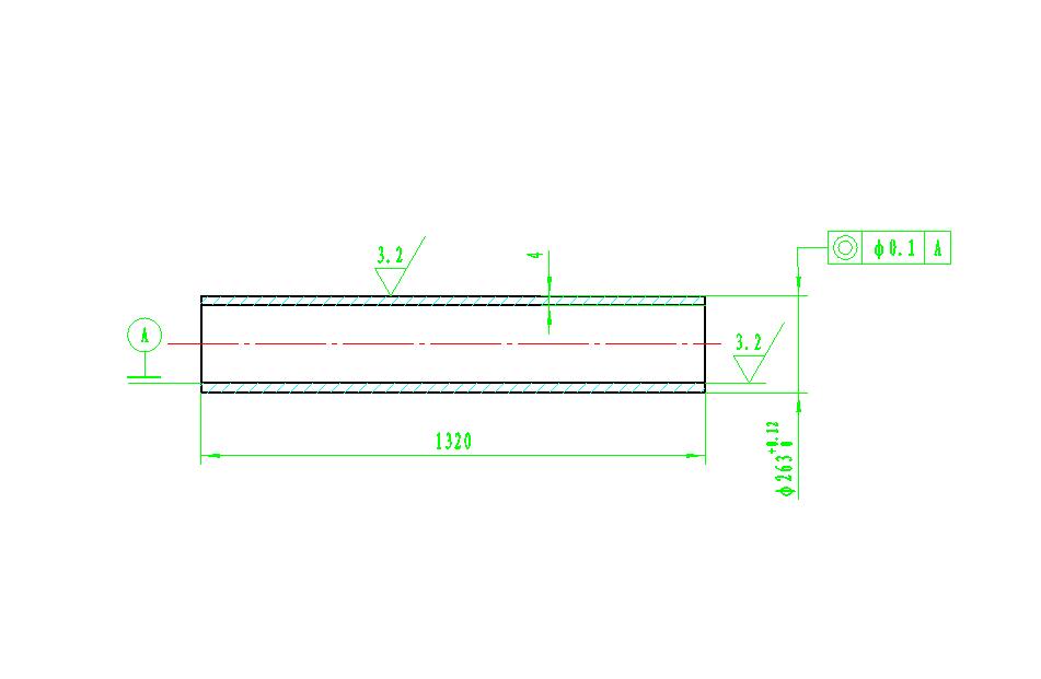
材料LY12CZ,图纸基本尺寸如下,欢迎各位高手讨论下加工工艺,从材料开始,从刀具、机床,到工艺过程与手段 2.JPG - t  |" L5 A$ o+ }7 E& \1 @/ }1 L

9 T4 L: G& x5 V- @+ \[ 本帖最后由 jiang.jh 于 2006-8-4 23:03 编辑 ]
发表于 2006-8-3 12:34:27 | 显示全部楼层 来自: 中国浙江杭州
非常感谢呀,我得好好学习学习
发表于 2006-8-3 13:00:47 | 显示全部楼层 来自: 中国浙江杭州
楼主说话太NX,我是来学习的~
发表于 2006-8-3 13:20:27 | 显示全部楼层 来自: 中国江苏常州
我也是来学习的
4 @0 X& s5 e; v$ i1 j& m6 Z6 u多多关照
发表于 2006-8-3 16:22:10 | 显示全部楼层 来自: 中国北京
壁厚是1mm还是4mm???????? 如果是4mm 可以用拉床拉出
发表于 2006-8-4 09:16:07 | 显示全部楼层 来自: 中国河南许昌
楼主想要表达什么意思?看不明白!
发表于 2006-8-4 13:43:46 | 显示全部楼层 来自: 中国广东珠海
不明白意思。说清楚点
发表于 2006-8-4 21:10:46 | 显示全部楼层 来自: 中国陕西西安
学习,好好学习学习.
 楼主| 发表于 2006-8-4 22:38:33 | 显示全部楼层 来自: 中国四川绵阳
我先扔块砖,这个零件难点是怎样控制零件的变形。: g3 e  S0 G( B$ [
材料采用管料,状态cz,先粗车外圆和内孔,留内孔4mm,外圆8mm余量;时效;精车外形留余量6mm;半精镗孔留余量1mm;时效;精细镗孔到尺寸;穿芯轴车外形;连同芯轴一起时效。
( e* i  A' _% c- b- \. @这样做有个问题,由于壁薄,在精细镗时候下活,零件可能变形,外形余量偏大,精车外形后可能抱死芯轴无法取出,当然尺寸公差没法保证,余量太少,镗孔刚性不够,精度也难保证。
- r) `/ U$ U3 v各位有什么高招也一起说下

评分

参与人数 1三维币 +5 收起 理由
渔樵 + 5 技术讨论

查看全部评分

发表于 2006-8-4 22:42:26 | 显示全部楼层 来自: 中国上海
现在连看的权利都没有了
发表于 2006-8-4 23:17:38 | 显示全部楼层 来自: 中国江苏南京
国内由于原材料 水平比较落后,所以一直喜欢用2A12CZ态的材料加工东西,由于是自然失效,所以这种材料状态不是很稳定,易变形,加工应力大,可以说是一种机械加工工艺性非常差的材料,且材料极易腐蚀,LY12唯一的优点是强度高,所以好多设计就爱用它!国外也用LY12(2A12),相同牌号是2024 ,不过他们可不是简单的CZ态,而是T451,T351态,即自然时效后,预拉伸处理。能够消除70%以上的材料内应力。所以工艺加工起来就方便多了!最多一道时效,精度一般的,都可以直接加工成型,
% j0 b# V5 @! |& T! ^楼主能把上图工件做出来,也是不容易,确实难搞!如果批量很大的话,建议改成5A05,强度有一定损失,不够损失不是很多的!大概%70不到一点!如果强度真的要求高就用7075(T651态)了5 j# _. r1 s. _$ u/ E+ [
从这里就能看出为什么说中国的经济增长是粗放型的了,做这么个东西,两道热处理,人员,刀具,能量损耗太大,就为了解决一个变形问题。
8 ?- b) S, }' [3 Z8 U! C" O$ |3 m中国铝厂都是老大,细节问题做的还是不到位; x$ v; T# Y# w5 P+ q

1 ~6 R. D9 C7 V[ 本帖最后由 lizhi_b 于 2006-8-4 23:23 编辑 ]

评分

参与人数 1三维币 +5 收起 理由
渔樵 + 5 技术讨论

查看全部评分

 楼主| 发表于 2006-8-4 23:30:48 | 显示全部楼层 来自: 中国四川绵阳
10楼说的不错,很多人喜欢用LY12,都是沿袭下来的,很难改,说实在话,上面的零件作出来的尺寸稳定性差,不同批次材料,同样的工序作出的都不一样,而且合格率很低,从工艺过程讲,各位还有什么好的方法?

评分

参与人数 1三维币 +5 收起 理由
渔樵 + 5 技术讨论

查看全部评分

发表于 2006-8-4 23:41:18 | 显示全部楼层 来自: 中国江苏南京
看不出这个东西是干吗用的;)直径那么大,还有同轴度要求!!如果在加个直线度要求,那简直就是绝活了!和工业话生产相去太远了!
 楼主| 发表于 2006-8-5 21:25:45 | 显示全部楼层 来自: 中国四川绵阳
没见到过不要乱说,实际的零件比图上的还要难
发表于 2006-8-6 09:00:27 | 显示全部楼层 来自: 中国广东惠州
有些难度,我想热处理消除材料应力,再镗内孔后用心轴装夹再车外圆可以保证精度要求吧!
发表于 2006-8-8 19:01:44 | 显示全部楼层 来自: 中国广东深圳
如果不看下面的答案,还真的不大明白楼主的意思
发表于 2006-8-10 00:50:56 | 显示全部楼层 来自: 中国湖北宜昌
先将工件内外圆粗车留4-5mm,失效,然后半精车内外圆留0.4-0.5mm,先行磨内孔再配车两堵头上床外圆至尺寸(注意不要顶的太紧).
发表于 2006-8-23 21:52:39 | 显示全部楼层 来自: 中国江苏南京
才4mm啊.我们单位3mm的不锈钢都加工过的.
发表于 2006-8-23 22:52:45 | 显示全部楼层 来自: 中国黑龙江佳木斯
请问各位高人,LY12CZ是什么材料,简单介绍一下它的用处好吗.,我头一回看到,谢各位高人了.
 楼主| 发表于 2006-8-25 19:43:24 | 显示全部楼层 来自: 中国四川绵阳
原帖由 youkey_qzy 于 2006-8-23 21:52 发表* O" \  t! t2 v. u( w( c1 R
才4mm啊.我们单位3mm的不锈钢都加工过的.

0 U' n% P! _9 Q: B/ p" ]$ q2 o 不锈钢有很多种,不同不锈钢加工难度不一样,铝的薄壁加工的变形控制比某些不锈钢的变形难控制的多。
0 E2 T) y% W# ^2 X  w- G. y请问什么材料、长度多少、工艺如何?不要吹大气
发表于 2006-8-26 21:01:54 | 显示全部楼层 来自: 中国江苏南京
飞机发动机机上的.壁厚2.5mm.材料:美国CRES 347
发表于 2007-5-4 20:29:38 | 显示全部楼层 来自: 中国安徽滁州
大家加工是加工了,我担心的装夹问题是怎么解决的呢?
; U0 {: t$ z' r& g/ [! V问一下17楼,半精车内外时,如何装夹好一点呢。
发表于 2007-5-4 21:50:11 | 显示全部楼层 来自: 中国山东潍坊
大家说说有没有好的的工艺了。要不楼主说说你们那儿的加工工艺了大家学习一下了!!youkey_qzy 您也说说您的加工工艺好吗?
发表于 2007-5-4 23:21:35 | 显示全部楼层 来自: 中国山东烟台
是呀说都很容易加工难,上面说的怎么装我想下个蕊能好点吧你的公差行吗
头像被屏蔽
发表于 2007-5-6 11:26:39 | 显示全部楼层 来自: 中国上海
提示: 作者被禁止或删除 内容自动屏蔽
发表回复
您需要登录后才可以回帖 登录 | 注册

本版积分规则


Licensed Copyright © 2016-2020 http://www.3dportal.cn/ All Rights Reserved 京 ICP备13008828号

小黑屋|手机版|Archiver|三维网 ( 京ICP备2023026364号-1 )

快速回复 返回顶部 返回列表