QQ登录

只需一步,快速开始

登录 | 注册 | 找回密码

三维网

 找回密码
 注册

QQ登录

只需一步,快速开始

展开

通知     

查看: 2585|回复: 11
收起左侧

[已答复] 谁能发个双片齿轮消隙的齿轮结构图?

[复制链接]
发表于 2013-8-2 21:18:12 | 显示全部楼层 |阅读模式 来自: 中国北京

马上注册,结识高手,享用更多资源,轻松玩转三维网社区。

您需要 登录 才可以下载或查看,没有帐号?注册

x
谁能发个双片齿轮消隙的齿轮结构图?9 Y' J9 ^- b( y8 m; @8 X8 K* X5 x$ `
就是小齿轮1分2片那种,我想知道微调装置怎么弄
发表于 2013-8-2 21:58:23 | 显示全部楼层 来自: 中国浙江嘉兴
是不是所谓的“零”侧隙机构?

评分

参与人数 1三维币 +2 收起 理由
洪哥 + 2 讨论

查看全部评分

 楼主| 发表于 2013-8-2 22:12:03 | 显示全部楼层 来自: 中国北京
zjjxtch 发表于 2013-8-2 21:58 static/image/common/back.gif
' R" O, v+ _9 `* [是不是所谓的“零”侧隙机构?

. l' ~9 k3 W) K$ ]0 Z+ H- D5 \4 L零侧隙做不到吧!有图吗
发表于 2013-8-3 12:03:45 | 显示全部楼层 来自: 中国浙江嘉兴
{H@V8{}TYC(MCE}8%I}WW@6.jpg
# n! R. |7 ?# I) O4 \; X" n' q

评分

参与人数 1三维币 +6 收起 理由
洪哥 + 6 感谢帮助

查看全部评分

 楼主| 发表于 2013-8-3 13:31:55 | 显示全部楼层 来自: 中国北京
zjjxtch 发表于 2013-8-3 12:03 static/image/common/back.gif

+ Z" w+ D, V3 U4 y0 Y3 e4 I- k( u; M/ Y这种我看过,不太适合。我的是正反转,有一定的冲击,需要两片一样厚。现在就是微调机构着有没有好的方案
发表于 2013-8-3 14:29:51 | 显示全部楼层 来自: 中国湖南岳阳
本帖最后由 TKG-09 于 2013-8-3 14:55 编辑 5 k, p9 j3 q' w* Y& I
% h0 |( ]6 |* u# |6 }: M- _/ c* r
正反转,双齿错齿可调弹簧消除侧隙传动,要求齿轮制造精度高,否则容易磨损、发热。
1.jpg
2.jpg

评分

参与人数 1三维币 +8 收起 理由
洪哥 + 8 感谢帮助

查看全部评分

发表于 2013-8-24 19:33:50 | 显示全部楼层 来自: 中国江苏南京
本帖最后由 hhq426 于 2013-8-24 19:47 编辑 1 ?6 B1 J6 R, I! N4 R
) x# `6 o4 Y6 [
4楼发的机构在孝感机床厂制造的4缸曲轴连杆径数控磨床的左右两偏心夹具由花键轴同步驱动中设计使用,30多年前我看过该图纸,是华中工学院段正澄著名老教授带领10多位教师设计的,可以承受加大负荷。其齿轮齿面是精密齿轮磨床加工的,8级精度。

评分

参与人数 1三维币 +3 收起 理由
洪哥 + 3 感谢帮助

查看全部评分

 楼主| 发表于 2013-8-24 20:55:19 | 显示全部楼层 来自: 中国北京
hhq426 发表于 2013-8-24 19:33 static/image/common/back.gif
  x2 X4 X* J$ n8 s4 Z, c; \" W4楼发的机构在孝感机床厂制造的4缸曲轴连杆径数控磨床的左右两偏心夹具由花键轴同步驱动中设计使用,30多年 ...

! ]' j) c% a9 t可以承受正反向大承载吗

评分

参与人数 1三维币 +2 收起 理由
洪哥 + 2 回应

查看全部评分

发表于 2013-9-2 07:45:36 | 显示全部楼层 来自: 中国江苏无锡
本帖最后由 wfwling12 于 2013-9-2 07:48 编辑
* f0 {2 G" }* [, V" p
TKG-09 发表于 2013-8-3 14:29 static/image/common/back.gif0 |7 c8 ?5 \/ v: V8 ~# p: I; D
正反转,双齿错齿可调弹簧消除侧隙传动,要求齿轮制造精度高,否则容易磨损、发热。
4 o1 `* e7 ]2 Z7 e* T! q
弹簧的弹性对运动有影响吗,反转时如果传递的转矩大的话,会不会弹簧被拉伸,% y$ K9 i! C/ `6 \! p* n4 t
调节齿轮被压在定齿轮同一个位置。那这个调节齿轮起什么作用呢?、?
发表于 2014-2-15 17:18:37 | 显示全部楼层 来自: 中国北京
本帖最后由 hhq426 于 2014-2-15 17:27 编辑
0 _$ M( o7 X$ `4 Y+ ^+ K# @
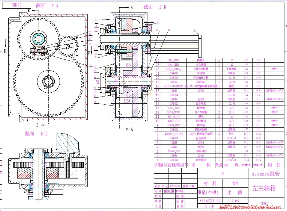
. K9 h) s! A- d6 H, Q3 P: v& _. t" |# v在精密曲轴连杆径数控磨床中,曲轴的前面是两主轴箱之间的传动轴)一改上海机床厂曲轴连杆径磨床的传统齿形链减速的(无声链)前后主轴箱传动的结构,使该产品在部分上赶上国际水平,随着国内整体工业的发展,目前该机床已经接近世界先进水平。两主轴箱由一个伺服电机达到同步驱动。请看工程图(前后主轴箱结构基本相同):件9固定在件2齿轮上,件2和件5齿轮是同轴连接,其齿轮齿面均为齿轮磨床磨削加工。两件9螺钉顶着件10,微调前述两齿轮之间的相对角度,从而消除齿轮间的径向间隙。齿形链在使用中的拉伸变形和磨损在每个节链中并不是相等的,所以两主轴箱的夹盘就不可能同步,使曲轴的中心线与主传动主轴箱的夹盘中心线形成偏转夹角。改进后的偏转夹角减少到原来的0.25以下,即对曲轴连杆轴径的名义位置度正负0.075以内;大大减少了连杆轴径的偏磨量,保证了连杆轴径的淬火层均匀性。     30年前华中工学院段正程澄教授带领17位教师为孝感机床厂(现为:孝感鄂职九洲数控机床有限公司)设计的数控曲轴连杆轴径磨床传动结构的示意图,是我凭回忆绘制的。
q3.jpg
q4.jpg
q5.jpg
 楼主| 发表于 2014-2-16 09:23:31 | 显示全部楼层 来自: 中国北京
hhq426 发表于 2014-2-15 17:18 static/image/common/back.gif. ~( F: Q6 c6 D/ y: u  {# d. Q
在精密曲轴连杆径数控磨床中,曲轴的前面是两主轴箱之间的传动轴)一改上海机床厂曲轴连杆径磨床的传统齿形 ...
% I# g3 u* ~! @5 ?4 J# r9 C9 z8 c
多谢,讲解!很棒
发表于 2014-2-18 14:03:13 | 显示全部楼层 来自: 中国上海
不知道 真不知道。。。赚积分而已
发表回复
您需要登录后才可以回帖 登录 | 注册

本版积分规则


Licensed Copyright © 2016-2020 http://www.3dportal.cn/ All Rights Reserved 京 ICP备13008828号

小黑屋|手机版|Archiver|三维网 ( 京ICP备2023026364号-1 )

快速回复 返回顶部 返回列表