QQ登录

只需一步,快速开始

登录 | 注册 | 找回密码

三维网

 找回密码
 注册

QQ登录

只需一步,快速开始

展开

通知     

查看: 2035|回复: 3
收起左侧

[已解决] 这个加工工艺如何做?请指教

[复制链接]
发表于 2006-9-12 16:48:15 | 显示全部楼层 |阅读模式 来自: 中国山东青岛

马上注册,结识高手,享用更多资源,轻松玩转三维网社区。

您需要 登录 才可以下载或查看,没有帐号?注册

x
这个加工工艺如何做?请指教
rod cover.jpg
 楼主| 发表于 2006-9-12 17:48:17 | 显示全部楼层 来自: 中国山东青岛

工艺问题

我是新手,请大虾指教工艺如何做
piston.jpg
发表于 2006-9-13 10:50:42 | 显示全部楼层 来自: 中国湖北十堰
我先来发个方案(高手指教)
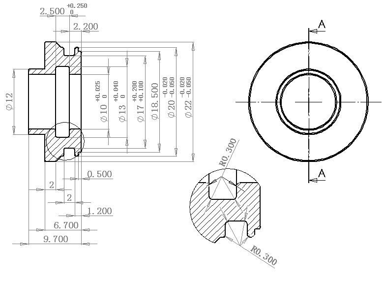
/ f! ]8 O+ m9 C( q1 p. Z9 `' q毛坯用一根整料
; J8 n, i) q. z( U6 p# \& O1、车端面、外圆Φ22到尺寸、切槽2×Φ17.5、钻孔Φ9.7、切内孔槽2.5×Φ13、铰孔至尺寸Φ10+0.025、切断(端面留余量0.5)、成形刀车Φ18.5、Φ20、Φ17部位到图纸尺寸。
1 e$ O2 c. f# H" l0 S% a2、调头弹簧夹头或软爪夹持,平端面至尺寸9.7,车外圆至尺寸Φ12。
3 h: @6 C$ d  _3、去毛刺、清洗
 楼主| 发表于 2008-2-15 15:03:35 | 显示全部楼层 来自: 中国山东青岛
谢谢,已经学习了
发表回复
您需要登录后才可以回帖 登录 | 注册

本版积分规则


Licensed Copyright © 2016-2020 http://www.3dportal.cn/ All Rights Reserved 京 ICP备13008828号

小黑屋|手机版|Archiver|三维网 ( 京ICP备2023026364号-1 )

快速回复 返回顶部 返回列表