QQ登录

只需一步,快速开始

登录 | 注册 | 找回密码

三维网

 找回密码
 注册

QQ登录

只需一步,快速开始

展开

通知     

查看: 1027|回复: 1
收起左侧

[求助] HGT 20592-2009 钢制管法兰(PN系列) 带颈对焊法兰的N和A1标注的具体位置在哪里

[复制链接]
发表于 2013-9-2 15:26:09 | 显示全部楼层 |阅读模式 来自: 中国四川成都

马上注册,结识高手,享用更多资源,轻松玩转三维网社区。

您需要 登录 才可以下载或查看,没有帐号?注册

x
本帖最后由 jf891028 于 2013-9-2 15:34 编辑 ! }. O# t3 c0 I1 _

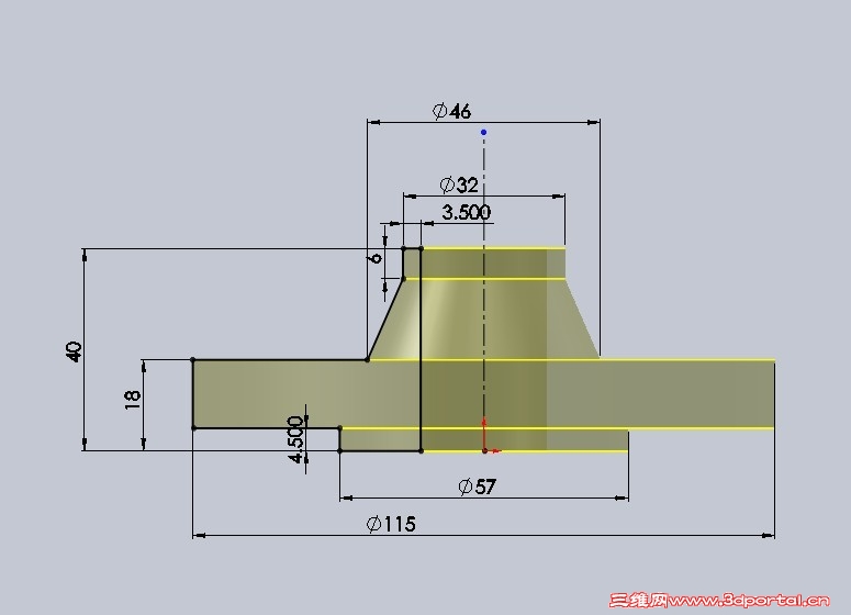
2 ]2 Y$ V! G! gHGT 20592-2009 钢制管法兰(PN系列)  带颈对焊法兰的N和H1标注的具体位置在哪里  J1 q0 G7 }, ^# d9 _- I+ n& G
我是用solidworks画的零件图,后倒的圆角,可是出工程图的时候原先的标注位置就不存在了,不知道该怎么标注了。有谁能解答一下。
QQ图片20130902152122.jpg
QQ图片20130902153357.jpg
QQ图片20130902153120.jpg
发表于 2013-9-2 15:42:12 | 显示全部楼层 来自: 中国江苏无锡
先生成虚拟交点,再标注。
发表回复
您需要登录后才可以回帖 登录 | 注册

本版积分规则


Licensed Copyright © 2016-2020 http://www.3dportal.cn/ All Rights Reserved 京 ICP备13008828号

小黑屋|手机版|Archiver|三维网 ( 京ICP备2023026364号-1 )

快速回复 返回顶部 返回列表