QQ登录

只需一步,快速开始

登录 | 注册 | 找回密码

三维网

 找回密码
 注册

QQ登录

只需一步,快速开始

展开

通知     

查看: 4885|回复: 23
收起左侧

[已解决] Ra0.8 深孔怎么加工?

[复制链接]
发表于 2006-9-14 14:23:43 | 显示全部楼层 |阅读模式 来自: 中国浙江杭州

马上注册,结识高手,享用更多资源,轻松玩转三维网社区。

您需要 登录 才可以下载或查看,没有帐号?注册

x
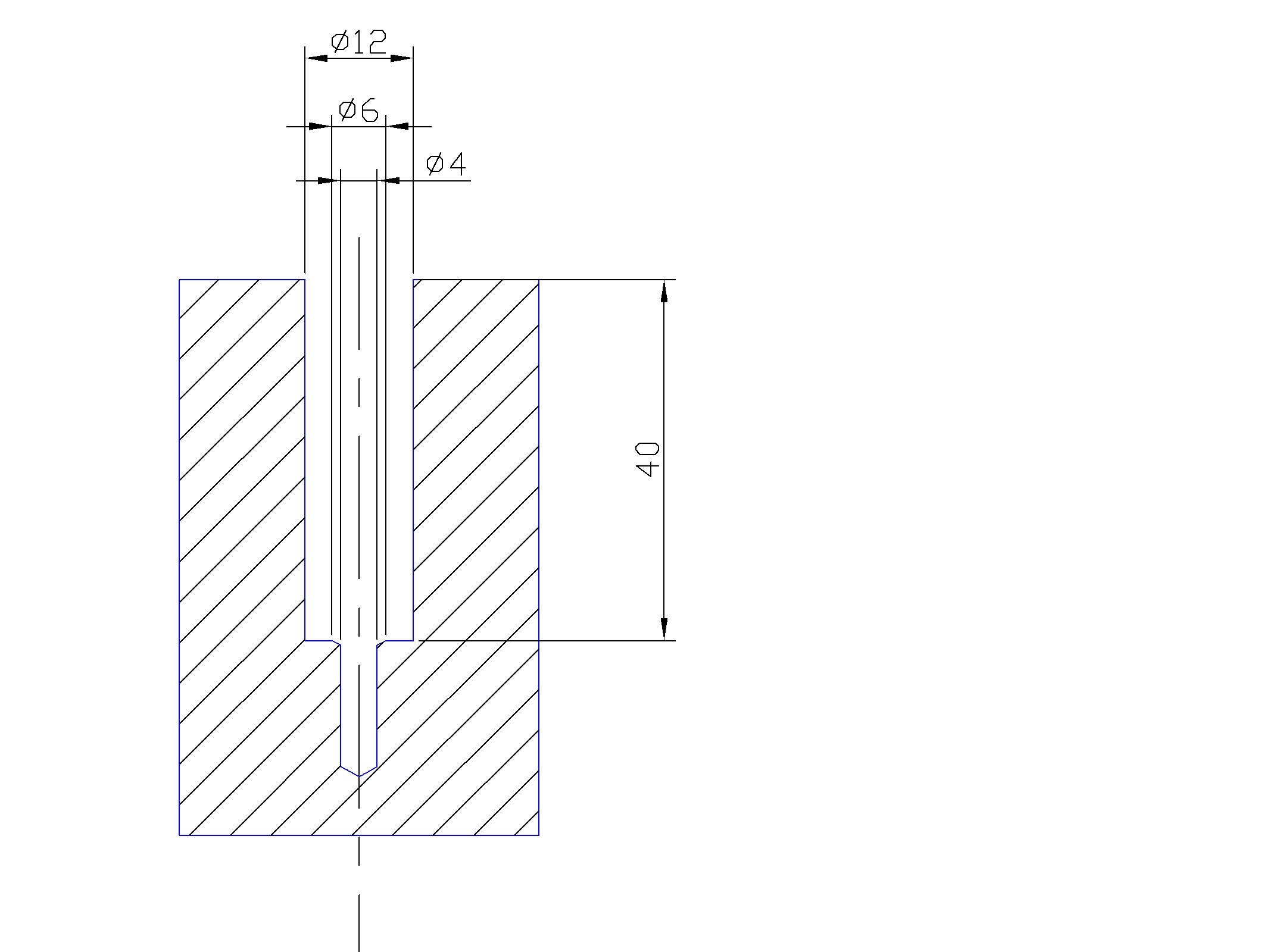
如图所示
' ^8 z% n' z% ]9 }" ]1 s4 y; q, p+ W: pΦ4孔内壁,Φ6孔与Φ4孔倒角(1×60°),Φ12孔底粗糙度都要求Ra0.8 怎么加工呢?6 y' l6 G. U: v3 T1 B- W. t
如果Ra1.6又怎么加工呢?
hole.jpg
发表于 2006-9-14 18:59:58 | 显示全部楼层 来自: 中国重庆
粗钻一下,用硬质合金复合钻加工完成,图纸标注完全吗?没位置度要求?
发表于 2006-9-14 20:01:35 | 显示全部楼层 来自: 中国山东烟台
图纸尺寸没有公差,没有型位公差,只有粗糙度(Ra0.8)要求那就应该好办。4 `- W$ N' d8 O+ L
1、粗加工:如果有阶梯钻头直接钻,没有的话就先铣大孔再钻小孔,留有0.2mm余量(直径方向)。! C1 m4 f3 C) X0 q( F- b
2、精加工:磨小孔,扩、铰大孔,再锪那个倒角。9 U" a; h8 I) n, |/ j
Ra1.6时:把上面第二序铰大孔可以不做) p3 {" L6 m$ s8 t* E5 o
以上只是粗略划分粗、精加工工序,没有细分。' f' F( O5 f7 C7 D5 F5 [
希望高手多出高招啊。

评分

参与人数 1三维币 +5 收起 理由
wuling + 5 应助

查看全部评分

发表于 2006-9-14 21:02:01 | 显示全部楼层 来自: 中国四川成都
钢的还是铝的,铝孔用铰刀光孔径,锪平,钢的只有用珩磨或研磨了,不知道行不?
 楼主| 发表于 2006-9-14 21:59:26 | 显示全部楼层 来自: 中国浙江杭州
to 四楼: 材料为HT250 8 N& |& {6 P" y0 G( J  p, U" d

+ }% E" P5 \# k7 ?" s) ^6 D- H& bto 二楼: 用硬质合金复合钻加工,那么要定做刀具了,还有粗糙度能到0.8吗?
, U$ M  S  \; p7 v; Qto 三楼: 40深的孔,磨倒角用什么磨呢?
发表于 2006-9-14 23:38:38 | 显示全部楼层 来自: 中国四川成都
铸铁的话,看样子只能用研磨的方法了,不知其他高人有办法没?
发表于 2006-9-15 08:58:54 | 显示全部楼层 来自: 中国山东烟台
原帖由 cnbuffer 于 2006-9-14 21:59 发表
0 {+ C9 ?/ s& t  \) N1 A1 ~2 Hto 三楼: 40深的孔,磨倒角用什么磨呢?

3 g/ p2 ~6 L- O# A# Q5 v我没有说磨啊,我说锪那个倒角,应该可以的。
发表于 2006-9-15 12:52:20 | 显示全部楼层 来自: 中国四川成都
不行的,铸铁靠锪达不到0.8( t+ g( A& f  l0 f: v
! m+ ?) z& z1 ^8 g8 y& {3 ]- a
[ 本帖最后由 sxw68 于 2006-9-15 15:35 编辑 ]
发表于 2006-9-15 15:36:12 | 显示全部楼层 来自: 中国山东烟台
是铸铁那就得磨,方法大家可以再讨论。
; k& E# f/ e% _; g! G我对楼主的图纸要求有点疑问,倒角干嘛要那么高的光洁度,倒角一般就是空刀作用啊,请楼主说明好吗?
发表于 2006-9-15 17:12:55 | 显示全部楼层 来自: 中国重庆
用硬质合金复合钻加工,如果你的机床主轴精度高,硬质合金复合钻设计合理,Ra0.8应该没问题。
发表于 2006-10-29 00:53:06 | 显示全部楼层 来自: 中国湖北宜昌
先钻后扩孔,再铰孔.铰孔分粗、精铰.注意:精铰铰刀应先较大的上工具磨改磨后再进行研磨,达至1.6应该没问题.0.8就车一根研磨进行研磨,0.8粗糙度应该没问题.

评分

参与人数 1三维币 +5 收起 理由
wuling + 5 应助

查看全部评分

发表于 2006-10-29 10:24:16 | 显示全部楼层 来自: 中国四川成都
请问楼主,你是用什么检测手段判定零件内孔加工粗糙度要求Ra0.8、或Ra1.6的?特别是Φ4孔内壁?
发表于 2006-10-29 15:16:40 | 显示全部楼层 来自: 中国北京
铰刀的前脚一定要锋利,后脚自己掌握吧,只要便于排箫的,韧带要短的, 硬脂和金铰刀试验一下,加工中要随时调整进给两

评分

参与人数 1三维币 +5 收起 理由
wuling + 5 应助

查看全部评分

发表于 2006-11-1 16:01:27 | 显示全部楼层 来自: 中国四川成都
冒昧地说,有的会员不应该凭空想象地给大家出题目,去折腾别人的帮助。做人要厚道哈。我们大家也要学会区别是否是真心求助的求助贴,不要无谓地浪费我们的时间。不要你在绞尽脑汁的同时,他在傍边无事偷着乐。一个真心发帖求助的人会很真诚地迫切地需要得到别人的帮助。那么,他会比较完整的、一次性的把有关的(出于保密,也会有局部必须的)的原图纸和全部技术要求等等摊出来求助。而非像这样一份如此简单就有多处低级重复错误的剖视图(学生娃娃画的图)。大家想想,在粗糙度要求如此高的同时会对尺寸公差、形位公差没有要求?楼主恐怕也讲不出来如何去正确检测Φ4孔内壁粗糙度Ra0.8吧?话说回来,此技术论坛应该是一个相互借鉴、相互学习,共同提高的地方。一个大家都该真心(不能作弄人)的地方。呵呵,就说到这里,对不起,耽误大家的时间了。说错了,请大家包涵指正。版主如果觉得不该发这个帖子,或此帖子发错地方了,请把它删除就是了。谢谢。

评分

参与人数 1三维币 +5 收起 理由
sxw68 + 5 意见诚恳

查看全部评分

发表于 2006-11-1 17:45:17 | 显示全部楼层 来自: 中国湖南湘潭
材料为HT250 ,我认为很难到0.8
发表于 2006-11-1 20:58:21 | 显示全部楼层 来自: 中国重庆
用硬质合金复合钻铰加工
发表于 2006-11-2 01:49:36 | 显示全部楼层 来自: 中国河北保定
遗憾的很,到现在还是看不到附件:(& E9 }' E  E7 o& J
  不过我觉得14楼说的有道理。
发表于 2006-11-3 21:34:11 | 显示全部楼层 来自: 中国江苏无锡
我也认为哪个倒角做不到0.8的,由于是不通孔,切削很难排除,一定程度上对此有影响
发表于 2006-11-3 23:07:30 | 显示全部楼层 来自: 中国江西南昌
这么小的孔,倒角光洁度还要求如此之高实在没见过!楼主将来有方法了,希望告知论坛的兄弟姐妹,向楼主学习!
发表于 2006-11-4 00:10:07 | 显示全部楼层 来自: 中国广东深圳
一个产品考虑加工,也要考虑检测。
! b$ o" D  \/ o* s& J3 Z因为一个产品最后合格的判定是依靠检测,因此,我觉得楼主的动机。
" Z3 W& C+ R: T, y9 `: A尽管我很差,不能回答问题,但是我觉得这样的帖子,看完这么多回复以后,让我仍然困惑,也感谢大侠们的不吝赐教。9 U1 [5 ]' h% Z6 g" e! _! ?
楼主对待这么多前辈,我想一个好的帖子首先是楼主要比他人更主动。
发表于 2006-12-27 22:37:01 | 显示全部楼层 来自: 中国重庆
使用枪钻直接钻   ok
发表于 2006-12-28 09:48:19 | 显示全部楼层 来自: 中国安徽滁州
铰孔是不行的,因铰刀加工出的孔为多棱行,采用先钻底孔,后用键槽刀括孔的方法,阔孔时加冷却液

评分

参与人数 1三维币 +3 收起 理由
sxw68 + 3 应助

查看全部评分

发表于 2006-12-28 17:08:36 | 显示全部楼层 来自: 中国河南焦作
4毫米.6毫米以及倒角面粗糙度加工到0.8或更高都不是很大困难.但是他要求上道工序要有相应的尺寸精度.这是因为绞刀也好,研磨棒也好,他们都是定尺寸加工,在他们加工前必须有精度要求,否则是没有办法加工的.

评分

参与人数 1三维币 +3 收起 理由
sxw68 + 3 应助

查看全部评分

发表于 2006-12-28 20:39:02 | 显示全部楼层 来自: 中国河南郑州

CA6140车床拨叉

有这样的课程设计吗?1 w9 n0 M$ y2 }$ ^0 C- j/ L

* J4 u+ q4 u" W/ ^: Y[ 本帖最后由 zyj10282005 于 2006-12-28 21:23 编辑 ]
发表回复
您需要登录后才可以回帖 登录 | 注册

本版积分规则


Licensed Copyright © 2016-2020 http://www.3dportal.cn/ All Rights Reserved 京 ICP备13008828号

小黑屋|手机版|Archiver|三维网 ( 京ICP备2023026364号-1 )

快速回复 返回顶部 返回列表