QQ登录

只需一步,快速开始

登录 | 注册 | 找回密码

三维网

 找回密码
 注册

QQ登录

只需一步,快速开始

展开

通知     

查看: 2534|回复: 10
收起左侧

[已解决] 角钢(40*40*4)冲孔问题

[复制链接]
发表于 2013-10-28 08:27:13 | 显示全部楼层 |阅读模式 来自: 中国广东惠州

马上注册,结识高手,享用更多资源,轻松玩转三维网社区。

您需要 登录 才可以下载或查看,没有帐号?注册

x
本帖最后由 jiang.jh 于 2013-12-10 17:07 编辑   \' Z; @, I2 n
* M( p9 u) N: \/ ]
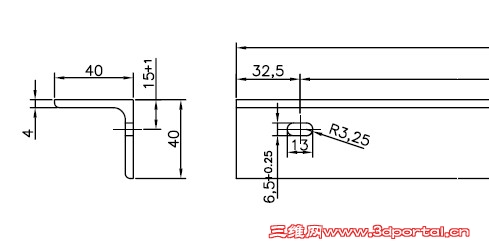
图示:角钢(40*40*4)冲孔,孔尺寸(6.5*13),24孔/件,孔距125,模具方面有哪些注意点?谢!/ |' [( G- D* ?) w  H
/ B) w. }* T8 L1 ?: t% s& E" K
01.jpg
" J: V7 K' g2 T3 }/ ?; O* V. g5 Z3 ~  G9 i
发表于 2013-10-28 09:33:17 | 显示全部楼层 来自: 中国重庆
把凹模做成镶件结构.一模做两孔 注意定位.

评分

参与人数 1三维币 +2 收起 理由
开亮 + 2

查看全部评分

 楼主| 发表于 2013-10-28 10:46:51 | 显示全部楼层 来自: 中国广东惠州
happlymin 发表于 2013-10-28 09:33 static/image/common/back.gif% _8 k/ \5 u! T) T: w% n! V
把凹模做成镶件结构.一模做两孔 注意定位.
1 i5 y: ^* w# h2 t
谢谢回复!
; q+ @; F9 N; V3 L8 R. z+ c0 ^以下问题请教:  S. t& b: w) _7 ]9 Q* }
A、孔到边距离15(0,+1),此为型材冲孔,上模退料怎么解决?
; Z8 {6 i  v. k/ z" TB、 孔尺寸才6.5*13,料厚4mm, 冲针易断,一次冲两孔更加麻烦?
发表于 2013-10-28 11:16:53 | 显示全部楼层 来自: 中国江苏苏州
lfjliu008 发表于 2013-10-28 10:46 static/image/common/back.gif0 o% z- d5 u. n5 e, W, S: C  n
谢谢回复!
/ x% N( x( s' {! P# {+ J5 P以下问题请教:- n2 b/ T& x+ L! Z
A、孔到边距离15(0,+1),此为型材冲孔,上模退料怎么解决?

* y% M7 B; v* e) U( |上模退料你肯定要有卸料版的。
& ]" n- h" j1 \8 i' N冲针选用高速钢或者Gr12MoV。一般不会断的。

评分

参与人数 1三维币 +2 收起 理由
开亮 + 2

查看全部评分

发表于 2013-10-28 12:44:30 | 显示全部楼层 来自: 中国湖北黄冈
孔的宽度大于深度的1.5倍、搞好导向应该没问题。

评分

参与人数 1三维币 +2 收起 理由
开亮 + 2

查看全部评分

 楼主| 发表于 2013-10-28 13:15:23 | 显示全部楼层 来自: 中国广东惠州
sha074534 发表于 2013-10-28 11:16 static/image/common/back.gif
1 Q% l8 }" S5 M4 y8 g4 h, ^上模退料你肯定要有卸料版的。, c6 U6 O. i! U0 v, Z: g
冲针选用高速钢或者Gr12MoV。一般不会断的。
7 b+ }  W1 Z% s: B4 Q
此角铁件,孔到边距离只有15(0,+1),且含一个板厚4mm, 因孔边距太近故角铁边朝下冲孔难以实现。
2 ?& e" v  |& L- t/ u( p; X! Q. Q所以只能边朝上冲孔,请问上模怎么带退料板?
 楼主| 发表于 2013-10-28 13:18:22 | 显示全部楼层 来自: 中国广东惠州
本帖最后由 lfjliu008 于 2013-10-28 17:16 编辑 2 d& V  `( D0 j' R
tangcarlos3d 发表于 2013-10-28 12:44 http://www.3dportal.cn/discuz/static/image/common/back.gif
+ N- h. V2 A5 P% W! ~9 n孔的宽度大于深度的1.5倍、搞好导向应该没问题。
! p( w$ K, X; D$ O) e" F' _
/ p* }  f7 C8 z. I3 e
如上述6楼回复,因孔到边距离问题,角铁件只能边朝上冲孔,上模退料实现困难,容易挤冲针,造成断孔,请问上模退料问题有什么好办法?
发表于 2013-10-29 08:44:52 | 显示全部楼层 来自: 中国重庆
happlymin 发表于 2013-10-28 09:33 static/image/common/back.gif
2 [& @  y. H. I/ q把凹模做成镶件结构.一模做两孔 注意定位.
2 F$ i, j& e9 M% p. p# L! o
你自己想的太难了.我们以前做个这个.直接就冲孔模结构.角钢没有好硬.那有你考虑的那么多哦.

评分

参与人数 1三维币 +2 收起 理由
开亮 + 2

查看全部评分

发表于 2013-12-8 10:53:44 | 显示全部楼层 来自: 中国广东佛山
你自己想的太难了
发表于 2013-12-9 10:35:59 | 显示全部楼层 来自: 中国江苏常州
我冲6mm角钢都没问题,怕冲针断,就做成台阶式,增加冲头强度,卸料的话也很容易,不要想的太复杂,你在凸凹模上略微倒点角,那样还能减少模具崩口
 楼主| 发表于 2013-12-10 15:44:02 | 显示全部楼层 来自: 中国广东惠州
谢谢楼上各位的热心答复
, h% K" L! }6 Y* y1 q此问题已解决,已批量生产,请版主将“求助”修改为“已解决”。
发表回复
您需要登录后才可以回帖 登录 | 注册

本版积分规则


Licensed Copyright © 2016-2020 http://www.3dportal.cn/ All Rights Reserved 京 ICP备13008828号

小黑屋|手机版|Archiver|三维网 ( 京ICP备2023026364号-1 )

快速回复 返回顶部 返回列表