QQ登录

只需一步,快速开始

登录 | 注册 | 找回密码

三维网

 找回密码
 注册

QQ登录

只需一步,快速开始

展开

通知     

全站
9天前
查看: 2485|回复: 9
收起左侧

[已解决] 这个碳化钨的件应该怎么搞?

[复制链接]
发表于 2013-12-16 17:22:02 | 显示全部楼层 |阅读模式 来自: 中国山东青岛

马上注册,结识高手,享用更多资源,轻松玩转三维网社区。

您需要 登录 才可以下载或查看,没有帐号?注册

x
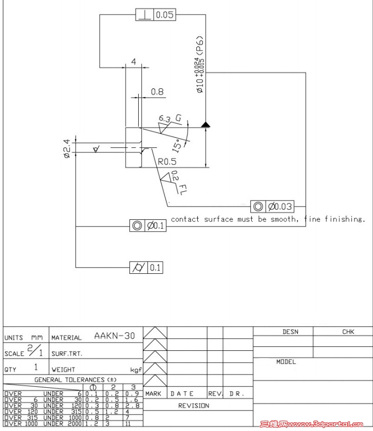
收到一张图纸,要求材质是AAKN-30,问了一下,是碳化钨。我自己研究了一下,感觉这个工件可能需要首先烧结/压铸,然后线切割,精磨,最后成型。感觉做刀具或者模具的工厂可能做得好。但对于其中粗糙度0.2的孔倒角部位怎么达到还没有想法。0 H% D/ H* E/ \& g
请高人指导详细工艺,包括材质特性,可行的,比较经济的工艺(可能会有数十个产品或数千产品两种情况),过程中需使用到的设备,以及什么样的工厂比较适合做这样的产品,大致的价格,等等。
  _* B6 M3 R+ _9 I/ v  d, o希望能在20号中午前看到高人的指导。届时除最佳答案奉送50点三维币,我愿意再拿出50点三维币分给各位热心参与的朋友,由版主酌情分配,先谢谢了。
0 C" J8 N# @% j6 h; v( w9 a
131216.jpg
发表于 2013-12-17 09:06:22 | 显示全部楼层 来自: 中国上海
  这种形位公差标注方法,表示第一次看到,貌似蛮牛的...不过加工这样精度的零件应该不算困难,0.2的内孔粗糙度,这个得要好几道打磨工序。碳化钨,特别硬,且耐磨,这种材料加起来,比较有难度。应该是粉末冶金吧,先烧结,由于这种材料特别硬,建议烧结一次成型,避免线切割等后续机加工,然后用金刚石打磨,本人意见纯属个人意见,仅供参考。

评分

参与人数 1三维币 +5 收起 理由
驿马狂奔 + 5 应助

查看全部评分

发表于 2013-12-17 09:22:52 | 显示全部楼层 来自: 中国山西太原
此件需粉末冶金烧结出坯料,线切割中间的孔,关键在于孔品的圆角要求的表面粗糙度,需精磨后抛光。这个零件与拉丝模相似,可找做拉丝模的厂家订制,可能更能保证质量,也可节约成本。

评分

参与人数 1三维币 +3 收起 理由
驿马狂奔 + 3 应助

查看全部评分

 楼主| 发表于 2013-12-19 13:51:34 | 显示全部楼层 来自: 中国山东青岛
我这几天又自己研究了一下,感觉拉丝模是对的。至少专业做拉丝模的厂家表示,做这个工件无压力。
* Q8 c# E7 e9 }5 w  \多谢各位指导。本来是发个悬赏贴,不知道怎么成这个样子了。请版主扣我100点,50给gaoyns网友,另外50请酌情分配,谢谢。
发表于 2013-12-19 19:52:16 | 显示全部楼层 来自: 中国江苏苏州
楼主这个东西和我们公司做的一些硬质合金小产品很相像。
* o/ c0 @, y7 i/ R. ?硬质合金,俗称钨钢,硬度很高HRA80-90,用做刀具、模具、钎具、耐磨材料等等,7 R6 A0 r% Q8 u# y+ Y& v
是一种粉末冶金的产品要一般要从粉料经过混粉、制粒、压制、烧结等工序做出来,得到的一般只是毛坯,后面根据需要进行加工。# D( @& }: p6 w$ b) F1 F
那个0.2的粗糙度标的是中心线,还是R0.5 ?  圆角要求0.03的同轴度吗,FL是什么工艺方法,恕在下不知道,' u) w& K* U( ^! ~7 g, v% n
楼主你这个东东,中心孔粗糙度要求是粗糙度基本符号加个圈圈,意思是不允许去除材料的
) v" S, h0 `7 g' Q要是0.2标的是R0.5的话用金刚石研磨膏或金相砂纸抛光达到0.2是没有问题。
. A) b$ y& {. o3 v* C7 p拉丝模一般有专门的外圆、内孔精加工设备,尤其是像这么小的。

评分

参与人数 1三维币 +3 收起 理由
驿马狂奔 + 3 应助

查看全部评分

发表于 2013-12-20 12:33:58 | 显示全部楼层 来自: 中国广东
应该是圆形刀片粒。
发表于 2013-12-20 13:25:55 | 显示全部楼层 来自: 中国湖北黄冈
1. 毛坯直接用粉末冶金方法成形,Ø2.4孔、R0.5直接成型(图纸已标明不许用去除材料方法加工孔,主要是成形、烧结时表面质量比内部的要致密一些),再进行抛光。FL估计是磨流抛光工艺/ C& b) \+ i. u. j  C! C" c
2. 外圆、15度倒角指明了加工方法: 磨削加工。
% M( i, w" V) O# p( b% ^4 E3. 图纸形位公差标注有问题:没有直接标出基准,用线连接不规范。& ^5 T" o. o& y8 ]0 V) y/ ?/ R
4. 加工找拉丝模厂加工好一些:工艺、模具是现成的,成本比自己做低多了。

评分

参与人数 1三维币 +3 收起 理由
驿马狂奔 + 3 应助

查看全部评分

 楼主| 发表于 2013-12-20 15:00:28 | 显示全部楼层 来自: 中国山东青岛
长江浪子 发表于 2013-12-19 19:52 static/image/common/back.gif
' [# Q1 d3 C/ Y0 _; [8 {' I- e楼主这个东西和我们公司做的一些硬质合金小产品很相像。
6 L. v9 i, d- G) G& ?硬质合金,俗称钨钢,硬度很高HRA80-90,用做刀具 ...
' M. b4 w( `. t
0.2的粗糙度确实仅指倒角,内壁是不需要加工的。这里磨完了抛光即可。0.03指的是整个内孔和外圆的同轴度。! T1 ]; z' {, M9 V+ o0 T: N
贵司做类似产品吗?有兴趣可以报个价,材质按YG8就行,方便的话站内短信联系
发表于 2013-12-26 08:46:25 | 显示全部楼层 来自: 中国江苏苏州
本帖最后由 长江浪子 于 2013-12-26 08:56 编辑 ) n+ v7 c. w6 _* U6 P, H8 p
workbysolid 发表于 2013-12-20 15:00 static/image/common/back.gif6 d" K4 n& r2 k- k8 Y' _
0.2的粗糙度确实仅指倒角,内壁是不需要加工的。这里磨完了抛光即可。0.03指的是整个内孔和外圆的同轴度。 ...
9 o! Y3 b" Q  `9 X$ M! z! l/ J1 K
呵呵,我不是搞硬质合金的,硬质合金是公司的另一块业务,我是搞机加工的
4 V: k! C# b) y4 j7 f楼主看看,是不是这样的东东,和你那个比较类似。* ^/ s* o% f4 P# q* y0 _' o
一般毛坯做出来应该是个比较长的圆棒棒,中心有个小孔,- t, p: J3 ~* w6 u
1、用无心磨加工外圆,
0 @: q0 a1 [" f- _8 ]8 k# {2、线切割按厚度,切片,
6 a# ?  Y0 @+ G- l5 {7 ?* m. p3、平磨,
+ m( c; T, N* K! B! r3 P# B4、倒角0.8X15°,
9 L- [% n5 ^  ^5、倒R0.5并抛光,
IMG12251611aa.jpg
IMG12251612aa.jpg
 楼主| 发表于 2013-12-26 08:59:27 | 显示全部楼层 来自: 中国山东青岛
长江浪子 发表于 2013-12-26 08:46 static/image/common/back.gif
) a4 u# q+ Z" n3 u. ?* W呵呵,我不是搞硬质合金的,硬质合金是公司的另一块业务,我是搞机加工的
" L* }) n- H: ?8 \3 V楼主看看,是不是这样的东 ...
4 p% l! T2 Q+ U# _- V
我觉得这个应该就是正确工艺了。价格你那边没法拿到吗?不过现在都过圣诞了,得等明年再说了。另外起订量我看应该是至少100件的
发表回复
您需要登录后才可以回帖 登录 | 注册

本版积分规则


Licensed Copyright © 2016-2020 http://www.3dportal.cn/ All Rights Reserved 京 ICP备13008828号

小黑屋|手机版|Archiver|三维网 ( 京ICP备2023026364号-1 )

快速回复 返回顶部 返回列表