QQ登录

只需一步,快速开始

登录 | 注册 | 找回密码

三维网

 找回密码
 注册

QQ登录

只需一步,快速开始

展开

通知     

全站
7天前
查看: 1461|回复: 3
收起左侧

[求助] 求力士乐KFA2FO32马达装配图

[复制链接]
发表于 2013-12-19 14:09:33 | 显示全部楼层 |阅读模式 来自: 中国广东深圳

马上注册,结识高手,享用更多资源,轻松玩转三维网社区。

您需要 登录 才可以下载或查看,没有帐号?注册

x
求力士乐KFA2FO32马达装配图
( t2 n( D8 ]- B* K3 m: I
发表于 2013-12-21 12:47:10 | 显示全部楼层 来自: 中国浙江杭州
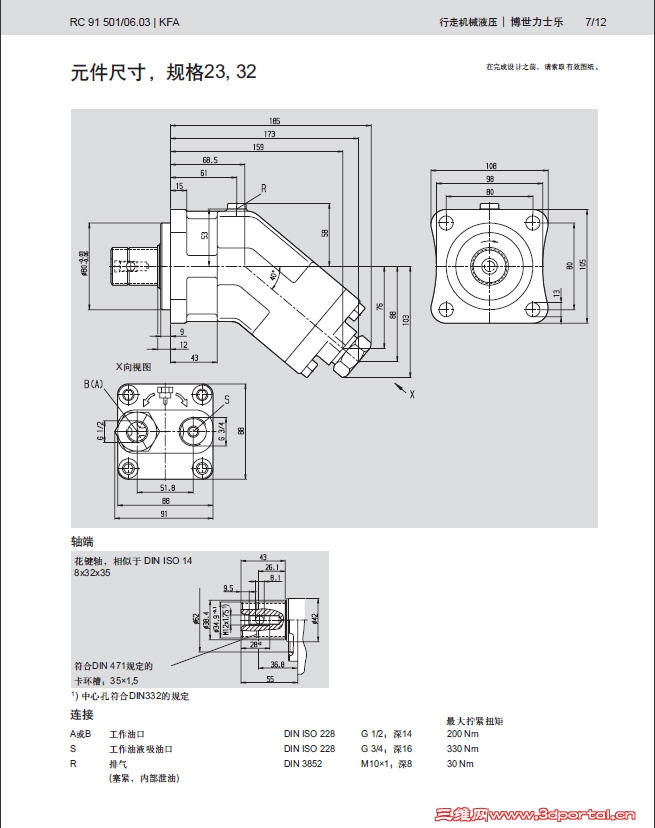
如图所示,详细可到力士乐官网找样本
Snap1.jpg
发表于 2013-12-31 10:25:41 | 显示全部楼层 来自: 中国北京
KFA2F0好像是液压泵,而不是液压马达。
发表于 2013-12-31 12:56:31 | 显示全部楼层 来自: 中国浙江杭州
dayang9748 发表于 2013-12-31 10:25 static/image/common/back.gif
3 U# w. n. K. O* ?3 aKFA2F0好像是液压泵,而不是液压马达。

% S8 m5 _' k$ {' G$ k你说的对,应该是泵
发表回复
您需要登录后才可以回帖 登录 | 注册

本版积分规则


Licensed Copyright © 2016-2020 http://www.3dportal.cn/ All Rights Reserved 京 ICP备13008828号

小黑屋|手机版|Archiver|三维网 ( 京ICP备2023026364号-1 )

快速回复 返回顶部 返回列表