QQ登录

只需一步,快速开始

登录 | 注册 | 找回密码

三维网

 找回密码
 注册

QQ登录

只需一步,快速开始

展开

通知     

查看: 2362|回复: 18
收起左侧

[分享] 感兴趣的做下刀路

[复制链接]
发表于 2014-1-2 20:34:23 | 显示全部楼层 |阅读模式 来自: 中国上海

马上注册,结识高手,享用更多资源,轻松玩转三维网社区。

您需要 登录 才可以下载或查看,没有帐号?注册

x
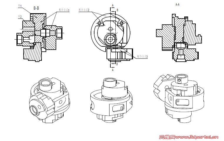
发个工程图大家做刀路练练看。下面还有。
! @% x- P/ A# ], `# [% k% m* {

3.rar

121.05 KB, 阅读权限: 10, 下载次数: 29

发表于 2014-1-2 21:15:08 | 显示全部楼层 来自: 中国广西南宁
还以为是MC档案呢。不会是让画3D吧。
Snap40.jpg
发表于 2014-1-3 07:56:52 | 显示全部楼层 来自: 中国江苏苏州
你是要学习别人的刀路,还是要教别人
发表于 2014-1-3 11:28:50 | 显示全部楼层 来自: 中国台湾
這是組配說明~
$ Q/ V8 o) b6 j) t% D" x7 ^) L; k( q& N工程圖都不是~
' q9 W; w# ]5 k  T5 b要怎樣練刀路
发表于 2014-1-3 11:41:23 | 显示全部楼层 来自: 中国江苏苏州
啥玩意,什么情况?
发表于 2014-1-3 17:58:45 | 显示全部楼层 来自: 中国上海
楼主在耍人玩呢,要求工程图练习3d还搞阅读权限10,把人当猴耍
 楼主| 发表于 2014-1-4 00:18:18 | 显示全部楼层 来自: 中国上海
zhuyi0829 发表于 2014-1-3 17:58 static/image/common/back.gif
9 q! e' I( W& O" L4 P楼主在耍人玩呢,要求工程图练习3d还搞阅读权限10,把人当猴耍
' T( [! Q$ D7 g/ E8 J# C
大家平时不用工程图造型吗,我倒是希望别人给我来点图造型玩玩,顺便也做做刀路。
 楼主| 发表于 2014-1-4 00:19:47 | 显示全部楼层 来自: 中国上海
hsd216 发表于 2014-1-3 11:28 static/image/common/back.gif
4 b1 d2 a% {' `' j3 k這是組配說明~) z$ V, {2 O, \; ?9 D7 H
工程圖都不是~
" ^# a8 n: ]4 G9 v+ y, P1 y要怎樣練刀路

" u$ m+ ?- |+ Q5 s8 f5 _你下了吗,人家贴图不全啊
 楼主| 发表于 2014-1-4 00:21:30 | 显示全部楼层 来自: 中国上海
星空下的渺茫 发表于 2014-1-2 21:15 static/image/common/back.gif
4 m$ t5 a7 g7 P- i7 j还以为是MC档案呢。不会是让画3D吧。
: g5 L8 E( l! T1 M
感兴趣就画画,玩嘛。
 楼主| 发表于 2014-1-4 00:27:00 | 显示全部楼层 来自: 中国上海
xu-2005 发表于 2014-1-3 07:56 static/image/common/back.gif* s' v5 D1 H* R! J$ _
你是要学习别人的刀路,还是要教别人
' q; j' ]/ T7 F! Z( y
学习交流下,您要是肯出手的话,我想坛友们都会受益非浅的,谢谢。
 楼主| 发表于 2014-1-4 00:31:55 | 显示全部楼层 来自: 中国上海
zhuyi0829 发表于 2014-1-3 17:58 static/image/common/back.gif$ O% @3 U; I' ^1 e
楼主在耍人玩呢,要求工程图练习3d还搞阅读权限10,把人当猴耍
0 T3 S+ z8 A4 A- U+ Z- C
不是求3D,标题交代清楚了,感兴趣可以玩玩。
发表于 2014-1-4 07:20:11 来自手机 | 显示全部楼层 来自: 中国天津
不感兴趣。
发表于 2014-1-4 08:15:08 | 显示全部楼层 来自: 中国江苏苏州
估计你不会,谦虚一下,求助也可啊
发表于 2014-1-6 11:08:45 | 显示全部楼层 来自: 中国台湾
樓主先把3d搞出來~: m5 k9 B3 @- a. I: \' e; E
再來討論刀路比較妥當吧~
发表于 2014-1-6 11:55:17 | 显示全部楼层 来自: 中国四川成都
这是要帮你画3D图还是2D图的节奏?
发表于 2014-1-6 12:40:03 | 显示全部楼层 来自: 中国上海
楼主算算画这些零件图成3d需要多少时间吗,估计你根本没画过,懂的根本不会发这种可笑的帖
3 b$ ?0 L0 t8 u
 楼主| 发表于 2014-1-6 20:23:39 | 显示全部楼层 来自: 中国上海
大家都兴致不高啊。
发表于 2014-1-6 21:45:27 | 显示全部楼层 来自: 中国上海
cy791231 发表于 2014-1-6 20:23 static/image/common/back.gif3 i9 ~" c4 q; y; N9 c' m2 l
大家都兴致不高啊。
0 `) y  g; I. Z2 A0 T
做这些要花大量的时间的,你不懂吗,谁愿意花时间做这些毫无意义的东西,谁兴致高的脑子准出问题
发表于 2014-1-9 19:36:25 | 显示全部楼层 来自: 中国浙江嘉兴
楼主参加过数控大赛?这好像是全国数控大赛的图纸
发表回复
您需要登录后才可以回帖 登录 | 注册

本版积分规则


Licensed Copyright © 2016-2020 http://www.3dportal.cn/ All Rights Reserved 京 ICP备13008828号

小黑屋|手机版|Archiver|三维网 ( 京ICP备2023026364号-1 )

快速回复 返回顶部 返回列表