QQ登录

只需一步,快速开始

登录 | 注册 | 找回密码

三维网

 找回密码
 注册

QQ登录

只需一步,快速开始

展开

通知     

查看: 1880|回复: 14
收起左侧

[求助] 难死我了,这么简单的我都做不出来,求教高手!

[复制链接]
发表于 2014-1-15 18:59:01 | 显示全部楼层 |阅读模式 来自: 中国广东深圳

马上注册,结识高手,享用更多资源,轻松玩转三维网社区。

您需要 登录 才可以下载或查看,没有帐号?注册

x
3 E" S- v# m# A7 O
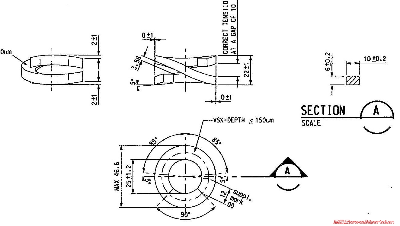
910.jpg
2 G- ]- `- [. H" E. _这么个小弹簧,难死我了,丢死人了,求高手教我吧,要被炒了!
发表于 2014-1-15 19:26:04 | 显示全部楼层 来自: 中国广东珠海
认认真真画出两条螺旋线,后转成三D草图线,后板金放样
发表于 2014-1-16 09:36:38 | 显示全部楼层 来自: 中国台湾
斷面似乎不是相同的,是由方形變斜的?3 Y3 r- }- H5 j
185556o4za75yi4hyidrii.jpg
发表于 2014-1-16 17:24:24 | 显示全部楼层 来自: 中国台湾
本帖最后由 gt.adan 于 2014-1-16 17:28 编辑 3 {+ z# y7 O' G1 U( }

, u  y7 s. A3 X. Q9 P! o2 T隨手做了下,但圖紙有些尺寸是無法保證的呀…而且截面無法達到要求…
$ O: s  n+ B) A( I  E( Q3 c! `
# _, a" g$ g% i0 K 2014-1-16 下午 05-22-41.png
) b- B( a* [, j) t: o# E
发表于 2014-1-16 17:29:22 | 显示全部楼层 来自: 中国广东深圳
做的不错,就是这样的
发表于 2014-1-16 18:05:49 | 显示全部楼层 来自: 中国台湾
再來一張,這樣或許比較符合圖紙了,然而是否符合工藝?. d( @5 r6 A: p6 m2 o4 P/ s9 V
個人倒是覺得第一張圖比較合乎實際情況。5 \! l; Z" ?& l

; @/ J% M, v  ]/ {( \4 c 2014-1-16 下午 06-03-53.png
9 K0 f$ u' l" R# j$ W: t5 _

评分

参与人数 1三维币 +1 收起 理由
阿帕奇 + 1 如可以,上传源文件

查看全部评分

发表于 2014-1-17 11:49:10 | 显示全部楼层 来自: 中国四川成都
gt.adan 发表于 2014-1-16 18:05 static/image/common/back.gif2 T- f% X( |5 _0 @0 t
再來一張,這樣或許比較符合圖紙了,然而是否符合工藝?) r9 |6 Q4 Y: C8 M6 ^
個人倒是覺得第一張圖比較合乎實際情況。
; V$ L% w, G2 G
求源文件来学习一下
发表于 2014-1-17 12:35:58 | 显示全部楼层 来自: 中国北京
gt.adan 发表于 2014-1-16 17:24 static/image/common/back.gif; Z, Y  [9 u# G3 I/ }
隨手做了下,但圖紙有些尺寸是無法保證的呀…而且截面無法達到要求…
- M2 N" T( A- V4 j- Y/ k
阿丹哥帮忙看看,我扫完怎么这样
QQ截图20140117123438.jpg
QQ截图20140117123500.jpg

评分

参与人数 1三维币 +1 收起 理由
阿帕奇 + 1 如可以,请上传源文件

查看全部评分

发表于 2014-1-17 13:02:18 | 显示全部楼层 来自: 中国台湾
乐一个 发表于 2014-1-17 12:35 static/image/common/back.gif2 K4 R5 |. A0 c6 E+ I5 P/ v2 Z
阿丹哥帮忙看看,我扫完怎么这样

7 G, \- }( b" B1.可能路徑草圖沒處理好造成掃描不到終點
/ h/ h0 c0 V' I8 O) Q2.特徵設置不妥造成扭曲。' R* e0 s7 a4 ^2 M& Z
; F3 u: u8 ~& e: @0 t( ]. l5 |" ~
以上猜測…要見文件才能進一步討論。

评分

参与人数 1三维币 +3 收起 理由
阿帕奇 + 3

查看全部评分

发表于 2014-1-17 13:13:27 | 显示全部楼层 来自: 中国香港
加減法,有個5°做不出。
! f1 @& q" C! C8 ?( I7 B1 r capture05.png
发表于 2014-1-17 13:16:56 | 显示全部楼层 来自: 中国辽宁盘锦
这题目文法有问题啊
发表于 2014-1-17 13:20:05 | 显示全部楼层 来自: 中国北京
本帖最后由 乐一个 于 2014-1-17 13:41 编辑
3 ]- m: B) f* r
gt.adan 发表于 2014-1-17 13:02 static/image/common/back.gif
5 P. J0 d5 V. l7 E# F1.可能路徑草圖沒處理好造成掃描不到終點9 u6 \  q  t3 X4 T
2.特徵設置不妥造成扭曲。
2 Q# a, L0 o; \, ~
知道怎么回事了哈哈,,,,
QQ截图20140117134056.jpg

零件2.zip

219.3 KB, 下载次数: 23

发表于 2014-1-17 13:23:13 | 显示全部楼层 来自: 中国香港
得不到奇哥加分鼓勵,唉!準備上傳的文件唯有刪除。
发表于 2014-1-17 17:05:33 | 显示全部楼层 来自: 中国台湾
Francis 发表于 2014-1-17 13:23 static/image/common/back.gif
+ S8 O5 Q' z: y2 p得不到奇哥加分鼓勵,唉!準備上傳的文件唯有刪除。
/ W) J9 Q9 `9 D2 S3 p
向悶大學習!
* ?, H( e8 O- i. L) b
5 d8 j+ _# D$ O- z% E5 m9 D 2014-1-17 下午 05-03-11.png
发表于 2014-1-17 17:11:20 | 显示全部楼层 来自: 中国台湾
把向悶大學的全用上了…' {& Q; r/ L( j* @% k6 Q! F
  N6 L# O/ s' x: h  F
2014-1-17 下午 05-09-09.png
. J  ^* z7 g" ?  J2 W; J* M
发表回复
您需要登录后才可以回帖 登录 | 注册

本版积分规则


Licensed Copyright © 2016-2020 http://www.3dportal.cn/ All Rights Reserved 京 ICP备13008828号

小黑屋|手机版|Archiver|三维网 ( 京ICP备2023026364号-1 )

快速回复 返回顶部 返回列表