QQ登录

只需一步,快速开始

登录 | 注册 | 找回密码

三维网

 找回密码
 注册

QQ登录

只需一步,快速开始

展开

通知     

查看: 3676|回复: 12
收起左侧

[已解决] 求SW造型

[复制链接]
发表于 2014-3-18 09:12:16 | 显示全部楼层 |阅读模式 来自: 中国江苏南京
15三维币
本帖最后由 doghog 于 2014-3-18 10:26 编辑
9 _" o; i  @& W1 n! c* V9 d9 {& L( z* P3 m# c
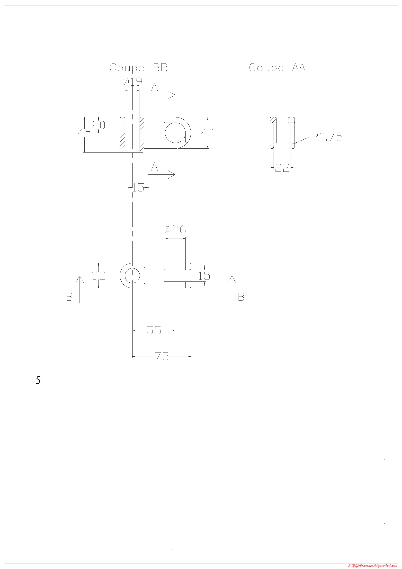
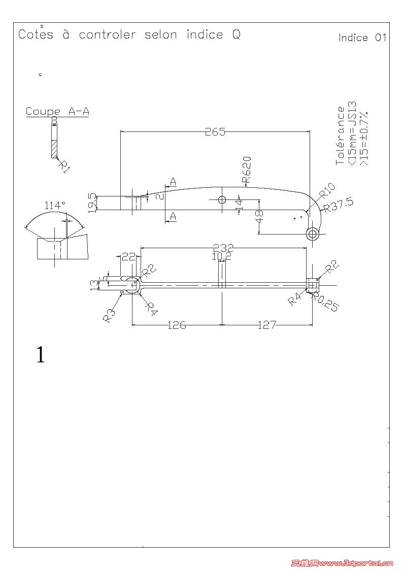
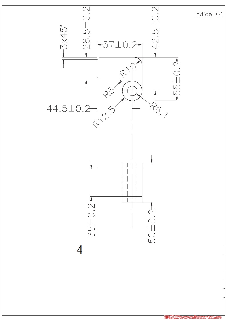
五个非常简单的零件,需要SOLIDWORKS文档!7 {. {# l* Y& s
截止时间今天下午3点!4 g; M' u% k6 U) g* d
谢谢
5.jpg
4.jpg
3.jpg
2.jpg
1.jpg

最佳答案

查看完整内容

感谢大神出题。试着画了一下。附上源文件,SW2012的,还请大神多多指教。
发表于 2014-3-18 09:12:17 | 显示全部楼层 来自: 中国广东深圳
感谢大神出题。试着画了一下。附上源文件,SW2012的,还请大神多多指教。

SW造型.rar

672.61 KB, 下载次数: 5

点评

请管理员将我15SWB给SG小瓜  发表于 2014-3-18 13:27
发表于 2014-3-18 10:44:31 | 显示全部楼层 来自: 中国广东深圳
都是很簡單的東西尺寸不夠明確" }' z" C6 N3 m# _
pa1.JPG 8 e1 [) v" ^% G; U
5 ^# y( H% p8 ?% @% G

; P/ C9 u( h* D, P" q/ u
发表于 2014-3-18 10:45:09 | 显示全部楼层 来自: 中国浙江宁波
补赏35SWB,验收合格的第一个请找我领奖。
 楼主| 发表于 2014-3-18 11:00:47 | 显示全部楼层 来自: 中国江苏南京
江南有雪 发表于 2014-3-18 10:45 static/image/common/back.gif
7 A- W/ u( B' r; j5 ^/ @( W补赏35SWB,验收合格的第一个请找我领奖。

8 z( k( W* {- G谢谢老大的支持!!!
 楼主| 发表于 2014-3-18 11:55:18 | 显示全部楼层 来自: 中国江苏南京
本帖最后由 doghog 于 2014-3-18 13:26 编辑
2 m' |( V+ d3 N: A3 v* |& U9 d
SG小瓜 发表于 2014-3-18 11:26 http://www.3dportal.cn/discuz/static/image/common/back.gif( N1 D2 U/ W3 [# ^8 g
感谢大神出题。试着画了一下。附上源文件,SW2012的,还请大神多多指教。

5 R7 U0 A" S7 o# l5 L' G( r' L& _8 _  S+ E
谢谢
发表于 2014-3-18 12:47:20 | 显示全部楼层 来自: 中国安徽合肥
详细请看附件....零件5图纸不太清晰,做了个大概。) U' c/ v5 R. l% V2 y* j$ N  [& Z
. j6 M7 `% [- k+ Q9 I5 ]

零件.rar

54.35 KB, 下载次数: 4

点评

江南老大的15三维币给zll3310737 ;剩余的20SWB还是给第一个的SG小瓜吧!!!  发表于 2014-3-18 13:29
发表于 2014-3-18 13:08:09 | 显示全部楼层 来自: 中国江苏苏州
画了3#图还比较顺手:lol:
发表于 2014-3-18 21:29:49 | 显示全部楼层 来自: 中国天津
转账记录
- G' I) a' h9 X& r- H) ]; ^- R" q9 p) \  i$ \& f
QQ截图20140318212839.jpg
发表于 2014-3-18 21:34:46 | 显示全部楼层 来自: 中国天津
doghog 发表于 2014-3-18 11:55 static/image/common/back.gif
2 f6 E! m5 j5 N6 f" E3 R/ O谢谢
  G$ y( _* g2 }% o# z$ N
请你自己选择5楼帖子作为最佳答案,如果需要版主协助,则需要十天以后才可以由版主设置。
 楼主| 发表于 2014-3-19 07:56:59 | 显示全部楼层 来自: 中国江苏南京
江南有雪 发表于 2014-3-18 21:34 static/image/common/back.gif
' C& y: o( T6 \4 x& l0 O9 Y请你自己选择5楼帖子作为最佳答案,如果需要版主协助,则需要十天以后才可以由版主设置。
& t/ i3 q9 V* G- m% w# _2 h. B
老大,您好!我已经设置最佳答案;但我给SG小瓜无法转账(无账户),请扣除我15SWB给SG小瓜
发表于 2014-3-19 08:12:49 | 显示全部楼层 来自: 中国天津
doghog 发表于 2014-3-19 07:56 static/image/common/back.gif
/ L8 e5 k6 e  I老大,您好!我已经设置最佳答案;但我给SG小瓜无法转账(无账户),请扣除我15SWB给SG小瓜

% a# ~/ J3 x( C2 T. @- X: c5 B设置了最佳答案已经完成了悬赏的转账。
 楼主| 发表于 2014-3-19 08:34:01 | 显示全部楼层 来自: 中国江苏南京
江南有雪 发表于 2014-3-19 08:12 static/image/common/back.gif4 {; o+ L- L# P
设置了最佳答案已经完成了悬赏的转账。

; T+ A3 _1 t: t- [" T% G7 s好的,谢谢老大的此次大力支持!
发表回复
您需要登录后才可以回帖 登录 | 注册

本版积分规则


Licensed Copyright © 2016-2020 http://www.3dportal.cn/ All Rights Reserved 京 ICP备13008828号

小黑屋|手机版|Archiver|三维网 ( 京ICP备2023026364号-1 )

快速回复 返回顶部 返回列表