QQ登录

只需一步,快速开始

登录 | 注册 | 找回密码

三维网

 找回密码
 注册

QQ登录

只需一步,快速开始

展开

通知     

全站
5天前
查看: 4288|回复: 4
收起左侧

[求助] 8#轻轨老标准(YB222-63)截面尺寸

[复制链接]
发表于 2014-3-29 09:59:39 | 显示全部楼层 |阅读模式 来自: 中国四川绵阳

马上注册,结识高手,享用更多资源,轻松玩转三维网社区。

您需要 登录 才可以下载或查看,没有帐号?注册

x
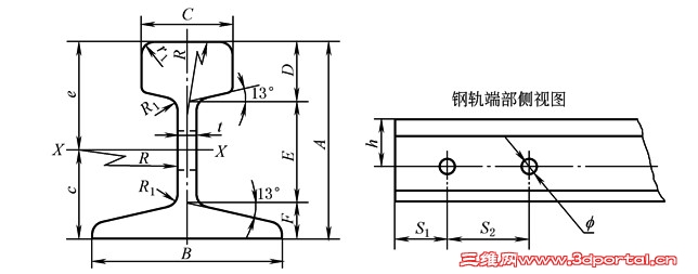
求助,8#轻轨老标准(YB222-63)截面尺寸,谢谢!
发表于 2014-3-29 13:40:18 | 显示全部楼层 来自: 中国湖南岳阳
8#轻轨尺寸(YB222-63)8 t* S# i; t2 l* s8 y% z
A=65
. E+ y0 @2 c5 ~' m& i% _; VB=54
" S3 o2 O! D1 h( WC=25
- \* W1 y% [3 i% E: T  b  l) `  bD=17
9 }9 c, G6 w0 M" p* x  X: SF=12
7 \7 o/ N# n. e: K% t) Wt=7
& E' _% E' d* Q; E6 b- [# q' Oe=36.1
+ d9 Y# R# q( I- {9 a; J" q- M, kc=28.9
& Q, R$ B: M$ Jh=35+ C: r7 p& C8 h& q& O
s1=324 p. I0 L2 g0 n" z
s2=709 L. `! N3 J8 T/ A8 c& }- ]& V
φ=166 w% D4 M! n& Z+ W- `; {
斜度K 1:3.50 R4 M8 p( X) d8 i
理论质量=8.42kg/m
# R5 F2 T' x0 m5 ?& i
% \. A' J3 P: f* h- G
1.jpg

评分

参与人数 1三维币 +5 收起 理由
洪哥 + 5 感谢帮助!

查看全部评分

发表于 2015-1-20 16:07:05 | 显示全部楼层 来自: 中国湖南岳阳
老标准轻轨尺寸图。
; G7 A8 v) c: Y7 {
1.jpg
发表于 2015-2-3 19:16:19 | 显示全部楼层 来自: 中国广东广州
做高铁用的轻轨,厉害
发表于 2016-5-10 11:01:57 | 显示全部楼层 来自: 中国山东淄博
有说GB11264-89替代老标准YB222-63的,但是YB222-63中的几个型号8kg/m   18kg/m   24kg/m新标准里面是没有的,谁能说明这两个标准的关系呢?
发表回复
您需要登录后才可以回帖 登录 | 注册

本版积分规则


Licensed Copyright © 2016-2020 http://www.3dportal.cn/ All Rights Reserved 京 ICP备13008828号

小黑屋|手机版|Archiver|三维网 ( 京ICP备2023026364号-1 )

快速回复 返回顶部 返回列表