QQ登录

只需一步,快速开始

登录 | 注册 | 找回密码

三维网

 找回密码
 注册

QQ登录

只需一步,快速开始

展开

通知     

全站
8天前
查看: 949|回复: 0
收起左侧

[求助] 力士乐插装比例减压阀工作原理

[复制链接]
发表于 2014-4-4 20:59:32 | 显示全部楼层 |阅读模式 来自: 中国广西北海

马上注册,结识高手,享用更多资源,轻松玩转三维网社区。

您需要 登录 才可以下载或查看,没有帐号?注册

x
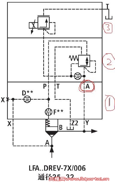
刚接触到插装阀,请教一下各位前辈力士乐插装比例减压阀工作原理。个人理解如果要想在B口压力达到设定值(比例溢流阀3的设定值)时起作用,那么2处的减压阀应该为先导式结构,3作为2的二级调压,这样当B口压力到达调定压力,也就是红褐色圈出的A点及先导式减压阀2的出口压力达到3的设定压力,先导式减压阀2近似关闭。这样X路不通,插装阀的A-B也就关闭。这样理解总感觉有些问题,请各位前辈指点。
: v6 w+ c2 u4 L4 b2 C; q8 S
111111.jpg
发表回复
您需要登录后才可以回帖 登录 | 注册

本版积分规则


Licensed Copyright © 2016-2020 http://www.3dportal.cn/ All Rights Reserved 京 ICP备13008828号

小黑屋|手机版|Archiver|三维网 ( 京ICP备2023026364号-1 )

快速回复 返回顶部 返回列表