QQ登录

只需一步,快速开始

登录 | 注册 | 找回密码

三维网

 找回密码
 注册

QQ登录

只需一步,快速开始

展开

通知     

全站
7天前
查看: 1407|回复: 2
收起左侧

[求助] FD型平衡阀选型与油缸面积比的关系

[复制链接]
发表于 2014-4-18 16:52:50 | 显示全部楼层 |阅读模式 来自: 中国广西北海

马上注册,结识高手,享用更多资源,轻松玩转三维网社区。

您需要 登录 才可以下载或查看,没有帐号?注册

x
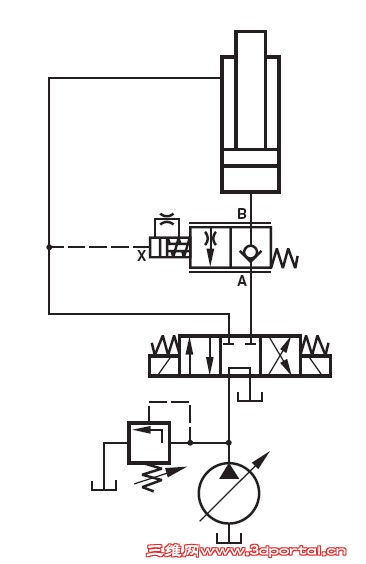
在力士乐样本中看到,FD型平衡阀需要注意油缸面积比,这一点怎么理解,请教一下,谢谢!附几张样本图,方便讲解
# D+ k6 M* @$ i: G3 @8 m
3.jpg
1.jpg
2.jpg
发表于 2014-4-23 11:16:02 | 显示全部楼层 来自: 中国重庆
因为油缸有杆腔面积与无杆腔面积不一样。当平衡阀装在有杆腔时,若控制口堵塞,无杆腔加压,有杆腔将变成增压缸。压力过大,你都知有什么后果。因为这个平衡阀基本型没有溢流阀功能不能限制压力(可选带溢流阀阀的型号)。

评分

参与人数 1三维币 +3 收起 理由
自流井 + 3 应助

查看全部评分

发表于 2014-4-24 08:28:26 | 显示全部楼层 来自: 中国江苏南通
最好要咨询厂家
发表回复
您需要登录后才可以回帖 登录 | 注册

本版积分规则


Licensed Copyright © 2016-2020 http://www.3dportal.cn/ All Rights Reserved 京 ICP备13008828号

小黑屋|手机版|Archiver|三维网 ( 京ICP备2023026364号-1 )

快速回复 返回顶部 返回列表