QQ登录

只需一步,快速开始

登录 | 注册 | 找回密码

三维网

 找回密码
 注册

QQ登录

只需一步,快速开始

展开

通知     

查看: 1191|回复: 1
收起左侧

[求助] 紧急钣金展开求助!!

[复制链接]
发表于 2014-5-11 21:03:11 | 显示全部楼层 |阅读模式 来自: 中国河北石家庄

马上注册,结识高手,享用更多资源,轻松玩转三维网社区。

您需要 登录 才可以下载或查看,没有帐号?注册

x
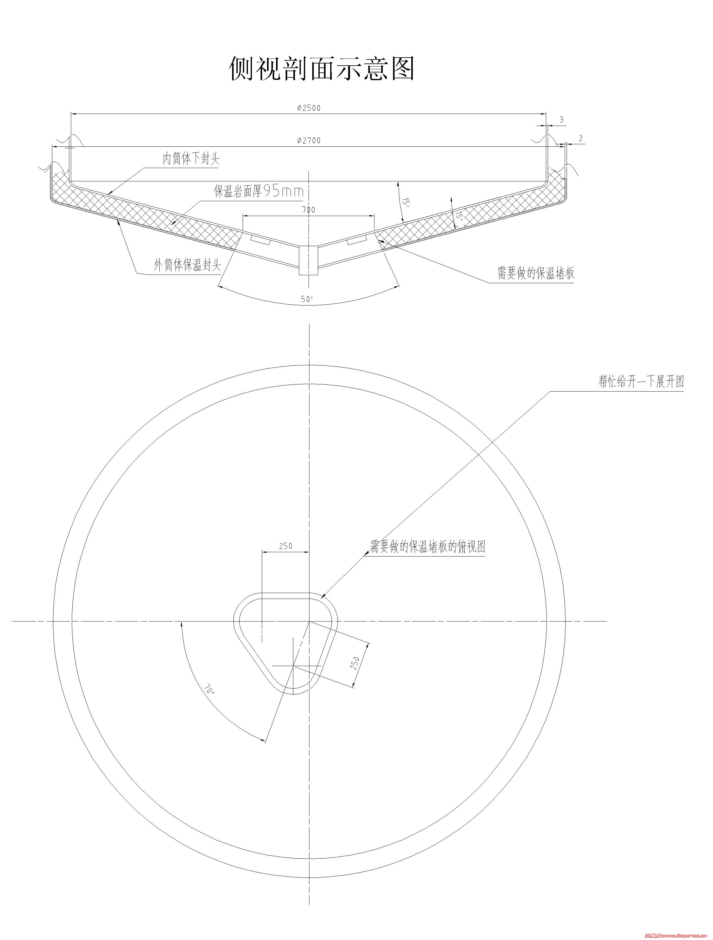
大家好,小弟有一个疑问,一直不好展开,请看下面的图案,我需要将保温封板进行展开下料,可是我SD展了几次都失败了,有没有高手给展一下啊,最好是用Solidworks展的,将展开的文件过程传上来,我学习一下,不胜感谢!!
, n: y! [( b3 i% F. C2 ^' O
. N+ y8 N* t0 ~' Y$ J2 |8 ^' a, v+ [+ E
求助图纸展开.jpg
发表于 2014-5-12 09:28:02 | 显示全部楼层 来自: 中国浙江宁波
俯视图和截面图看    需要做保温堵板的地方应该在正中吧   看俯视图  偏心了
发表回复
您需要登录后才可以回帖 登录 | 注册

本版积分规则


Licensed Copyright © 2016-2020 http://www.3dportal.cn/ All Rights Reserved 京 ICP备13008828号

小黑屋|手机版|Archiver|三维网 ( 京ICP备2023026364号-1 )

快速回复 返回顶部 返回列表