QQ登录

只需一步,快速开始

登录 | 注册 | 找回密码

三维网

 找回密码
 注册

QQ登录

只需一步,快速开始

展开

通知     

查看: 1669|回复: 4
收起左侧

[求助] 翻车机液压系统故障求助

[复制链接]
发表于 2014-6-12 22:33:26 | 显示全部楼层 |阅读模式 来自: 中国广西柳州

马上注册,结识高手,享用更多资源,轻松玩转三维网社区。

您需要 登录 才可以下载或查看,没有帐号?注册

x
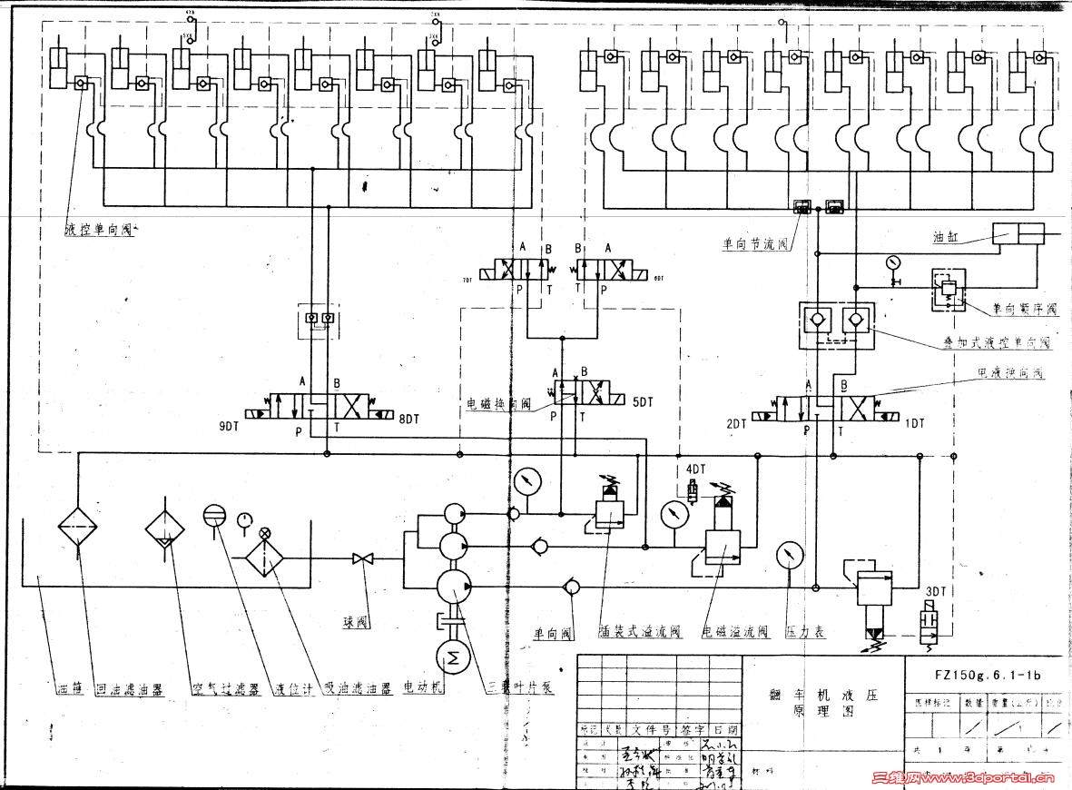
现单位在用的C型翻车机液压系统出现了个比较少见的问题,压车梁在翻转以后就会出现1~2根压车梁升不起来的情况,具体多久出现一次看人品,不过每个班次基本都会有,要将压车梁上的单向阀与油缸接头拆除后又能恢复一段时间的正常。求各位大神帮分析下是什么原因造成的。附上系统图及实物图
4 `/ A4 ~: p" }: C: z! o; B
翻车机阀站东面阀组.JPG
翻车机阀站西面阀组.JPG

翻车机液压原理图.zip

282.28 KB, 下载次数: 10

发表于 2014-6-16 11:49:23 | 显示全部楼层 来自: 中国山西临汾
你那个原理图是什么文件的,花费了我的流量还是打不开。
发表于 2014-6-16 12:23:35 | 显示全部楼层 来自: 中国浙江杭州
我市我 发表于 2014-6-16 11:49 static/image/common/back.gif
) h+ x9 a- }. P7 m: q. s8 M& B! G你那个原理图是什么文件的,花费了我的流量还是打不开。
. B# v3 B- r+ k
建议发求助帖直接上图,原理图看起来很简单,三联泵驱动的4 B) Y* ~2 X' @3 B, W' C
Snap1.jpg
发表于 2014-6-16 12:29:46 | 显示全部楼层 来自: 中国浙江杭州
是油缸活塞杆伸不出么?是否右侧液压缸液控单向阀控制油路有问题?最好介绍一下那一部分出问题
发表于 2014-6-18 11:04:19 | 显示全部楼层 来自: 中国广东深圳
是否是液控单向阀卡死(钮曲)了无法打开,当拆下来之后恢复状态又能正常动作?
发表回复
您需要登录后才可以回帖 登录 | 注册

本版积分规则


Licensed Copyright © 2016-2020 http://www.3dportal.cn/ All Rights Reserved 京 ICP备13008828号

小黑屋|手机版|Archiver|三维网 ( 京ICP备2023026364号-1 )

快速回复 返回顶部 返回列表