QQ登录

只需一步,快速开始

登录 | 注册 | 找回密码

三维网

 找回密码
 注册

QQ登录

只需一步,快速开始

展开

通知     

查看: 2795|回复: 14
收起左侧

[求助] 机加工高手请看看

[复制链接]
发表于 2014-6-20 12:50:43 | 显示全部楼层 |阅读模式 来自: 中国江苏南京

马上注册,结识高手,享用更多资源,轻松玩转三维网社区。

您需要 登录 才可以下载或查看,没有帐号?注册

x
本帖最后由 美丽世界 于 2014-6-20 13:01 编辑 % l% Z8 `0 k( T  X  Q. K6 e. O
6 ^0 r* X4 D( I4 ^& ]. t! q* N
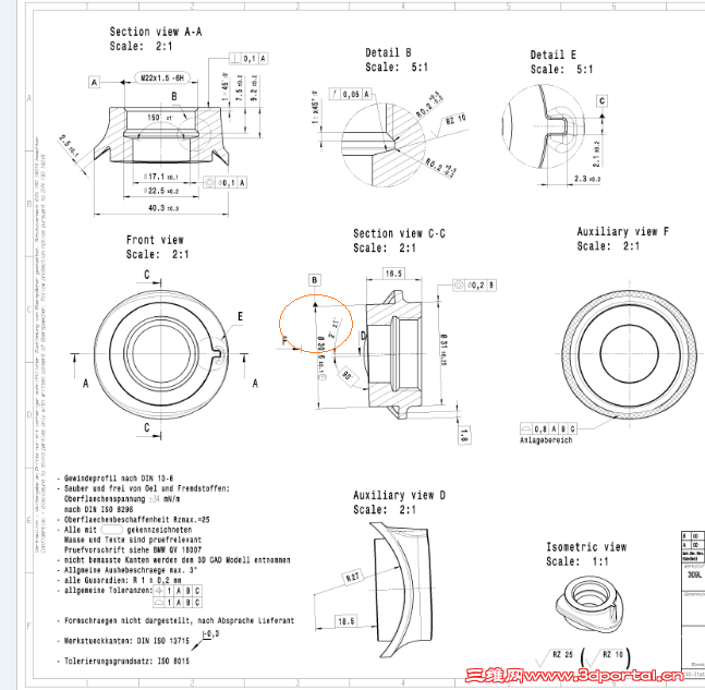
材料应该是用铸件,请高手看看,用什么机床或工装加工,主要就是2度正负1度有点难!!!!!
1 H( j% h$ X/ ]2 A2 W5 r
QQ截图20140620124448.png
发表于 2014-6-21 12:40:18 | 显示全部楼层 来自: 中国江苏无锡
这个2度是什么尺寸啊,图纸看上去不清楚啊,是不是内孔是斜的?
发表于 2014-6-21 13:06:16 | 显示全部楼层 来自: 中国重庆
铣车复合加工!http://www.mazak.jp/cgi-bin/upfile/i_400s_2.jpg
发表于 2014-6-21 13:12:08 | 显示全部楼层 来自: 中国江苏苏州
:)做个工装
发表于 2014-6-21 13:30:51 | 显示全部楼层 来自: 中国广东梅州
让我怎么看啊。也不发个文件。
 楼主| 发表于 2014-6-21 13:39:47 | 显示全部楼层 来自: 中国江苏南京
非主流~不离 发表于 2014-6-21 13:30 static/image/common/back.gif5 r( J; J- E6 Q8 @
让我怎么看啊。也不发个文件。

4 W* y% e" ^8 v( C; v: X内孔和毛坯的外圆成2度斜角,公差正负1度& g" w4 \6 K4 m9 U( `3 l4 `" d% O
 楼主| 发表于 2014-6-21 13:40:42 | 显示全部楼层 来自: 中国江苏南京
做工装就能保证了吗,
发表于 2014-6-21 13:47:56 | 显示全部楼层 来自: 中国广东梅州
先做好内孔,然后做个心轴再做外圆。要数控车做外圆的2度斜角。
发表于 2014-6-21 13:50:34 | 显示全部楼层 来自: 中国广东梅州
说错了,应该数控铣床做外圆
 楼主| 发表于 2014-6-21 14:06:15 | 显示全部楼层 来自: 中国江苏南京
外面是曲面形状啊,不好铣,加工时间还长,还有什么好点的方法没??
发表于 2014-6-21 14:15:11 | 显示全部楼层 来自: 中国广东梅州
是什么零件啊,如果不想加工外形,叫对方精铸得了。
发表于 2014-6-21 14:17:38 | 显示全部楼层 来自: 中国广东梅州
实在不行,3D打印出来。
发表于 2014-6-21 14:23:57 | 显示全部楼层 来自: 中国广东梅州
谁设计的啊。那么没有水平。把问题复杂化了。
发表于 2014-6-21 20:56:24 | 显示全部楼层 来自: 中国陕西西安
零件尺寸并不大啊,2+/-1度,公差也很大,直接用分度头转角度镗孔就可以。
发表于 2014-6-21 21:30:00 | 显示全部楼层 来自: 中国湖北黄冈
具体材料是有色金属还是黑色金属?批量大小?
8 C4 I* v  a6 ^  P如果是有色金属且批量大,不能内、外圆是否要加工,都可以用压铸件做毛坯成形斜度。批量不太大也可以用熔模紧密铸造成形。两个表面要精加工的话就用CNC加工。
- K: |% Q* P$ c: D0 Z如果是黑色金属铸件,也用CNC加工。) ~8 S+ D  ]1 y9 \* n
仅供参考。
发表回复
您需要登录后才可以回帖 登录 | 注册

本版积分规则


Licensed Copyright © 2016-2020 http://www.3dportal.cn/ All Rights Reserved 京 ICP备13008828号

小黑屋|手机版|Archiver|三维网 ( 京ICP备2023026364号-1 )

快速回复 返回顶部 返回列表