QQ登录

只需一步,快速开始

登录 | 注册 | 找回密码

三维网

 找回密码
 注册

QQ登录

只需一步,快速开始

展开

通知     

查看: 1135|回复: 6
收起左侧

[求助] 求苏州地区做液压硬管的

[复制链接]
发表于 2014-6-20 15:12:17 | 显示全部楼层 |阅读模式 来自: 中国江苏苏州

马上注册,结识高手,享用更多资源,轻松玩转三维网社区。

您需要 登录 才可以下载或查看,没有帐号?注册

x
本帖最后由 xiahai-022 于 2014-6-20 15:15 编辑
2 Q2 s) \, f# ~, m
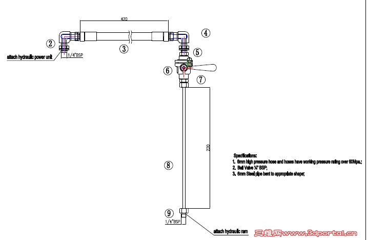
# C' p) y; r/ N  }7 d. F( S这样的能做吗?我们基本用软管,很少用6mm的硬管,谁有液压硬管方面的资料,请求参考一下,谢谢!
 楼主| 发表于 2014-6-20 15:14:30 | 显示全部楼层 来自: 中国江苏苏州
是这样的。
IMG_1 (Medium).jpg
IMG_2 (Medium).jpg
IMG_3 (Medium).jpg
100.jpg
 楼主| 发表于 2014-6-20 15:16:55 | 显示全部楼层 来自: 中国江苏苏州
弄不清楚怎么接的,专家谁解一下
发表于 2014-6-20 16:35:34 | 显示全部楼层 来自: 中国福建福州
这个应该不算复杂吧,不过看说明工作压力在60MPa以上,算是比较高了
发表于 2014-6-20 16:59:02 | 显示全部楼层 来自: 中国江苏无锡
用硬管很少有到60Mpa的吧,铜管倒是做过。- ~9 a. x9 y0 {2 L8 w# Y% o
接头的地方有锥面密封的,
 楼主| 发表于 2014-6-27 09:20:06 | 显示全部楼层 来自: 中国江苏苏州
本帖最后由 xiahai-022 于 2014-6-30 09:08 编辑
3 q; P: f  w7 G2 e6 {; L  s) ~. z& d# j
4 g/ q) P' y6 O做出来了,应该是这样的。确实很简单,想复杂了 3 z( ~, ~4 O% A. v8 J5 Y$ ?
oil pipe.jpg
发表于 2014-6-28 12:56:43 | 显示全部楼层 来自: 中国江苏常州
本帖最后由 syxplc 于 2014-6-28 12:58 编辑 , e* E( a8 R: c9 \3 |8 o
. ^3 Q/ R: ^* a2 _6 r$ X+ u$ g! i$ s
60MPa,螺纹连接的地方用的什么密封件,是不是铜垫圈呀?学习一下,或者哪里采购的标准件。怎么图片看不到?
发表回复
您需要登录后才可以回帖 登录 | 注册

本版积分规则


Licensed Copyright © 2016-2020 http://www.3dportal.cn/ All Rights Reserved 京 ICP备13008828号

小黑屋|手机版|Archiver|三维网 ( 京ICP备2023026364号-1 )

快速回复 返回顶部 返回列表