QQ登录

只需一步,快速开始

登录 | 注册 | 找回密码

三维网

 找回密码
 注册

QQ登录

只需一步,快速开始

展开

通知     

查看: 2621|回复: 14
收起左侧

[已解决] 请教个问题,为什么这个形状无法做成焊件轮廓?

[复制链接]
发表于 2014-7-18 00:17:26 | 显示全部楼层 |阅读模式 来自: 中国广东惠州

马上注册,结识高手,享用更多资源,轻松玩转三维网社区。

您需要 登录 才可以下载或查看,没有帐号?注册

x
如图,- X) v" \. a2 I2 u& J/ c
搜狗截图_2014-07-17_22-47-52.png 3 {. C2 r' _  G7 R/ x+ w
不知道是哪里不对.有熟悉这块的坛友帮忙解答一下。不胜感激0 O3 K+ }( }$ Z% K8 @
附件是2013的文档
9 C/ e1 V% O7 F$ Q# Y6 M 100x118倍速链型材.rar (47.54 KB, 下载次数: 21)
发表于 2014-7-18 00:26:17 | 显示全部楼层 来自: 中国广东东莞
可以做的" x' s3 v9 b$ ~/ f  @9 H8 h
我可以用 低版本 给你做份
发表于 2014-7-18 08:39:33 | 显示全部楼层 来自: 中国四川攀枝花
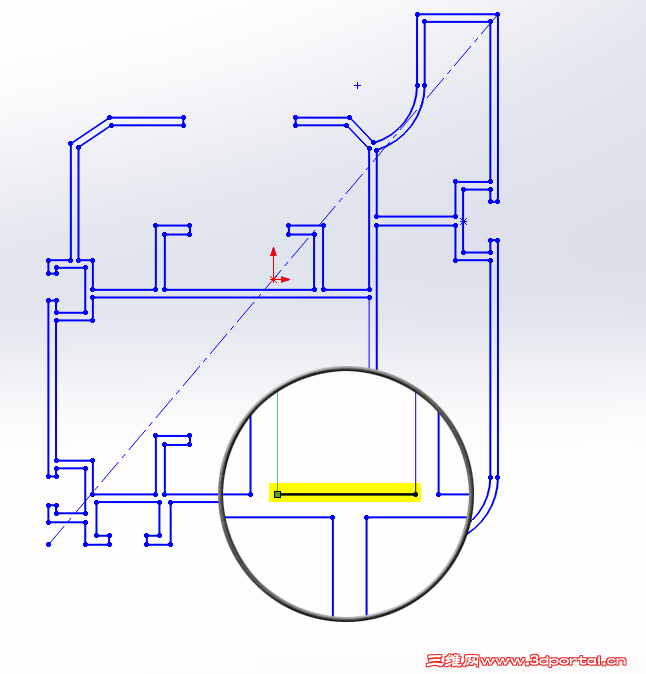
你的草图这里多画了一条线,删除后就可以了。" J* P- [  R/ R% d' y4 D
快照1.png ) Y6 Z5 H& v4 s4 s0 q
快照2.png

评分

参与人数 1三维币 +3 收起 理由
阿帕奇 + 3

查看全部评分

发表于 2014-7-18 08:46:01 | 显示全部楼层 来自: 中国河北唐山
2014版本的,原来的图有重线,运用检查草图合法性,删除重线就好了

100x118倍速链型材.zip

53.06 KB, 下载次数: 5

评分

参与人数 1三维币 +3 收起 理由
阿帕奇 + 3

查看全部评分

发表于 2014-7-18 08:53:33 | 显示全部楼层 来自: 中国江苏苏州
只要草图正确,能够拉伸,就可以在做焊件轮廓

评分

参与人数 1三维币 +1 收起 理由
chenjun520601 + 1 技术讨论

查看全部评分

 楼主| 发表于 2014-7-18 08:55:34 | 显示全部楼层 来自: 中国广东惠州
pzhzs 发表于 2014-7-18 08:39 static/image/common/back.gif& a1 q! w* x" P" P6 O- f
你的草图这里多画了一条线,删除后就可以了。

$ R! @6 d9 U% ]多谢
 楼主| 发表于 2014-7-18 08:56:17 | 显示全部楼层 来自: 中国广东惠州
DearのLover 发表于 2014-7-18 08:46 static/image/common/back.gif
) ~) j  }9 A/ o2014版本的,原来的图有重线,运用检查草图合法性,删除重线就好了
1 h' n  F) z8 ~  }$ m4 p3 |* w
检查草图合法性这个命令怎么用呢?
2 X( o2 J* a8 d' s0 V1 c有点没看懂怎么能自动查重线
发表于 2014-7-18 09:03:52 | 显示全部楼层 来自: 中国河北唐山
进入草图编辑状态,工具→草图工具→检查草图合法性→检查,有问题的地主会自动显示出来的

评分

参与人数 1三维币 +3 收起 理由
阿帕奇 + 3

查看全部评分

 楼主| 发表于 2014-7-18 09:39:25 | 显示全部楼层 来自: 中国广东惠州
DearのLover 发表于 2014-7-18 09:03 static/image/common/back.gif5 D' u6 _( s7 U, Y5 p, F/ D% r. O) s( ]
进入草图编辑状态,工具→草图工具→检查草图合法性→检查,有问题的地主会自动显示出来的

9 q( s- S2 }  w" _3 V哦,我知道了。我鼠标点太快了没看清
发表于 2014-7-18 18:27:15 | 显示全部楼层 来自: 中国陕西西安
SW建模时,草图画完后使用“检查草图合法性”检查下,会避免好多问题。

评分

参与人数 1三维币 +1 收起 理由
chenjun520601 + 1 好建议

查看全部评分

发表于 2014-7-21 14:58:46 | 显示全部楼层 来自: 中国湖南长沙
谢谢了,非常实用的技巧
发表于 2014-7-24 12:57:15 | 显示全部楼层 来自: 中国安徽合肥
非常实用的技巧
发表于 2014-7-24 22:14:05 | 显示全部楼层 来自: 中国河南郑州
我也遇到过这样的问题,很不好解决,
发表于 2014-7-30 20:47:05 | 显示全部楼层 来自: 中国江苏苏州
学习了,以前经常遇到这样的问题去,谢谢
发表于 2014-8-4 14:51:44 | 显示全部楼层 来自: 中国四川泸州
草图中,多出的线一般默认为是开环,就会出现错误,出错后参照工具→草图工具→检查草图合法性→检查,会对错误部分进行指出,纠正后即可
) ~( e8 `% S9 T9 s
% B8 Y! T0 w" ~( F5 F; J闭环草图都是可以拉伸的,复杂的也没有问题
发表回复
您需要登录后才可以回帖 登录 | 注册

本版积分规则


Licensed Copyright © 2016-2020 http://www.3dportal.cn/ All Rights Reserved 京 ICP备13008828号

小黑屋|手机版|Archiver|三维网 ( 京ICP备2023026364号-1 )

快速回复 返回顶部 返回列表