QQ登录

只需一步,快速开始

登录 | 注册 | 找回密码

三维网

 找回密码
 注册

QQ登录

只需一步,快速开始

展开

通知     

查看: 2849|回复: 20
收起左侧

[求助] 这种零件的加工工艺

[复制链接]
发表于 2014-9-26 08:38:32 | 显示全部楼层 |阅读模式 来自: 中国浙江绍兴

马上注册,结识高手,享用更多资源,轻松玩转三维网社区。

您需要 登录 才可以下载或查看,没有帐号?注册

x
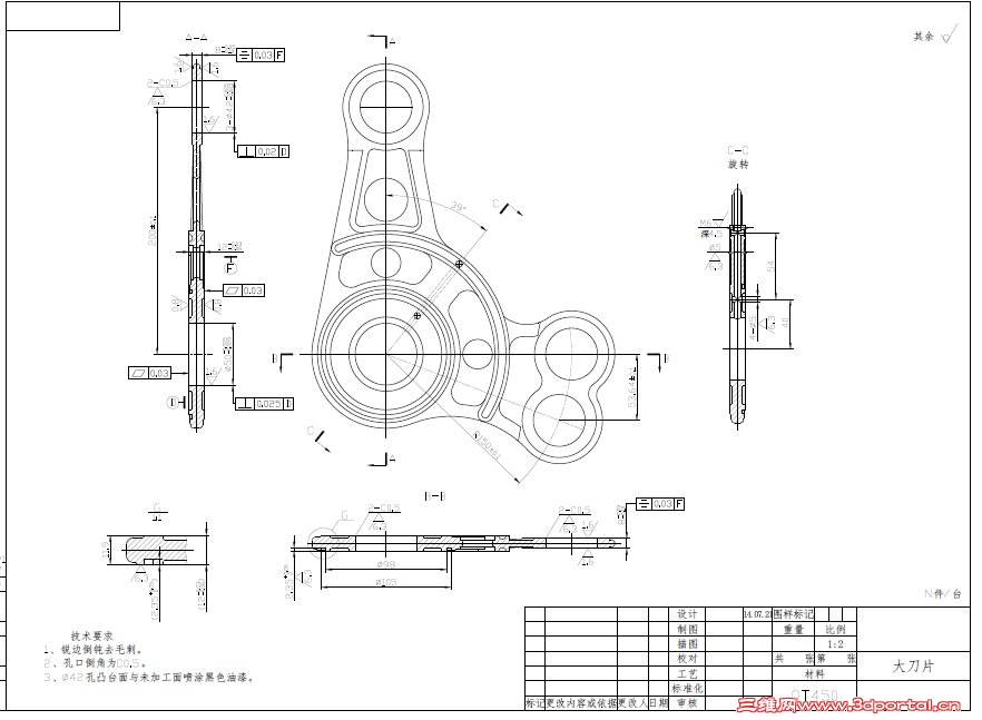
此零件为材料为球墨铸铁,上次做了一批试样,合格率太低了,上次试样的加工工艺是这样的,先将毛坯整形到平面度30丝内,(因为加工余量只有50丝)然后上磨床,磨到12尺寸。上立加,加工50、42的孔,并孔口倒角,并把两个5的孔也加工出来,并加工8毫米厚的地方,(毛坯为9毫米,但两边都有工艺凸台,已经磨到12)装夹方式为压板。这边加工好后,反过来,以加工好的50、42孔为定位,压住,铣8毫米厚的地方,并将孔口倒角。完成后,拿到钻床上钻5个的长孔,并攻丝。4 w9 ~7 u- n3 C8 _% y* {
从第一批试样中厚度8毫米那里总是超差了。这应该是装夹的问题,用压板可能
/ d! s5 k$ L  z2 E, |1 k% z 大刀片0701-Model.pdf (107.86 KB, 下载次数: 19)
发表于 2014-9-26 08:40:16 | 显示全部楼层 来自: 中国安徽宿州
上图!!!!
发表于 2014-9-26 08:54:58 | 显示全部楼层 来自: 中国山西太原
求助内容?
 楼主| 发表于 2014-9-26 09:27:04 | 显示全部楼层 来自: 中国浙江绍兴
watership11 发表于 2014-9-26 08:40 static/image/common/back.gif' O. M0 Y, G8 ]/ [( J( p5 ]
上图!!!!
' \( b, D( s/ b$ r
附件就是图纸
 楼主| 发表于 2014-9-26 09:28:22 | 显示全部楼层 来自: 中国浙江绍兴
watership11 发表于 2014-9-26 08:40 static/image/common/back.gif
4 w( y  Z$ l3 M$ I0 Y2 D9 i2 R上图!!!!
9 H/ Y' b1 W* _' t9 q
用什么方式装夹来保证8毫米的对称度和尺寸公差
发表于 2014-9-26 09:55:31 | 显示全部楼层 来自: 中国湖北黄冈
帮楼主贴张图。
大刀片.jpg
发表于 2014-9-26 12:54:19 | 显示全部楼层 来自: 加拿大
可能第二次加工时的刚性不足,下面能否加工艺垫板
 楼主| 发表于 2014-9-26 15:28:32 | 显示全部楼层 来自: 中国浙江绍兴
daji 发表于 2014-9-26 12:54 static/image/common/back.gif2 q+ s& O$ w6 K* J- }
可能第二次加工时的刚性不足,下面能否加工艺垫板

6 z$ Q0 m6 ]8 n下面有等高垫块的
发表于 2014-9-28 14:13:13 | 显示全部楼层 来自: 中国山东烟台
太薄了,真的很难,没有什么好方法,能否看看你的夹具图片,还有你的厚度尺寸是怎么个超差法,平行度怎么样?
 楼主| 发表于 2014-9-28 14:35:54 | 显示全部楼层 来自: 中国浙江绍兴
mengfansheng 发表于 2014-9-28 14:13 static/image/common/back.gif& Y* e6 \+ j) b8 ^; C* X- Q
太薄了,真的很难,没有什么好方法,能否看看你的夹具图片,还有你的厚度尺寸是怎么个超差法,平行度怎么样 ...

! I$ R" Y+ e( B, N  }8毫米厚度是公差是-0.05到-0.10.有一个与12的对称度要求0.03
发表于 2014-9-28 19:25:43 | 显示全部楼层 来自: 中国陕西西安
立加后上磨床,不要用压板压,底下垫平后磁吸。

评分

参与人数 1三维币 +2 收起 理由
渔樵 + 2 应助

查看全部评分

 楼主| 发表于 2014-9-29 07:51:35 | 显示全部楼层 来自: 中国浙江绍兴
我爱用acad 发表于 2014-9-28 19:25 static/image/common/back.gif* w( Y9 f) {+ N& W1 ^
立加后上磨床,不要用压板压,底下垫平后磁吸。
: X* @& M  F% K3 N+ A
后来也想到这个工艺了,还有一种方法是,以孔内用涨套方法定位,加工8毫米的两个面
发表于 2014-9-29 08:18:26 | 显示全部楼层 来自: 中国陕西西安
以孔内用涨套方法定位后,还是需要底下垫平磁吸,不能用压板压,否则变形会很大。
发表于 2014-9-30 22:07:28 | 显示全部楼层 来自: 中国浙江宁波
因为工件太薄,最好安排时效处理,以减小变形,或者能否加大加工余量
发表于 2014-9-30 23:46:59 | 显示全部楼层 来自: 中国陕西西安
对称度要求比较高,切削加工应力还是难以削除的。
发表于 2014-10-3 23:02:31 | 显示全部楼层 来自: 中国山东济宁
txh007 发表于 2014-9-26 09:28 static/image/common/back.gif
5 A) L4 Y7 Q8 |5 ~' K用什么方式装夹来保证8毫米的对称度和尺寸公差
9 p( L4 j6 `8 D& u: ?7 j7 @
加工8毫米尺寸时,改变加工方式,试一试
发表于 2014-10-3 23:16:05 | 显示全部楼层 来自: 中国陕西西安
kaola20067 发表于 2014-10-3 23:02 static/image/common/back.gif
( E3 O) j  [; q% Z加工8毫米尺寸时,改变加工方式,试一试
( m0 o) `# g, W0 E
我就觉得还是上磨床比较靠谱
发表于 2014-10-3 23:27:55 | 显示全部楼层 来自: 中国山东济宁
铣削很难能达到要求。
发表于 2014-10-3 23:31:20 | 显示全部楼层 来自: 中国陕西西安
kaola20067 发表于 2014-10-3 23:27 static/image/common/back.gif' Y( r' N2 r# L0 L- N* I' k9 w
铣削很难能达到要求。
  i- T3 }* c% r/ u/ J8 S" t6 `
铣削的对称度和粗糙度都不好保证。
发表于 2014-10-6 08:20:41 | 显示全部楼层 来自: 中国山东烟台
txh007 发表于 2014-9-28 14:35 static/image/common/back.gif6 q: K' l/ J2 a5 `0 D
8毫米厚度是公差是-0.05到-0.10.有一个与12的对称度要求0.03
# v2 X; Y9 o+ ?+ z
我说的是加工后的情况
发表于 2014-10-6 08:38:27 | 显示全部楼层 来自: 中国陕西西安
mengfansheng 发表于 2014-10-6 08:20 static/image/common/back.gif' S  x5 u$ o5 m/ t+ N. B+ }) W
我说的是加工后的情况

6 Z0 J; ]4 N1 Z" R+ D0 H6 |% d我想盛版的意思是问楼主试样加工超差的情况,楼主回复的确是产品的公差要求
发表回复
您需要登录后才可以回帖 登录 | 注册

本版积分规则


Licensed Copyright © 2016-2020 http://www.3dportal.cn/ All Rights Reserved 京 ICP备13008828号

小黑屋|手机版|Archiver|三维网 ( 京ICP备2023026364号-1 )

快速回复 返回顶部 返回列表