QQ登录

只需一步,快速开始

登录 | 注册 | 找回密码

三维网

 找回密码
 注册

QQ登录

只需一步,快速开始

展开

通知     

查看: 3419|回复: 23
收起左侧

[讨论] 一个老外的原理图,不明白

[复制链接]
发表于 2014-11-3 14:24:42 | 显示全部楼层 |阅读模式 来自: 中国山东德州

马上注册,结识高手,享用更多资源,轻松玩转三维网社区。

您需要 登录 才可以下载或查看,没有帐号?注册

x
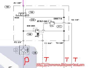
系统使用一个单作用缸压住压辊,系统压力根据工况而定。平时保持2MPa压住压辊,物料多时就要降低压力,保证物料通过。我知道使用的是定比溢流阀,但是实在搞不懂16,17两个阀是怎么回事。。求解
: R$ L* ^) P1 y' \* h/ _9 X, `

P是高压,T为回油箱

P是高压,T为回油箱
发表于 2014-11-3 14:59:09 | 显示全部楼层 来自: 中国北京
真是看不懂,这是什么啊。
发表于 2014-11-3 15:17:15 | 显示全部楼层 来自: 中国广东深圳
额  这个看不懂
发表于 2014-11-3 17:21:27 | 显示全部楼层 来自: 中国河南安阳
16、17组成一个远程控制的比例溢流阀。
  b* [3 Z, Z- ]看不清楚,遥控用的先导阀是不是DBET型。
发表于 2014-11-4 12:30:48 | 显示全部楼层 来自: 中国浙江杭州
16,带外控口溢流阀(主阀)
( V# {( N& b: `3 G3 F# G2 n: _17,比例溢流阀,先导级,采用比例溢流阀控制主阀压力(比例溢流阀,不是定比溢流阀),前面的0.8阻尼孔,应该是减小震荡

评分

参与人数 1三维币 +2 收起 理由
9619 + 2 技术讨论

查看全部评分

发表于 2014-11-4 12:38:26 | 显示全部楼层 来自: 中国浙江杭州
主阀功能与这个类似' \2 t6 F$ D0 u! c9 b
主阀.JPG
先导级.JPG

评分

参与人数 1三维币 +3 收起 理由
9619 + 3 技术讨论

查看全部评分

 楼主| 发表于 2014-11-5 13:29:22 | 显示全部楼层 来自: 中国山东德州
9619 发表于 2014-11-3 17:21 static/image/common/back.gif2 p5 L' s/ J! b. Q
16、17组成一个远程控制的比例溢流阀。, S0 W7 @& m: o% Z  f( p$ A
看不清楚,遥控用的先导阀是不是DBET型。
! O; q7 A! K/ e" Z8 b( }
对的,是力士乐的DBET6通径比例溢流阀。
! `- ^. D- {- T3 T/ O% k不明白的是主阀还有工作原理
 楼主| 发表于 2014-11-5 14:50:17 | 显示全部楼层 来自: 中国山东德州
本帖最后由 闯天涯 于 2014-11-5 15:13 编辑
5 [8 A8 |+ C& b8 h! f; @& A' E( n# T
zls888 发表于 2014-11-4 12:38 static/image/common/back.gif+ k: m/ E& x; l% L; u  o
主阀功能与这个类似

; T& [0 Y5 ]. F, N" i我有点明白了,其实就是一个先导溢流阀,把上面的旋钮式调节改为PLC调节了。简称先导式比例溢流阀
4 ?5 E; |8 x8 O) |  M7 |0 W* C2 M6 ?- M1 q4 V4 l2 h
发表于 2014-11-6 10:14:11 | 显示全部楼层 来自: 中国河南安阳
闯天涯 发表于 2014-11-5 14:50 http://www.3dportal.cn/discuz/static/image/common/back.gif, N9 l- z$ A" f# U2 E3 b8 B
我有点明白了,其实就是一个先导溢流阀,把上面的旋钮式调节改为PLC调节了。简称先导式比例溢流阀

5 i8 O3 i4 Q! `& Q+ D. O, B7 K
主阀是一个插装溢流阀。
, Q% \" H5 ^3 M& E7 ~; s& r' V3 j4 u8 y
是的,应该叫远控比例溢流阀。
8 i6 f* C/ g- i! ^$ L* o7 [% N7 [7 F  O6 Y0 Q( [+ c
先导比例溢流阀一般是一体的。
 楼主| 发表于 2014-11-6 10:50:17 | 显示全部楼层 来自: 中国山东德州
9619 发表于 2014-11-6 10:14 static/image/common/back.gif
; s6 a, v( u5 S$ M2 O主阀是一个插装溢流阀。
8 {, [7 w7 Q) U3 Z9 u% K* o3 l2 O. }. q/ X* r! \) S- p
是的,应该叫远控比例溢流阀。

; T/ T6 |" _6 U6 K7 v4 [5 b4 ^# [9 O它这应该是力士乐的先导式比例溢流阀,外控外排。主阀是20通径的
发表于 2014-11-6 12:16:43 | 显示全部楼层 来自: 中国河南安阳
闯天涯 发表于 2014-11-6 10:50 static/image/common/back.gif
6 |2 j. H) P; M7 t, E7 T它这应该是力士乐的先导式比例溢流阀,外控外排。主阀是20通径的
0 W/ y! f( C! a
主阀的型号是什么,你的图看不清。  i6 r& _, [$ ]2 H9 y! k- @
有具体型号吗。
 楼主| 发表于 2014-11-6 13:54:07 | 显示全部楼层 来自: 中国山东德州
9619 发表于 2014-11-6 12:16 static/image/common/back.gif
1 ]. r+ ?4 d7 m0 D# Z主阀的型号是什么,你的图看不清。
( l6 c6 O+ V* x& n9 X3 \$ P/ V有具体型号吗。
5 y5 n) Q% k' r/ [
力士乐的型号没找到,对应华德的型号是DBE20-30。老外的原理图往往详细到把本来一体的阀给分开画。
发表于 2014-11-6 17:14:36 | 显示全部楼层 来自: 中国广东东莞
本帖最后由 repzk031 于 2014-11-6 17:27 编辑 ) }" G" p* `7 R# m
: I. Y; `+ v5 G, F$ O; D
主阀就是力士乐DB20k型先导式溢流阀(螺纹插装式)次级压力控制口x接上DBET这个阀,DBET远程控制的是力士乐直动式比例溢流阀(选择的是不带集成电子元件,外部先导泄油)
2 `  a) [+ Z1 `$ Y0 c
9 Y3 n" a: v! j2 X/ i$ t$ q* a帮您找了下力士乐DB20k型先导式溢流阀样本
%KD@OG1A@5ER1%(UMZ]Q7$P.png
FJ$8K3FA~89X)C(X1_@A]P8.jpg
19YMN58PA5()8DNA$JVV.jpg
发表于 2014-11-6 21:17:17 | 显示全部楼层 来自: 中国江苏南京
比例压力调整回路,没有用比例溢流阀可能是为节省成本
发表于 2014-11-6 21:23:20 | 显示全部楼层 来自: 中国浙江杭州
工人枫叶 发表于 2014-11-6 21:17 static/image/common/back.gif# R" m1 I8 Z7 W+ F) r
比例压力调整回路,没有用比例溢流阀可能是为节省成本

6 ^5 T7 x# V5 O- @: w不是单单为了节约成本,在大流量状态下基本上用先导为多
发表于 2014-11-7 17:22:32 | 显示全部楼层 来自: 中国河南安阳
闯天涯 发表于 2014-11-6 13:54 static/image/common/back.gif" A5 J/ l7 ~: Y2 S
力士乐的型号没找到,对应华德的型号是DBE20-30。老外的原理图往往详细到把本来一体的阀给分开画。
0 G0 E4 p. T! H
这样的话就是一个标准的先导型比例溢流阀。
7 I$ s; h' B* t; U9 E! Z9 z+ ]# u  j老外是奇怪,这个阀的先导阀就在主阀上,他又将先导阀标注了一下型号,弄得只看原理图好像是外控似的。
发表于 2014-11-8 11:49:34 | 显示全部楼层 来自: 中国河南焦作
我理解如下,15是带发讯器的压力管路过滤器,这个就不说了16是电磁溢流阀,负责系统主压力的设定,17是一个远程调压阀,用于操作台上的对系统压力的设定与调整,18的换向阀这样的接法,可以推测,输出油缸为一个自重下落或者外力致其回缩的单作用液压缸,换向阀不通电的时候油缸伸出,通电后液压缸卸荷回缩,电机卸荷(空载)。这个一同一般应用在举升机、举升平台、升降梯等等。如有片缪,请各位专家斧正!
发表于 2014-11-9 18:38:16 | 显示全部楼层 来自: 中国北京
这是不是板坯热压力控制阀组?很像。
 楼主| 发表于 2014-11-13 16:29:22 | 显示全部楼层 来自: 中国山东德州
zls888 发表于 2014-11-6 21:23 static/image/common/back.gif
' l) ?& V) r* ?( {不是单单为了节约成本,在大流量状态下基本上用先导为多

# v: d1 N/ P. {% `系统流量非常小的,因为油缸行程只有28mm,缸径是50的。搞不懂老外为什么用20通径的主阀,我用的是一个10通径的。
 楼主| 发表于 2014-11-13 16:42:35 | 显示全部楼层 来自: 中国山东德州
9619 发表于 2014-11-7 17:22 static/image/common/back.gif0 [- B' k& Q. ^" G, v' C/ F
这样的话就是一个标准的先导型比例溢流阀。: r/ F6 }9 u2 V: C7 n: @
老外是奇怪,这个阀的先导阀就在主阀上,他又将先导阀标注了 ...
& @9 k: q- Y8 {9 e
详细到阻尼孔都标出来了。汗啊
 楼主| 发表于 2014-11-13 16:44:18 | 显示全部楼层 来自: 中国山东德州
这是整个图,别跟我要详细的东西,这就是全部。

全图

全图

评分

参与人数 1三维币 +3 收起 理由
9619 + 3 谢谢分享

查看全部评分

发表于 2014-11-14 13:00:45 | 显示全部楼层 来自: 中国广东佛山
16是带遥控口手调溢流阀,是主阀,溢流时油要从主阀回油箱。16阀的手调压力需要调整大于比例阀控制的最大压力。: M* @! T" O  d( h+ V4 B  p
17是先导比例阀,控制主阀X口。实现远程比例控制
发表于 2015-1-6 11:24:39 | 显示全部楼层 来自: 中国北京
这个和我们做的加载系统原理大同小异,16电磁溢流阀,负责系统主压力的设定(主要安装在系统阀组上)17是一个远程调压阀(用PLC 机械旋钮远程调节),主要是用于操作台上的实际工作压力的调节。说白了就是16在系统工作时已调成了系统的最大工作压力,具体实际工况的压力由17来调节。
发表于 2015-1-6 16:44:16 | 显示全部楼层 来自: 中国辽宁沈阳
路过学习。9 _7 C- |. o6 z( p/ q1 C1 H9 T
但是请问各位大神,液压系统应该怎么学?
6 i0 T2 K, I5 d上学的时候就液压挂科,上班十多年仍然迷惑中,谁能指导一个方法,基础型的,等待中。
发表回复
您需要登录后才可以回帖 登录 | 注册

本版积分规则


Licensed Copyright © 2016-2020 http://www.3dportal.cn/ All Rights Reserved 京 ICP备13008828号

小黑屋|手机版|Archiver|三维网 ( 京ICP备2023026364号-1 )

快速回复 返回顶部 返回列表