QQ登录

只需一步,快速开始

登录 | 注册 | 找回密码

三维网

 找回密码
 注册

QQ登录

只需一步,快速开始

展开

通知     

全站
8天前
查看: 1404|回复: 1
收起左侧

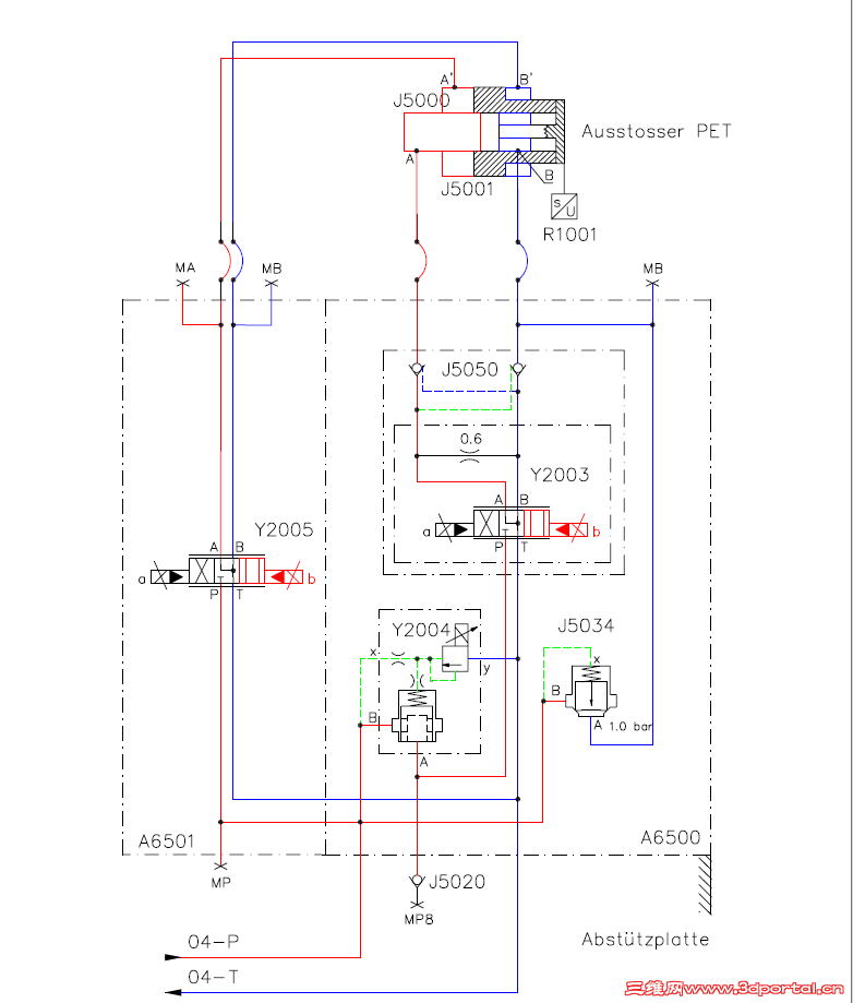
[求助] 注塑机顶出油缸液压原理图请教

[复制链接]
发表于 2014-12-6 18:59:16 | 显示全部楼层 |阅读模式 来自: 中国广东东莞

马上注册,结识高手,享用更多资源,轻松玩转三维网社区。

您需要 登录 才可以下载或查看,没有帐号?注册

x
一份注塑机顶出油缸液压原理图(欧洲瑞士Netstal机器)请教各位.顶出油缸结构是子母缸结构(大缸套一个小缸,大缸行程短,有效作用面积大称为辅助顶出,小缸作用面积小行程长为主顶出),顶出制品的时候是两个阀同时工作大小缸一起向前动作,由于大缸行程短的缘故,所以会先行运动到终点位置,就停止了,接着小缸单独继续往前顶出,各位可以通俗一点理解是大缸与小缸一起动作把制件顶松,然后由出力小的小缸单独顶出就可以轻松顶出产品了.其中Y2004是moog的伺服阀,Y2003是moog的比例伺服阀
6 f. o) u# m) ?, n( ~; M  W2 v 请教各位:1.图纸中0.6的节流子加了起什么作用?* K  @7 f+ C# X. B' @; @; ]
                   2.J5034这个阀有什么作用?+ G% u. u: P5 ?% N
                   3.Y2004这个是什么阀?
  N9 O, @; x; B# r8 p0 E5 ]. V) ~. U: f+ F
" x( V3 q- x7 f! r$ C1 D
顶出要求是:位置重复精度高,不能有冲击
+ i, T/ `8 w( H+ O, J( }- G$ r                   0 g# Z' z; C8 V$ F7 q

# z6 u& G, ~: `/ [8 ?4 c3 H: p, Q3 Z* n# O- b% B2 C: g& {7 @

1 Z1 }4 {9 m) P$ i6 y5 I" _1 }2 h( M  D: u; a( E
! d: Z3 ^8 r/ b( v" c5 F
补充内容 (2014-12-18 14:18):
3 M# N- u( B" U. Y" h
[6Q5}UWTUFLUJTG%LUO_5LK.png
发表于 2014-12-18 11:10:57 | 显示全部楼层 来自: 中国浙江杭州
y2004 是压差阀  作用是减少下级油路的脉动
发表回复
您需要登录后才可以回帖 登录 | 注册

本版积分规则


Licensed Copyright © 2016-2020 http://www.3dportal.cn/ All Rights Reserved 京 ICP备13008828号

小黑屋|手机版|Archiver|三维网 ( 京ICP备2023026364号-1 )

快速回复 返回顶部 返回列表