QQ登录

只需一步,快速开始

登录 | 注册 | 找回密码

三维网

 找回密码
 注册

QQ登录

只需一步,快速开始

展开

通知     

查看: 873|回复: 3
收起左侧

[求助] 分型面如何选

[复制链接]
发表于 2014-12-17 15:30:45 | 显示全部楼层 |阅读模式 来自: 中国江苏苏州

马上注册,结识高手,享用更多资源,轻松玩转三维网社区。

您需要 登录 才可以下载或查看,没有帐号?注册

x
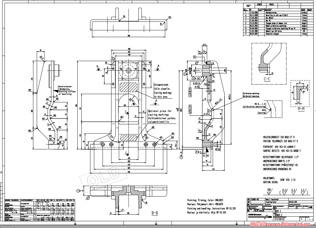
求大神看下附件图纸分型面如何选,砂型铸造。% S4 n# b2 B9 h3 F

650802_en_P.1_1--MX10 Body 2.pdf

189.52 KB, 下载次数: 6

发表于 2014-12-17 18:55:24 | 显示全部楼层 来自: 中国陕西西安
帮楼主贴个图
' f& t$ F( x9 X/ D/ _; D4 @/ ?( F! \7 g! b, @8 U
1.png
发表于 2014-12-17 20:28:13 | 显示全部楼层 来自: 中国上海
造型都没有就一张图纸选什么分模线,造型完了再发估计有人帮解决
发表于 2014-12-18 08:39:28 | 显示全部楼层 来自: 中国辽宁盘锦
自己把自己该做的都做好,再说。好吗?
发表回复
您需要登录后才可以回帖 登录 | 注册

本版积分规则


Licensed Copyright © 2016-2020 http://www.3dportal.cn/ All Rights Reserved 京 ICP备13008828号

小黑屋|手机版|Archiver|三维网 ( 京ICP备2023026364号-1 )

快速回复 返回顶部 返回列表