QQ登录

只需一步,快速开始

登录 | 注册 | 找回密码

三维网

 找回密码
 注册

QQ登录

只需一步,快速开始

展开

通知     

全站
7天前
查看: 1646|回复: 8
收起左侧

[讨论] 这个工字轮的车加工

[复制链接]
发表于 2014-12-18 14:41:01 | 显示全部楼层 |阅读模式 来自: 中国江苏泰州

马上注册,结识高手,享用更多资源,轻松玩转三维网社区。

您需要 登录 才可以下载或查看,没有帐号?注册

x
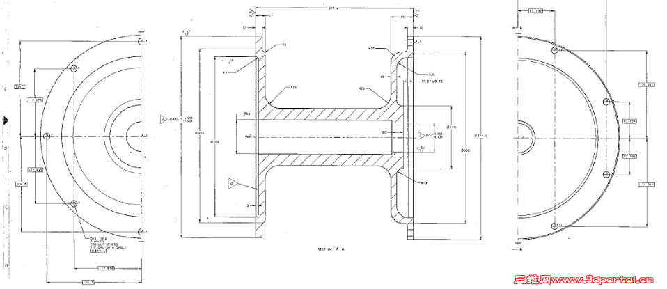
大家看看这个工字轮的车加工工艺具体该怎么样进行,毛坯是锻打的。全切削加工。
0 }( k4 C- G- G; H! l4 \
截图00.png
发表于 2014-12-18 15:03:21 | 显示全部楼层 来自: 中国江苏苏州
:)

评分

参与人数 1三维币 -3 收起 理由
jiang.jh -3 灌水

查看全部评分

 楼主| 发表于 2014-12-19 08:26:08 | 显示全部楼层 来自: 中国江苏泰州
这个网站关了几天 人气不旺拉
发表于 2014-12-19 11:03:40 | 显示全部楼层 来自: 中国北京
图纸看不太清楚,具体的精度和位置关系也不清楚。大体应该是用主轴卡内径,分序加工两端。加工余量也不太清楚。主要是怕工件的两端因为壁薄影响精度。
发表于 2014-12-19 11:24:43 | 显示全部楼层 来自: 中国山东烟台
看不到形位公差,应该好做,做的时候加支撑,否则会震刀
发表于 2014-12-19 16:21:59 | 显示全部楼层 来自: 中国山西太原
图的数字太小了,公差看不清楚。大概最大直径为400mm,毂径100,可先车内孔,配一芯轴,紧固后夹顶芯轴,加工其余部位。因有芯轴调头误差很小,可将两端加工。
发表于 2014-12-19 18:20:41 | 显示全部楼层 来自: 加拿大
如上所述可以用芯轴工装装夹,应先夹右侧,加工出左侧部分及孔。然后调头加工左侧,配好芯轴,加工中间部分。个人感觉中间部分加工时侧壁处的刚性可能会有问题的,需要想办法克服。具体尺寸看不清楚,从图比例上看类似薄壁
发表于 2014-12-19 21:29:36 | 显示全部楼层 来自: 中国湖南岳阳
加工好内孔,其余粗车;上芯轴,一次车成。
发表于 2014-12-20 10:57:10 | 显示全部楼层 来自: 中国陕西西安
先加工好内孔,配一芯轴,然后夹顶芯轴,一次装夹加工其余部位。
发表回复
您需要登录后才可以回帖 登录 | 注册

本版积分规则


Licensed Copyright © 2016-2020 http://www.3dportal.cn/ All Rights Reserved 京 ICP备13008828号

小黑屋|手机版|Archiver|三维网 ( 京ICP备2023026364号-1 )

快速回复 返回顶部 返回列表