QQ登录

只需一步,快速开始

登录 | 注册 | 找回密码

三维网

 找回密码
 注册

QQ登录

只需一步,快速开始

展开

通知     

查看: 2910|回复: 2
收起左侧

[求助] 蜗杆加工与检测问题

[复制链接]
发表于 2015-2-5 14:02:22 | 显示全部楼层 |阅读模式 来自: 中国江苏泰州

马上注册,结识高手,享用更多资源,轻松玩转三维网社区。

您需要 登录 才可以下载或查看,没有帐号?注册

x
本帖最后由 jfqingxuexi 于 2015-2-5 15:51 编辑 1 k7 E1 F8 e% s& T9 z
1 G: r1 K! I8 r/ R$ x! P
大家好:
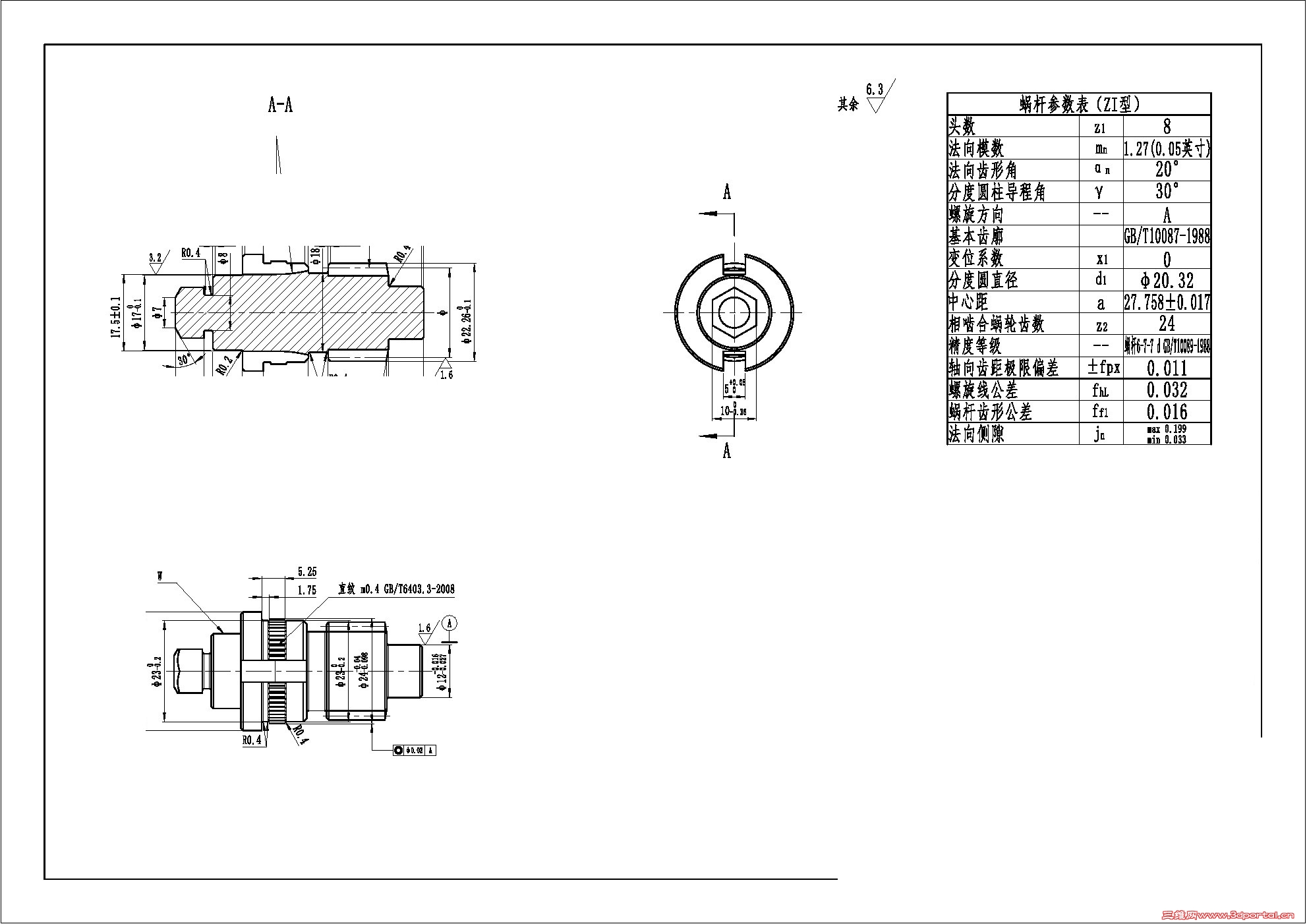
" V: a' `+ Y! C6 H) q0 I9 R     我最近收到一份图纸,对于加工蜗轮蜗杆我实在是不懂,没有遇到过,知道的唯一信息是:蜗杆是车出来的,蜗轮是像滚齿一样生产出来的。但是我的这张图纸蜗杆有8头,它的模数等等参数好像又不是标准的(我查了手册),对于这样的蜗杆还能车出来吗?还有一点是对我们很重要的,外加工做好了,我们怎么检验呀?外径可以测量,其他的呢?望大家赐教。
( \# [4 d/ a. B
008.jpg
发表于 2015-6-24 06:49:35 | 显示全部楼层 来自: 中国上海
本帖最后由 yanjiannihao 于 2015-6-24 08:32 编辑
# q. ^; h' w$ `( u/ u5 w( B7 \- G2 U) M2 {5 n5 d% ]
你这个是标准径节制的蜗杆,英制标准,国内不少普通车床有这个功能的,数控车就更没问题了,7 I( C. f& k* N9 b3 I4 {: {
检查用公法线千分尺,用软件geartrax确定对应的公法线零位值,再根据图纸提供的精度与侧间隙确定其公差范围,用可靠点的软件算喔,按手册算要鼻子出血的7 M7 _: i4 o- a4 v: A' A3 ?: f( z
- n: k7 S& R2 k
发表于 2015-7-15 12:59:12 | 显示全部楼层 来自: 中国上海
用数控车床做好,分头精准,普通车床对工人的分头精度有理由不放心( ~5 G* b" ~2 A
蜗杆测量用齿厚游标卡,具体规定应由采购商提供,这张图画得不太地道,
% `9 X+ g+ |: K* k8 W4 c: d当然也可以自己算,要我帮了算,30元
发表回复
您需要登录后才可以回帖 登录 | 注册

本版积分规则


Licensed Copyright © 2016-2020 http://www.3dportal.cn/ All Rights Reserved 京 ICP备13008828号

小黑屋|手机版|Archiver|三维网 ( 京ICP备2023026364号-1 )

快速回复 返回顶部 返回列表