QQ登录

只需一步,快速开始

登录 | 注册 | 找回密码

三维网

 找回密码
 注册

QQ登录

只需一步,快速开始

展开

通知     

查看: 2995|回复: 8
收起左侧

[求助] 这个套管的加工工艺

[复制链接]
发表于 2015-6-4 11:49:36 | 显示全部楼层 |阅读模式 来自: 中国江苏泰州

马上注册,结识高手,享用更多资源,轻松玩转三维网社区。

您需要 登录 才可以下载或查看,没有帐号?注册

x
各位:
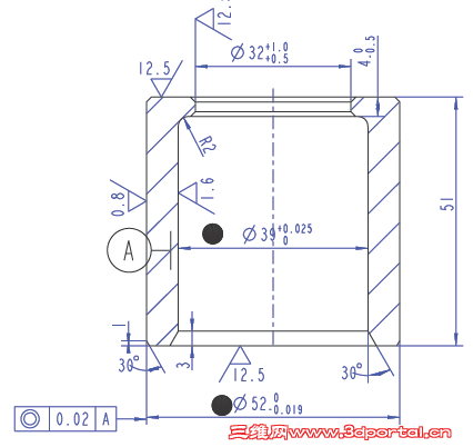
8 A) I% Y' j: p% s( c      如图示,这个套管的加工工艺我们现在是这样排的:40Cr下料Φ60*60---粗钻孔到28--调质处理(硬度241~285)---车削(外圆、内孔一此装夹内车削,内孔直接到位,外圆留0.15mm量)----无心磨外圆到尺寸--结束。现在的问题是这个内孔很难车削到位,上下有0.015左右的锥度,本身又扁了0.01 很难控制尺寸。大家有没有好的加工方案来保证各个形位公差和尺寸精度,或者说车这个内孔的时候该怎么样消除这个锥度,谢谢!+ k; t) G- v4 d+ a, F# \

" a: N1 h5 d* Y1 f" E( {
111.png
发表于 2015-6-4 14:01:20 | 显示全部楼层 来自: 中国湖北黄冈
1. 内孔端部没有退刀槽,不容易清根,锥度不好控制。是否可以多走一次精刀?( l2 d  `1 F6 N  v
2. 外圆无心磨,同心度0.02怎么保证。
, R7 L/ m6 q, K3. 可否2件背靠背(留切断长度)用万能外圆磨床分别精加工一端的内、外圆,再切断、车各自端面。但是内孔还是没有砂轮越程槽,孔端部尺寸也可能有锥度。
发表于 2015-6-5 09:57:08 | 显示全部楼层 来自: 加拿大
是不是装夹产生的,端面压紧试试。
发表于 2015-6-5 22:29:17 | 显示全部楼层 来自: 中国安徽蚌埠
大批量可以考虑锻打件,* e) c$ m5 d" x* o! ]
小批量可以材料双件下料,好装夹
4 G: z5 r7 J1 p- t! i7 m内孔精度可以通过精车挤光来达到
发表于 2015-6-6 15:15:02 | 显示全部楼层 来自: 中国河北石家庄
     批量大和小,解决问题的方法也不同。但你们的主要问题是“内孔很难车削到位”,这不是加工方案的问题,而是设备(主轴、刀架等)和刀具的影响,需要自己检测、解决。另外,Φ39+0.025孔的有效长度应该明确(这个有效长度影响加工方法选择)。由于没有位置公差要求,批量大、小的工艺方案都比较容易。如果批量较大,建议用Φ56x12(壁厚)的冷拔钢。如果有效长度合适,即使设备条件不好,也容易解决孔加工精度。
发表于 2015-6-7 12:14:38 | 显示全部楼层 来自: 中国陕西西安
内孔R2处最好更改设计,改成退刀槽,这样加工工艺会合理些。
发表于 2015-6-8 19:36:50 | 显示全部楼层 来自: 中国浙江宁波
最好不要用无心磨,如果批量大的话,除了下料得考虑外,做外圆52+0.019^0,我觉得更侧重于内涨芯轴来做,这样才能更好的控制精度。装夹时间上也不会有很大的影响。
发表于 2015-6-10 21:47:55 | 显示全部楼层 来自: 中国浙江温州
主要是思路有些东西书本上是没有的,你们如果是用数控车的话测量一下这个偏差是否稳定,如果稳定就按车锥度程序走
发表于 2015-6-28 21:00:43 | 显示全部楼层 来自: 中国浙江嘉兴
车制外圆留余量  ,  配做 一组 心轴 ,以内孔定位 磨外圆。保证同轴度、表面粗糙度要求。
发表回复
您需要登录后才可以回帖 登录 | 注册

本版积分规则


Licensed Copyright © 2016-2020 http://www.3dportal.cn/ All Rights Reserved 京 ICP备13008828号

小黑屋|手机版|Archiver|三维网 ( 京ICP备2023026364号-1 )

快速回复 返回顶部 返回列表