QQ登录

只需一步,快速开始

登录 | 注册 | 找回密码

三维网

 找回密码
 注册

QQ登录

只需一步,快速开始

展开

通知     

查看: 2706|回复: 4
收起左侧

[已解决] 关于HG/T 20592-2009钢制管法兰(PN系列)的密封面问题

[复制链接]
发表于 2015-7-22 14:15:42 | 显示全部楼层 |阅读模式 来自: 中国福建厦门

马上注册,结识高手,享用更多资源,轻松玩转三维网社区。

您需要 登录 才可以下载或查看,没有帐号?注册

x
最近碰到一些法兰,像带颈对焊钢制管法兰之类的。/ G& B: R. p# e0 G

" d2 w% G8 O# m9 I! T9 m4 E 就搜了相关标准:HG/T 20592、DIN 2632等。
! l* y" V/ ^( c6 s; r8 u" Y  n  E$ @1 [* k
对于O型圈密封的法兰,密封面的沟槽尺寸和O型圈是怎么对应的?4 x1 V6 L4 l. h$ o' ^
( G! |4 t; p5 l/ h& l6 x6 @) ^
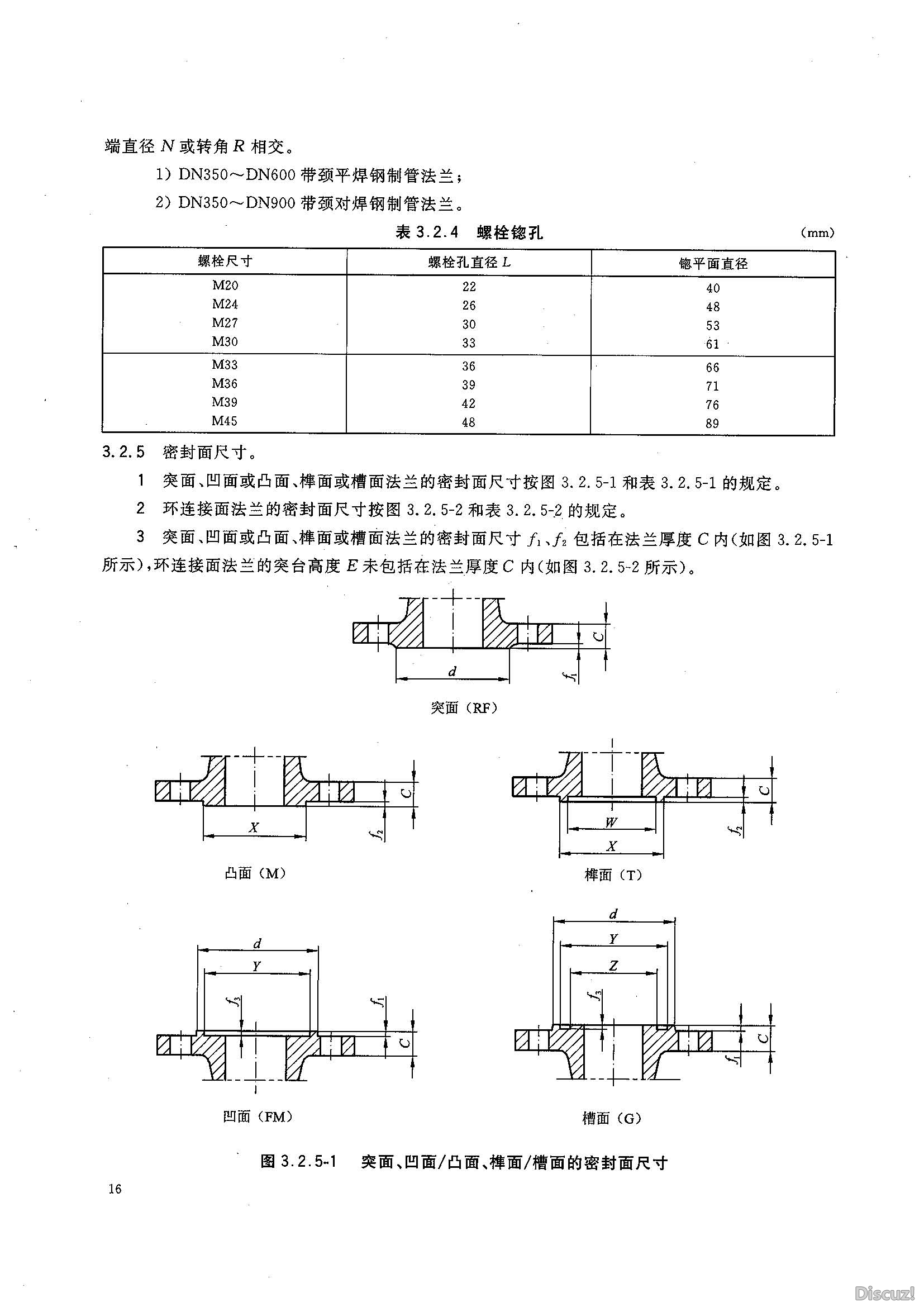
比如HG/T 20592-2009,下图1的槽面(G),图2的表中给出了f3、Y、Z的沟槽尺寸(好像没有注明公差)。, O* _& k9 n& h& b( u

( K, J3 y9 H: i- P) |( {" ~ 那么:该沟槽对应的O型圈是什么呢?怎么查询?
8 M) ~! G. j; s! q1 y$ o; O% k1 A" L, E) x# x2 B) w- ^4 A
Pages from HGT 20592~20635-2009 钢制管法兰、垫片、紧固件_Page_1.jpg * K& S1 O9 E0 B* w7 O. F( A# @5 m
Pages from HGT 20592~20635-2009 钢制管法兰、垫片、紧固件_Page_2.jpg
, {# K  h! m0 \& k" r! x
  |1 ~( U5 g( s+ f% m  l3 ~: J
发表于 2015-8-7 12:28:49 来自手机 | 显示全部楼层 来自: 中国陕西
你确定是Oring吗,应该是八角垫
6 H6 V2 @& ]* e& r( s7 {# q( @/ l6 U5 C4 a# [
发表于 2015-8-10 08:36:05 | 显示全部楼层 来自: 中国陕西西安
法兰间密封很少有用O型圈的,一般用橡胶垫或金属垫或者金属缠绕带。
 楼主| 发表于 2015-8-10 09:08:20 | 显示全部楼层 来自: 中国福建厦门
lauhob 发表于 2015-8-7 12:28& Z7 @6 C( h, M9 V  F9 ?
你确定是Oring吗,应该是八角垫

/ U4 C. z% k6 T: A0 V: A( Z对于法兰标准不熟,后来搞清楚了。
& N! R& p* n6 F' u: g& O" i+ B8 a1 |& h  u$ l
标准上制订的的确不是O型圈密封。/ @9 O7 P# O7 M3 m; }: ]  x
8 ]) _# Q% B# Z+ c, V9 }
只是刚看到那个凹槽,就以为是O型圈密封。
发表于 2015-8-11 21:11:13 | 显示全部楼层 来自: 中国陕西
应该使用八角垫或者椭圆垫,按照标准号和对应压力等级等可以直接提供参数购买,一般标准的后面会有相关的参数解释!
发表回复
您需要登录后才可以回帖 登录 | 注册

本版积分规则


Licensed Copyright © 2016-2020 http://www.3dportal.cn/ All Rights Reserved 京 ICP备13008828号

小黑屋|手机版|Archiver|三维网 ( 京ICP备2023026364号-1 )

快速回复 返回顶部 返回列表