QQ登录

只需一步,快速开始

登录 | 注册 | 找回密码

三维网

 找回密码
 注册

QQ登录

只需一步,快速开始

展开

通知     

查看: 5828|回复: 45
收起左侧

[分享] 一套双缸蒸汽机模型的图纸

[复制链接]
发表于 2016-1-28 14:08:18 | 显示全部楼层 |阅读模式 来自: 中国广东肇庆

马上注册,结识高手,享用更多资源,轻松玩转三维网社区。

您需要 登录 才可以下载或查看,没有帐号?注册

x
本帖最后由 keilei001 于 2019-10-13 23:57 编辑
( |6 e  e; p8 s
( Z: B& q. E6 [  t! P2 d图纸是pdf格式,有零件图和装配图,适合用来练习建模和装配。
0 c9 V8 q' g, y: o% P+ u2 S% n0 J% ^! g6 h/ @
Snap1.jpg
7 @6 e, V6 J9 Y3 B( u, ]4 x1 g1 g: K
PDF Files.rar (3.54 MB, 下载次数: 325)

评分

参与人数 1三维币 +3 收起 理由
阿帕奇 + 3

查看全部评分

发表于 2016-1-28 14:12:32 | 显示全部楼层 来自: 中国江苏苏州
谢谢 分享,看看从中是否能有收获。。。
发表于 2016-1-28 14:13:53 | 显示全部楼层 来自: 中国台湾
感谢分享, 感谢分享!
发表于 2016-1-28 14:59:13 | 显示全部楼层 来自: 中国浙江嘉兴
謝謝分享
发表于 2016-1-28 15:07:04 | 显示全部楼层 来自: 中国四川乐山
不认识外国文字,幸好认识数字* J. j/ c- @; Q0 b
怎么都感觉外国的工艺是牛13,攻丝都能把底孔攻完……
QQ截图20160128150403.jpg
发表于 2016-1-28 15:45:28 | 显示全部楼层 来自: 中国江苏苏州
下载看看谢谢
发表于 2016-1-29 08:32:01 | 显示全部楼层 来自: 中国台湾
感謝樓主的
; h2 q. }! t' d2 G: a1 {: {分享
1 z* a* k8 s9 ^; d3 A8 r7 c1 _! p, v
发表于 2016-1-29 08:39:10 | 显示全部楼层 来自: 中国北京
谢谢分享。。。。。。。。。。。。
 楼主| 发表于 2016-1-29 10:12:28 | 显示全部楼层 来自: 中国广东肇庆
本帖最后由 keilei001 于 2016-1-29 10:18 编辑 + x: ~! @8 Q5 d4 _0 i

. T  q9 w7 f% c& x& v0 B; g给大家看看最简易的Stirling发动机
. w8 z5 [* }$ c# C8 ^! \* d9 `; Y1 L9 Y% l) I

点评

妖哥这么多好资料,赞!  发表于 2016-2-2 23:00
发表于 2016-1-29 22:33:41 | 显示全部楼层 来自: 中国江苏苏州
有个问题一直困扰着我,如下图所示,相同零件序号是如何排在一起的?请001老师教一下好吗!!!: g6 W1 ]8 J8 C5 D4 T
捕获.PNG   r( M+ F- F1 ^

* S# [3 X1 ^( Y! b
发表于 2016-2-2 16:55:47 | 显示全部楼层 来自: 中国上海
wenmk123 发表于 2016-1-29 22:33
" F/ G2 ?6 N, k2 K3 Z/ Z6 ~7 r3 T有个问题一直困扰着我,如下图所示,相同零件序号是如何排在一起的?请001老师教一下好吗!!!

- `; J' N  Z! N# J* C* q' x这个简单,在插入/注释/成组的零件号,就可以了

点评

助人为乐,赞!  发表于 2016-2-2 23:01
发表于 2016-2-2 21:14:23 | 显示全部楼层 来自: 中国江苏苏州
susan149728 发表于 2016-2-2 16:55
9 q& n; E5 ?3 j( d1 s这个简单,在插入/注释/成组的零件号,就可以了
7 |8 B3 v) I, X3 f! G1 s
谢谢朋友指点,我试一下!!
发表于 2016-2-2 22:37:49 | 显示全部楼层 来自: 中国陕西西安
啥都没准 发表于 2016-1-28 15:07
6 K; ]# _+ }! q% t# Z不认识外国文字,幸好认识数字" V0 @: U" |1 z: r" S, |
怎么都感觉外国的工艺是牛13,攻丝都能把底孔攻完……
# m6 r+ z3 |7 W! h& P
老兄看图仔细,这可能是简画出来的,设计者要求的应该是有效螺纹深度为10,底孔深度不明确时应该按标准来。
发表于 2016-2-2 22:44:43 | 显示全部楼层 来自: 中国陕西西安
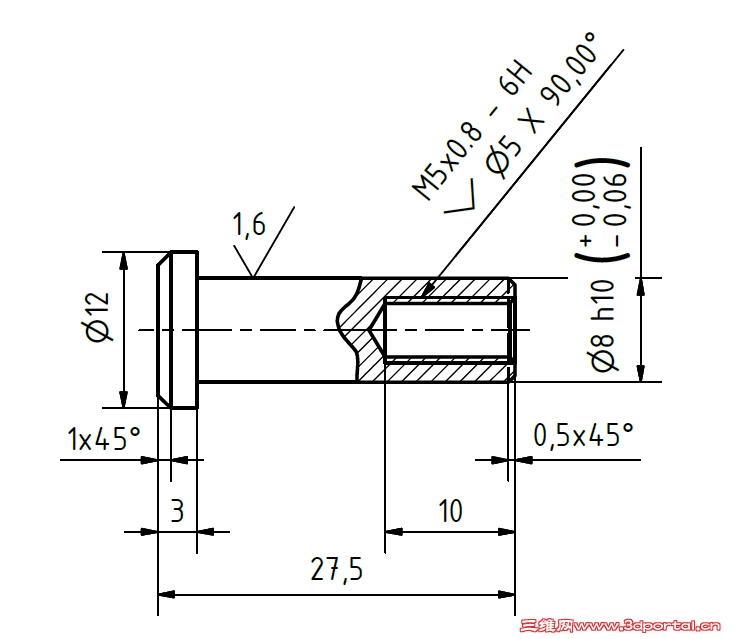
画图者好象是新手,细节处有问题,如下图,螺钉头部是什么样子?内六角、一字槽?要不然如何把紧螺钉呢。
5 U9 r* m( |9 s. \$ e0 B( F. u
- r9 O" e3 _1 |) ^ 1.PNG
发表于 2016-2-3 00:07:48 | 显示全部楼层 来自: 中国广东东莞
duxiang 发表于 2016-1-28 15:459 x% v1 ~1 U1 |( g8 {8 h
下载看看谢谢
/ f+ D6 ]' a3 _* `  @
thanks  a lot!!
发表于 2016-2-3 01:13:14 | 显示全部楼层 来自: 中国广东广州
啥都没准 发表于 2016-1-28 15:07( E8 K# ?9 j3 q5 G5 E9 p
不认识外国文字,幸好认识数字7 ~: [2 z9 m* ?  m3 o
怎么都感觉外国的工艺是牛13,攻丝都能把底孔攻完……

& o& S) s5 Y4 @  n4 P" |" ~1 |8 V是的,看了此M5螺纹,也是佩服,心里默默为中国制造的未来担心。不过您这截图里,也没有外国字呀。其实这底孔完全可以再画深些。
发表于 2016-2-3 01:19:42 | 显示全部楼层 来自: 中国广东广州
啥都没准 发表于 2016-1-28 15:07' J# c1 F9 v9 Y# R, g# _0 S$ I
不认识外国文字,幸好认识数字
; b5 ]* M! z+ ^( D9 ?4 }4 O$ w: s9 w怎么都感觉外国的工艺是牛13,攻丝都能把底孔攻完……

' X: U+ D: J8 n8 P" s这个螺纹,就麻烦了。深度18,是牙深,还是孔深?- d/ h) w, Q7 N
+ {/ \* g2 Z/ _$ C
2016-02-03_1-16-39.jpg 3 S' j, L: ^7 r& g
发表于 2016-2-3 08:28:50 | 显示全部楼层 来自: 中国四川乐山
datafield 发表于 2016-2-3 01:130 T6 d1 Z# m3 a1 k( r  v2 F5 a$ d
是的,看了此M5螺纹,也是佩服,心里默默为中国制造的未来担心。不过您这截图里,也没有外国字呀。其实这 ...
" k- ^& R3 |5 j8 K; i$ X: V( u# b
正如楼主所说,图纸要表达的是螺纹深度,也许螺纹简化了吧,呵呵,反正国标没有这么干的
发表于 2016-2-3 08:31:50 | 显示全部楼层 来自: 中国四川乐山
datafield 发表于 2016-2-3 01:19/ h8 j8 q' f: y
这个螺纹,就麻烦了。深度18,是牙深,还是孔深?

  X* V- V  X6 m: O9 E$ v这个螺纹,以鄙人看来,确实有问题,如果不给定底孔深度,直径7mm的尺寸还是给公差的应该在这个地方有配合,底孔深度掌握不好,7mm孔的深度就是不定值,除非,深度方向没要求,个人意见……
发表于 2016-2-3 15:03:31 | 显示全部楼层 来自: 中国广东广州
啥都没准 发表于 2016-2-3 08:314 C8 |+ u! m6 [; f- S. f. l. c
这个螺纹,以鄙人看来,确实有问题,如果不给定底孔深度,直径7mm的尺寸还是给公差的应该在这个地方有配 ...

! p( _) S: a2 ?1 H+ x( I4 W是的,这就是很经典的,设计师,不是工艺师。
发表于 2016-2-4 11:44:58 | 显示全部楼层 来自: 中国浙江衢州
谢谢分享 啦
发表于 2016-2-9 10:58:39 | 显示全部楼层 来自: 中国广东佛山
好东西,有空做一个出来。
发表于 2019-7-21 20:46:57 | 显示全部楼层 来自: 中国新疆乌鲁木齐
谢谢分享
发表于 2019-7-26 15:58:48 | 显示全部楼层 来自: 中国天津
谢谢分享
发表于 2019-7-29 17:55:29 | 显示全部楼层 来自: 中国江苏常州
qqqqqqqqqqqqq
发表回复
您需要登录后才可以回帖 登录 | 注册

本版积分规则


Licensed Copyright © 2016-2020 http://www.3dportal.cn/ All Rights Reserved 京 ICP备13008828号

小黑屋|手机版|Archiver|三维网 ( 京ICP备2023026364号-1 )

快速回复 返回顶部 返回列表