QQ登录

只需一步,快速开始

登录 | 注册 | 找回密码

三维网

 找回密码
 注册

QQ登录

只需一步,快速开始

展开

通知     

查看: 1896|回复: 9
收起左侧

[已解决] 紧急求助,原理哪出错了?

[复制链接]
发表于 2016-3-10 12:32:40 来自手机 | 显示全部楼层 |阅读模式 来自: 中国河北

马上注册,结识高手,享用更多资源,轻松玩转三维网社区。

您需要 登录 才可以下载或查看,没有帐号?注册

x
本帖最后由 闯天涯 于 2016-3-10 12:43 编辑 ( \8 G5 R) z! y7 L- X7 P1 k/ L( y  i

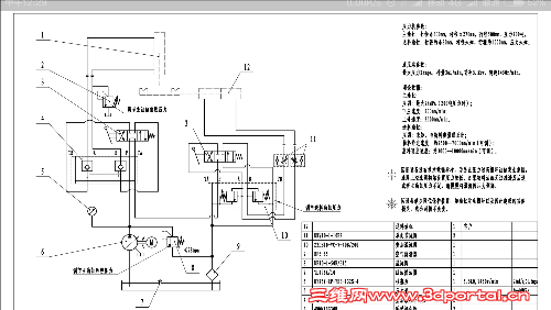
( W2 A- _& Q4 |' Z0 b- r为什么两个油缸不动作呢?单独接油缸一个腔试,溢流阀拧到底,压力就是上不去。
Screenshot_2016-03-10-12-29-56_cn.wps.moffice_eng.png
Screenshot_2016-03-10-12-29-56_cn.wps.moffice_eng.png
Screenshot_2016-03-10-12-29-56_cn.wps.moffice_eng.png
发表于 2016-3-10 13:09:47 | 显示全部楼层 来自: 中国浙江宁波
这三张图是同一个吧?最后一个最清晰。
发表于 2016-3-10 13:17:03 | 显示全部楼层 来自: 中国山东烟台
你问的问题不清楚-----应该说明操作过程。
 楼主| 发表于 2016-3-10 13:43:29 来自手机 | 显示全部楼层 来自: 中国河北
三张图一样。就是电机通电,扳任意手动换向阀油缸都不动作。
 楼主| 发表于 2016-3-10 14:29:51 来自手机 | 显示全部楼层 来自: 中国河北
拿了一个新油缸试了试,可以动。应该是客户油缸出问题了
发表于 2016-3-10 23:20:39 | 显示全部楼层 来自: 中国四川成都
如果是只一个缸坏还有可能,但像这种两个缸都坏的情况却是很少的,因为只要有一个缸损坏,这台设备也就停下来了不能工作了。出现“溢流阀拧到底,压力就是上不去”、“扳任意手动换向阀油缸都不动作”的情况,原因应该还是在系统中。

评分

参与人数 1三维币 +8 收起 理由
zls888 + 8 应助

查看全部评分

发表于 2016-3-12 11:44:18 | 显示全部楼层 来自: 中国黑龙江哈尔滨
4,11,单向阀,都是往油缸里进,
发表于 2016-3-12 19:42:16 来自手机 | 显示全部楼层 来自: 中国山东临沂
解决了吗?
 楼主| 发表于 2016-3-21 14:50:55 | 显示全部楼层 来自: 中国山东德州
cdxwg 发表于 2016-3-10 23:20
+ b6 N/ ^" ]6 K! e7 {+ h( N" [: g0 w如果是只一个缸坏还有可能,但像这种两个缸都坏的情况却是很少的,因为只要有一个缸损坏,这台设备也就停下 ...

6 o, L$ P. I' d4 t6 T  \客户换了油缸,问题解决。客户买的旧设备,时间太长,油缸已坏。
 楼主| 发表于 2016-3-21 14:51:26 | 显示全部楼层 来自: 中国山东德州
客户买的旧设备,时间太长,油缸已坏。客户换了油缸,问题解决。
发表回复
您需要登录后才可以回帖 登录 | 注册

本版积分规则


Licensed Copyright © 2016-2020 http://www.3dportal.cn/ All Rights Reserved 京 ICP备13008828号

小黑屋|手机版|Archiver|三维网 ( 京ICP备2023026364号-1 )

快速回复 返回顶部 返回列表