QQ登录

只需一步,快速开始

登录 | 注册 | 找回密码

三维网

 找回密码
 注册

QQ登录

只需一步,快速开始

展开

通知     

查看: 1791|回复: 7
收起左侧

[求助] 这个文件怎么出工程图

[复制链接]
发表于 2016-4-23 18:09:14 | 显示全部楼层 |阅读模式 来自: 中国广东佛山
安装
主题分类用于问题归类:

马上注册,结识高手,享用更多资源,轻松玩转三维网社区。

您需要 登录 才可以下载或查看,没有帐号?注册

x
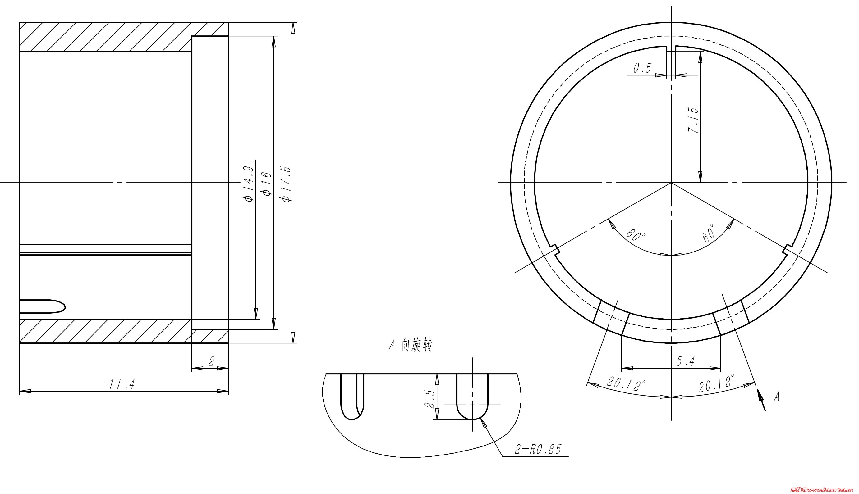
这个文件,我不知道怎么画剖视图,求助各位大神。
5 f) {; V8 a: x) {" V! o" q$ s

11.5防水外壳2.rar

122.6 KB, 下载次数: 29

发表于 2016-4-23 20:26:08 | 显示全部楼层 来自: 中国四川攀枝花
本帖最后由 pzhzshun 于 2016-4-24 00:49 编辑 3 E0 _% d( x9 t+ F) E

5 b9 S: }  H' P+ E) p' X楼主看看,这样出可以不?( o# e: ~- h" T8 L. b
11.5防水外壳2 - 图纸1.jpg
: X: q( x$ G* t# d8 A/ D3 w! U1 o) q! B0 `6 T. `3 h
发表于 2016-4-23 20:32:22 | 显示全部楼层 来自: 中国四川攀枝花
本帖最后由 pzhzshun 于 2016-4-24 00:49 编辑
) W0 g6 Y' E7 e  n+ S/ f0 |7 H7 ]5 Z  P/ L; ~+ j
补上工程图文件。$ x9 b, D( h1 w/ D! u3 w, G8 g
sw 2016 版文件: 11.5防水外壳2.rar (366.54 KB, 下载次数: 18)
 楼主| 发表于 2016-4-23 23:58:27 | 显示全部楼层 来自: 中国广东佛山
谢谢大神,麻烦问一下你那个A向向视图选的哪条线才生成的?
发表于 2016-4-24 00:14:02 | 显示全部楼层 来自: 中国四川攀枝花
本帖最后由 pzhzshun 于 2016-4-24 00:30 编辑 * S, [$ @- z. |
zhenghua235 发表于 2016-4-23 23:58
$ V5 @4 J- S. M% j谢谢大神,麻烦问一下你那个A向向视图选的哪条线才生成的?
" w; {9 U7 k8 @' c
大神可不敢当。
  T# V1 V, T: n5 Y; _8 n
; e, k3 y- d1 d/ a$ T4 G, y我在『拉伸3』的草图里添加了一根和切除线垂直的辅助线。  Q0 @3 r+ D" K9 t: h, L. o# r  {
工程图里 A 向视图就选的这根线,选好后再把草图隐藏,就看不到了。3 {; x3 L- f# h+ S+ e
快照1.jpg 7 k$ D+ ^5 T+ S3 t! S

7 S. l" O6 H5 U( Q. H) | 快照2.jpg 2 m: A4 V& s0 m* u8 c

( ^7 z) `4 w' m5 J! G
发表于 2016-4-24 22:51:59 | 显示全部楼层 来自: 中国安徽蚌埠
本帖最后由 jinqin11 于 2016-4-24 22:54 编辑
# l( U+ n* L, t9 T3 m0 E  c6 e7 a* y4 l6 i. o& i
三视图+旋转剖视
0424.png
发表于 2016-4-24 23:23:02 | 显示全部楼层 来自: 中国四川攀枝花
jinqin11 发表于 2016-4-24 22:51
$ E4 }4 w) X5 U1 N) k% {# [! l三视图+旋转剖视
! W0 }# H8 G- U0 r
楼主零件图中,下面两个槽的中心不过圆心的。& k' C4 L3 v. a: G
你的视图中也没有表达出槽底部的形状。
发表于 2016-4-25 09:22:15 | 显示全部楼层 来自: 中国安徽蚌埠
pzhzshun 发表于 2016-4-24 23:23- u3 a3 d5 X5 x2 l
楼主零件图中,下面两个槽的中心不过圆心的。
! Y$ r0 n  h8 ^7 K( r你的视图中也没有表达出槽底部的形状。
$ s' _) A! t0 ~
不过中心的话,楼主本身标注有问题,还有加上中心的位置
发表回复
您需要登录后才可以回帖 登录 | 注册

本版积分规则


Licensed Copyright © 2016-2020 http://www.3dportal.cn/ All Rights Reserved 京 ICP备13008828号

小黑屋|手机版|Archiver|三维网 ( 京ICP备2023026364号-1 )

快速回复 返回顶部 返回列表