QQ登录

只需一步,快速开始

登录 | 注册 | 找回密码

三维网

 找回密码
 注册

QQ登录

只需一步,快速开始

展开

通知     

查看: 1193|回复: 1
收起左侧

[求助] 高精度机加工轮机沟槽检验方法

[复制链接]
发表于 2016-6-16 10:04:08 | 显示全部楼层 |阅读模式 来自: 中国上海

马上注册,结识高手,享用更多资源,轻松玩转三维网社区。

您需要 登录 才可以下载或查看,没有帐号?注册

x
求教各位:: P. {' T1 R; ]3 k3 t8 n0 h; y

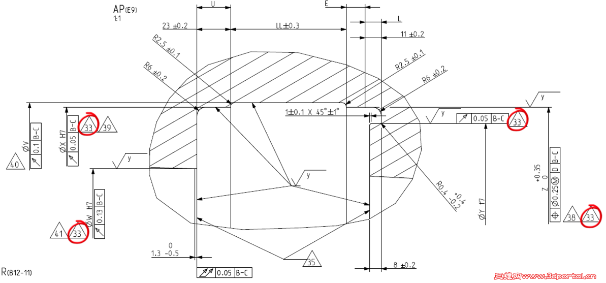
1 q9 F. b' [+ b6 [, v  p如附图所示,轮机内沟槽,机加工,配合公差E9 ,H7
! k" L$ r! r6 s# d- V7 y' {% {; S  E+ `7 V# J7 f8 Q' J. L8 s
加工完成后,用什么样的量具来检测尺寸合格?(普通内径千分尺是很难测量的,因为不能保证测量时千分尺与沟槽完全垂直)
: K+ y3 M& J( [8 ?" v( t3 r1 {
$ z5 O9 H+ F6 J: D4 O3 M恳请赐教4 @* u; |1 J: E% j  I! a) K
Picture2.png Picture1.png 7 W, |% Y) H  `* |. C
发表于 2016-6-16 10:44:03 | 显示全部楼层 来自: 中国浙江宁波
如果是单件或者不多,就用千分尺凑合着用吧,如果比较多可以做几个标准量块(通止规)来检测一下,当然如果你们有三坐标测量仪,那就用上吧
发表回复
您需要登录后才可以回帖 登录 | 注册

本版积分规则


Licensed Copyright © 2016-2020 http://www.3dportal.cn/ All Rights Reserved 京 ICP备13008828号

小黑屋|手机版|Archiver|三维网 ( 京ICP备2023026364号-1 )

快速回复 返回顶部 返回列表